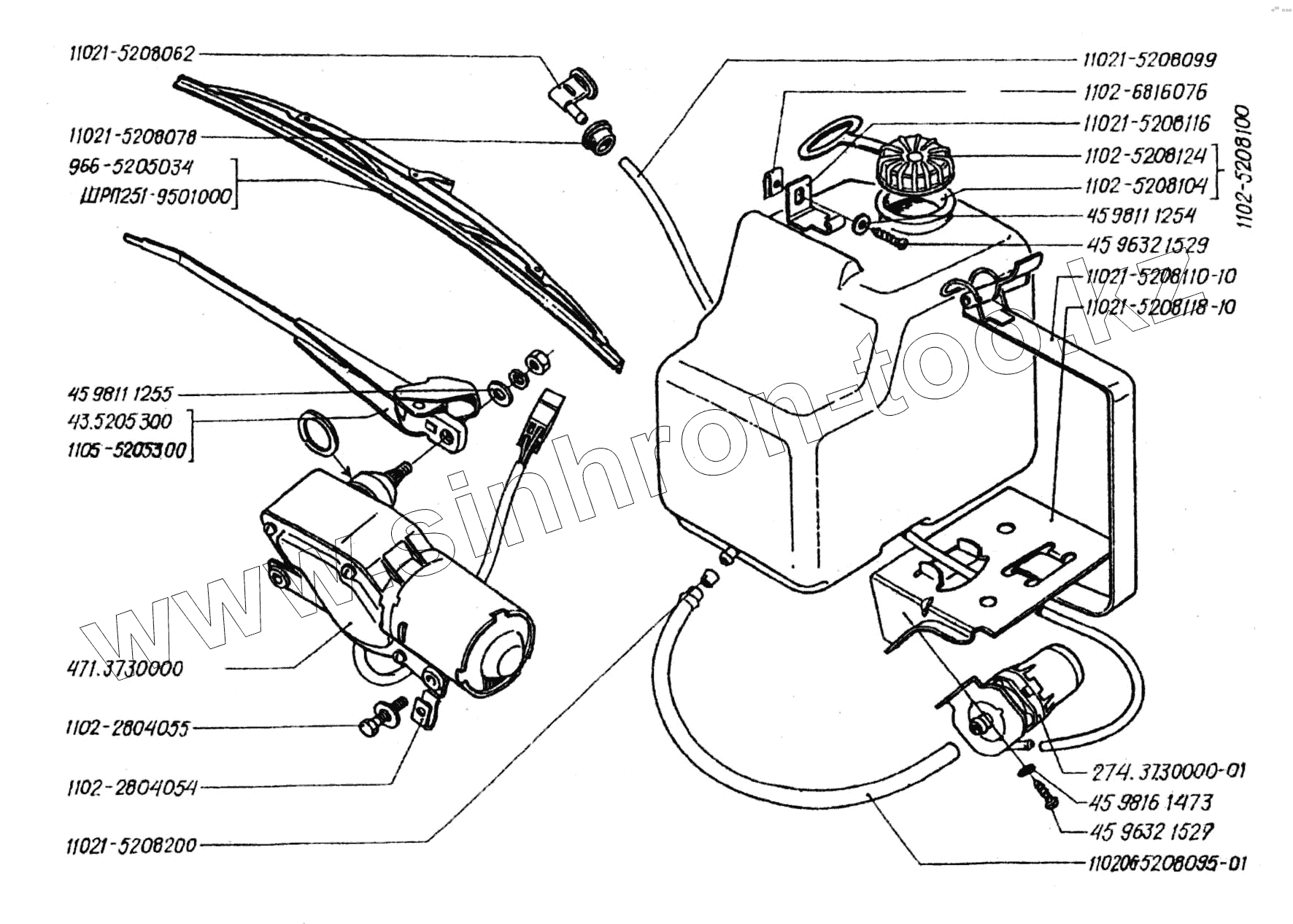
Каталог запасных частей к технике: ЗАЗ 1102 (Таврия). Стеклоочиститель и стеклоомыватель двери задка
471.3730000
ШРП251-95010000
966-5205034
11021-5208099
110206-5208095-01
45 9816 1473
459811 1254
459811 1255
11021-5208200
11021-5208078
1105-5205300
43.5205300
1102-5208124
1102-5208104
274.3730000-01
11021-5208110-10
11021-5208116
11021-5208118-10
11021-5208062
1102-6816076
1102-2804054
45 9632 1527
45 9632 1529
1102-2804055
1102-5208100
| Позиция на иллюстрации | Заводской номер детали | Название детали | |
|---|---|---|---|
| 471.3730000 | 471.3730000 | Моторедуктор | |
| ШРП251-95010000 | ШРП251-95010000 | Щетка стеклоочистителя | |
| 966-5205034 | 966-5205034 | Щетка стеклоочистителя | |
| 11021-5208099 | 11021-5208099 | Шланг жиклера омывателя | |
| 110206-5208095-01 | 110206-5208095-01 | Шланг бачка омывателя | |
| 45 9816 1473 | 45 9816 1473 | Шайба | |
| 459811 1254 | 459811 1254 | Шайба | |
| 459811 1255 | 459811 1255 | Шайба | |
| 11021-5208200 | 11021-5208200 | Фильтр омывателя | |
| 11021-5208078 | 11021-5208078 | Фиксатор жиклера | |
| 1105-5205300 | 1105-5205300 | Рычаг стеклоочистителя | |
| 43.5205300 | 43.5205300 | Рычаг стеклоочистителя | |
| 1102-5208124 | 1102-5208124 | Пробка бачка | |
| 1102-5208104 | 1102-5208104 | Бачок омывателя | |
| 274.3730000-01 | 274.3730000-01 | Мотонасос | |
| 11021-5208110-10 | 11021-5208110-10 | Лента стяжная | |
| 11021-5208116 | 11021-5208116 | Кронштейн крепления ленты | |
| 11021-5208118-10 | 11021-5208118-10 | Кронштейн бачка омывателя | |
| 11021-5208062 | 11021-5208062 | Жиклер омывателя | |
| 1102-6816076 | 1102-6816076 | Гайка | |
| 1102-2804054 | 1102-2804054 | Гайка | |
| 45 9632 1527 | 45 9632 1527 | Винт | |
| 45 9632 1529 | 45 9632 1529 | Винт | |
| 1102-2804055 | 1102-2804055 | Болт | |
| 1102-5208100 | 1102-5208100 | Бачок омывателя в сборе |
Содержащиеся в справочниках-каталогах запасные части и детали не предлагаются к продаже, а носят исключительно информационный характер