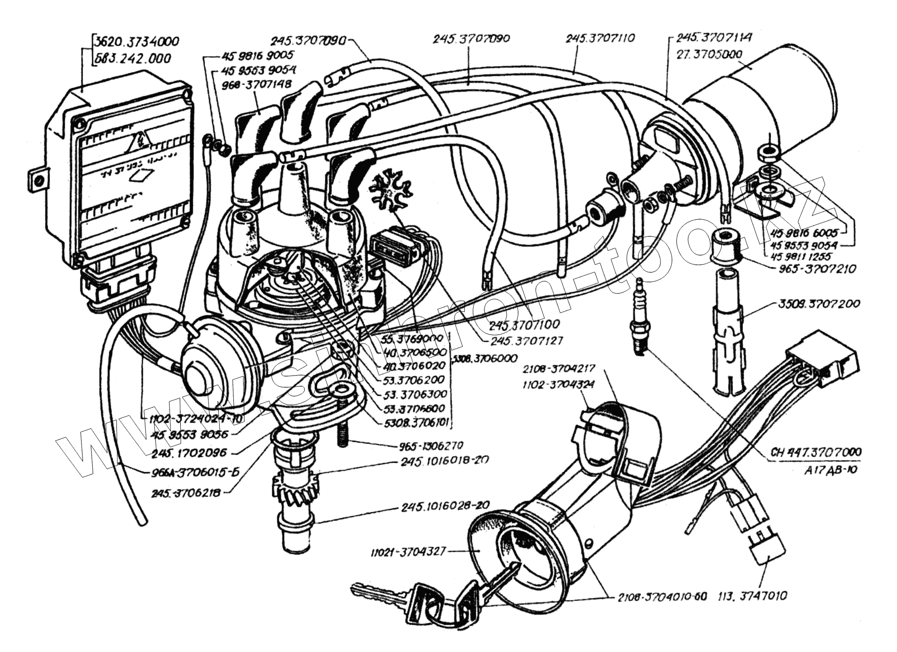
Каталог запасных частей к технике: ЗАЗ 1102 (Таврия). Детали системы зажигания
966А-3706015-Б
53.3706300
245.3707100
245.3707110
245.3707114
245.3707090
113.3747010
СН447.3707000
А17ДВ-10
2108-3704217
3509.3707200
245.3707127
11021-3704327
459811 1255
45 9816 6005
245.1702096
45 9816 9005
245.1016028-20
245.1016018-20
965-1306270
1102-3724024-10
1102-3704324
53.3706600
53.3706200
2108-3704010-60
45 9553 9054
45 9553 9056
45 9553 9054
55.3769000
5308.3706000
40.3706020
27.3705000
968-3707148
965-3707210
245.3706218
3620.3734000
Бв3.242.000
5308.3706101
40.3706500
| Позиция на иллюстрации | Заводской номер детали | Название детали | |
|---|---|---|---|
| 966А-3706015-Б | 966А-3706015-Б | Трубка | |
| 53.3706300 | 53.3706300 | Опора промежуточная | |
| 245.3707100 | 245.3707100 | Провод второго цилиндра | |
| 245.3707110 | 245.3707110 | Провод третьего цилиндра | |
| 245.3707114 | 245.3707114 | Провод четвертого цилиндра | |
| 245.3707090 | 245.3707090 | Провода к распределителю и первому цилиндру | |
| 113.3747010 | 113.3747010 | Реле выключателя зажигания | |
| СН447.3707000 | СН447.3707000 | Свеча зажигания | |
| А17ДВ-10 | А17ДВ-10 | Свеча зажигания | |
| 2108-3704217 | 2108-3704217 | Скоба выключателя | |
| 3509.3707200 | 3509.3707200 | Наконечник свечи | |
| 245.3707127 | 245.3707127 | Фиксатор проводов | |
| 11021-3704327 | 11021-3704327 | Чехол выключателя зажигания | |
| 459811 1255 | 459811 1255 | Шайба | |
| 45 9816 6005 | 45 9816 6005 | Шайба | |
| 245.1702096 | 245.1702096 | Шайба | |
| 45 9816 9005 | 45 9816 9005 | Шайба | |
| 245.1016028-20 | 245.1016028-20 | Шайба упорная | |
| 245.1016018-20 | 245.1016018-20 | Шестерня ведомая распределителя | |
| 965-1306270 | 965-1306270 | Шпилька | |
| 1102-3724024-10 | 1102-3724024-10 | Жгут проводов системы зажигания | |
| 1102-3704324 | 1102-3704324 | Болт | |
| 53.3706600 | 53.3706600 | Вакуумный регулятор | |
| 53.3706200 | 53.3706200 | Валик с автоматом | |
| 2108-3704010-60 | 2108-3704010-60 | Выключатель зажигания | |
| 45 9553 9054 | 45 9553 9054 | Гайка | |
| 45 9553 9056 | 45 9553 9056 | Гайка | |
| 45 9553 9054 | 45 9553 9054 | Гайка | |
| 55.3769000 | 55.3769000 | Датчик «Холла» | |
| 5308.3706000 | 5308.3706000 | Датчик-распределитель | |
| 40.3706020 | 40.3706020 | Бегунок с резистором | |
| 27.3705000 | 27.3705000 | Катушка зажигания | |
| 968-3707148 | 968-3707148 | Колпачок | |
| 965-3707210 | 965-3707210 | Колпачок | |
| 245.3706218 | 245.3706218 | Кольцо уплотнительное | |
| 3620.3734000 | 3620.3734000 | Коммутатор | |
| Бв3.242.000 | Бв3.242.000 | Коммутатор | |
| 5308.3706101 | 5308.3706101 | Корпус | |
| 40.3706500 | 40.3706500 | Крышка датчика-распределителя |
Содержащиеся в справочниках-каталогах запасные части и детали не предлагаются к продаже, а носят исключительно информационный характер