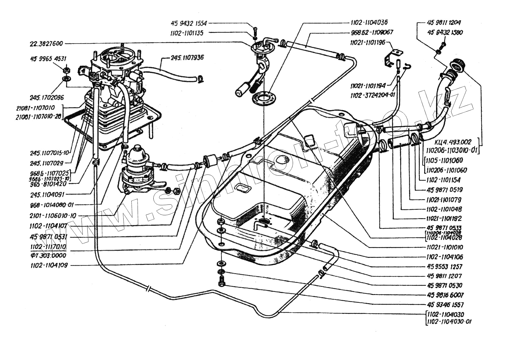
Каталог запасных частей к технике: ЗАЗ 1102 (Таврия). Детали системы питания
1102-1101135
245.1107936
11021-1101192
1102-1104030
1102-1104030-01
1102-1117010
ФТ303.0000
45 9871 0519
45 9871 0533
45 9871 0531
45 9871 0530
968-1014080-01
459811 1204
1105-1101060
459811 1207
45 9816 6007
245.1702096
1102-1104109
968Б2-1109067
1102-1104106
965 8101420
1102-1104107
245.1104091
11021-1101079
1102-1101048
110206-1103010-01
45 9346 1557
45 9532 1580
45 9432 1554
1102-1101154
45 9553 1257
459654531
22.3827600
21081-1107010
21081-1107010-28
11021-1101196
11021-1101194
11021-1101010
КЦ4.493.002
1102-1104036
968Б-1107025
968Б-1107025-10
245.1107029
1102-3724204-01
2101-1106010-10
110206-1104028
1102-1104028
245.1107015-10
110206-1101060
| Позиция на иллюстрации | Заводской номер детали | Название детали | |
|---|---|---|---|
| 1102-1101135 | 1102-1101135 | Шайба | |
| 245.1107936 | 245.1107936 | Трубка | |
| 11021-1101192 | 11021-1101192 | Трубка вентиляционная | |
| 1102-1104030 | 1102-1104030 | Трубка рециркуляции топлива | |
| 1102-1104030-01 | 1102-1104030-01 | Трубка рециркуляции топлива | |
| 1102-1117010 | 1102-1117010 | Фильтр топливный | |
| ФТ303.0000 | ФТ303.0000 | Фильтр топливный | |
| 45 9871 0519 | 45 9871 0519 | Хомут | |
| 45 9871 0533 | 45 9871 0533 | Хомут | |
| 45 9871 0531 | 45 9871 0531 | Хомут | |
| 45 9871 0530 | 45 9871 0530 | Хомут | |
| 968-1014080-01 | 968-1014080-01 | Хомут | |
| 459811 1204 | 459811 1204 | Шайба | |
| 1105-1101060 | 1105-1101060 | Труба наливная | |
| 459811 1207 | 459811 1207 | Шайба | |
| 45 9816 6007 | 45 9816 6007 | Шайба | |
| 245.1702096 | 245.1702096 | Шайба | |
| 1102-1104109 | 1102-1104109 | Шланг | |
| 968Б2-1109067 | 968Б2-1109067 | Шланг | |
| 1102-1104106 | 1102-1104106 | Шланг | |
| 965 8101420 | 965 8101420 | Шланг | |
| 1102-1104107 | 1102-1104107 | Шланг | |
| 245.1104091 | 245.1104091 | Шланг | |
| 11021-1101079 | 11021-1101079 | Шланг соединительный | |
| 1102-1101048 | 1102-1101048 | Патрубок наливной трубы | |
| 110206-1103010-01 | 110206-1103010-01 | Пробка | |
| 45 9346 1557 | 45 9346 1557 | Болт | |
| 45 9532 1580 | 45 9532 1580 | Винт | |
| 45 9432 1554 | 45 9432 1554 | Винт | |
| 1102-1101154 | 1102-1101154 | Втулка | |
| 45 9553 1257 | 45 9553 1257 | Гайка | |
| 459654531 | 459654531 | Гайка | |
| 22.3827600 | 22.3827600 | Датчик указателя уровня топлива | |
| 21081-1107010 | 21081-1107010 | Карбюратор в сборе | |
| 21081-1107010-28 | 21081-1107010-28 | Карбюратор в сборе | |
| 11021-1101196 | 11021-1101196 | Кронштейн | |
| 11021-1101194 | 11021-1101194 | Наконечник | |
| 11021-1101010 | 11021-1101010 | Бак топливный | |
| КЦ4.493.002 | КЦ4.493.002 | Пробка с цифровым замком | |
| 1102-1104036 | 1102-1104036 | Прокладка | |
| 968Б-1107025 | 968Б-1107025 | Прокладка | |
| 968Б-1107025-10 | 968Б-1107025-10 | Прокладка | |
| 245.1107029 | 245.1107029 | Проставка | |
| 1102-3724204-01 | 1102-3724204-01 | Скоба | |
| 2101-1106010-10 | 2101-1106010-10 | Топливный насос | |
| 110206-1104028 | 110206-1104028 | Топливопровод | |
| 1102-1104028 | 1102-1104028 | Топливопровод | |
| 245.1107015-10 | 245.1107015-10 | Топливосборник | |
| 110206-1101060 | 110206-1101060 | Труба наливная |
Содержащиеся в справочниках-каталогах запасные части и детали не предлагаются к продаже, а носят исключительно информационный характер