Вернуться на главную
Поиск
Каталоги запчастей к технике
Легковые автомобили
ЗАЗ
ЗАЗ 1102 (Таврия)
Детали корпуса карбюратора
Каталог запасных частей к технике: ЗАЗ 1102 (Таврия). Детали корпуса карбюратора
zoom-in
zoom-out
enlarge
shrink
circle-right
circle-left
file-text2
info
cart
Тип техники
Не выбрано
Легковые автомобили
Грузовые автомобили и прицепы
Автобусы
Сельхозтехника
Спецтехника
Двигатели
Мототехника
Марка
Не выбрано
BYD
Chevrolet
Daewoo
Geely
Great Wall
Hyundai
Lifan
Tata
АЗЛК
ВАЗ
ГАЗ
ЗАЗ
ЗИЛ
ИЖ
ЛуАЗ
РАФ
УАЗ
Модель
Не выбрано
ZAZ Sens (2007)
ЗАЗ 1102 (Таврия) (1997)
ЗАЗ 965
ЗАЗ 968 (1998)
ЗАЗ 968М
ЗАЗ- 966, 966В (1972)
ЗАЗ-1102 (Таврия Нова) (2002)
ЗАЗ-1103 (Славута) (2002)
ЗАЗ-1105 (Дана) (2002)
Схема
>
Не выбрано
Кузов, детали кузова
Кузов, детали кузова автомобиля ЗАЗ-1105
Детали кузова
Детали кузова
Детали кузова
Детали кузова
Кузов, дверь задка, стеклоуплотнитель автомобилей ЗАЗ-11024-11 и ЗАЗ-110246
Коврики пола и багажника, обивка салона
Коврики пола и багажника, обивка салона автомобиля ЗАЗ-1105
Коврики пола и багажника, обивка салона
Облицовка окон боковин, обивка двери задка, перегородка, платформа багажного отделения автомобилей ЗАЗ-11024-11 и ЗАЗ-110246
Буфер задний, задние фонари, обивка боковины, детали задней подвески, электропровода, кузов в сборе
Детали кузова
Коврик пола, накладки порога пола, настил пола платформы, обивка крыши, окно перегородки, дверь передняя, сиденья передние, фартуки задних колес
Стекла ветрового окна и боковин
Стеклоочиститель и стеклоомыватель ветрового стекла
Стеклоочиститель и стеклоомыватель двери задка
Стеклоомыватель двери задка автомобиля ЗАЗ-1105
Панели приборов 1102-5325016-30, 1102-5325016-50
Панели приборов 11021-5325016, 11021-5325016-10
Панель приборов автомобилей ЗАЗ-110236, ЗАЗ-110246
Окно двери и стеклоподъёмник
Окно передней двери и стеклоподъемник автомобиля ЗАЗ-1105
Двери, замки, ручки дверей, уплотнитель
Двери передние, замки ручки дверей, уплотнитель автомобиля ЗАЗ-1105
Двери задние, замки, ручки дверей, уплотнители
Стекла задней двери, стекло боковины и стеклоподъемник
Дверь задка, стекло, уплотнитель, замок
Дверь задка, стекло, уплотнитель, замок, петли, ручка автомобиля ЗАЗ-1105
Сиденья передние и задние
Отопитель и детали отопителя
Кран и блок управления отопителем
Воздуховоды
Зеркала заднего вида наружные
Зеркало заднего вида внутреннее, поручни, противосолнечные козырьки
Ремни безопасности
Капот передка, петли, замок и привод замка
Борт платформы задний, запоры заднего борта с приводами и ручкой, декоративная надпись
Тент высокий
Тент низкий
Силовой агрегат и его крепление
Блок и головка цилиндров
Поршни, шатуны и коленчатый вал
Детали газораспределительного механизма
Детали системы смазки
Фильтр воздушный и его детали
Детали системы питания
Детали крышки карбюратора
Детали корпуса карбюратора
Детали корпуса карбюратора
Детали топливного насоса и привода
Акселератор и управление воздушной заслонкой
Акселератор и привод управления сцеплением автомобилей ЗАЗ-110236, ЗАЗ-110246
Глушитель и трубы, впускной и выпускной коллекторы
Детали системы охлаждения
Электровентилятор 121.3780000 с кожухом
Механизм и привод управления сцеплением
Картеры сцепления и коробки передач
Детали коробки передач (1, 2, 3, 4-я передачи и задний ход)
Детали коробки передач (пятая и главная передачи)
Механизм переключения передач
Привод управления механизмом переключения передач
Детали шарнирных валов
Главная передача и дифференциал
Детали передней подвески и шарнирные валы (полуоси)
Буфер передний, облицовки, орнаменты и декоративные надписи
Буфер задний, орнаменты и декоративные надписи, фартуки задних колес, спойлер задний нижний
Детали передней подвески
Детали задней подвески
Колеса, шины, колпаки и ступицы заднего колеса
Детали механизма рулевого управления
Рулевое колесо, кронштейн опоры, опора вала
Рулевое колесо (с четырьмя спицами), опора вала
Вал и тяги рулевого управления
Механизм и тяги рулевого управления для автомобиля с правым расположением органов управления
Тормоза передние
Тормоза задние
Усилитель вакуумный привода тормозов
Гидропривод тормоза ножного для автомобиля с правым расположением органов управления
Гидропривод тормоза ножного
Привод механизма управления стояночным тормозом
Детали главного тормозного цилиндра
Трубопроводы гидропривода тормоза
Аккумуляторная батарея, генератор и их крепление
Детали генератора
Детали системы зажигания
Стартер и детали стартера
Переключатели и задние фонари
Фары, передние и боковые указатели поворота, плафон, гидрокорректор
Предохранители и электропровода
Приборы электрооборудования
Комбинации приборов
Инструмент водителя и приспособления
Подшипники
Подшипники
Манжеты уплотнительные
Манжеты уплотнительные
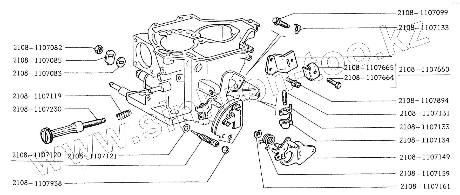
2108-1107121
2108-1107161
2108-1107083
2108-1107133
2108-1107133
2108-1107665
2108-1107149
2108-1107119
2108-1107159
2108-1107085
2108-1107660
2108-1107664
2108-1107134
2108-1107120
2108-1107938
2108-1107082
2108-1107230
2108-1107131
2108-1107099
2108-1107894
Позиция на иллюстрации
Заводской номер детали
Название детали
2108-1107121
2108-1107121
Кольцо уплотнительное
2108-1107161
2108-1107161
Шайба пружинная
2108-1107083
2108-1107083
Шайба
2108-1107133
2108-1107133
Стопор
2108-1107665
2108-1107665
Скоба
2108-1107149
2108-1107149
Рычаг
2108-1107119
2108-1107119
Пружина винта
2108-1107159
2108-1107159
Пружина
2108-1107085
2108-1107085
Кулачок ускорительного насоса
2108-1107660
2108-1107660
Кронштейн троса
2108-1107664
2108-1107664
Болт скобы
2108-1107134
2108-1107134
Колпачок
2108-1107120
2108-1107120
Игла регулировочная
2108-1107938
2108-1107938
Заглушка иглы
2108-1107082
2108-1107082
Гайка
2108-1107230
2108-1107230
Винт регулировочный
2108-1107131
2108-1107131
Винт регулировочный
2108-1107099
2108-1107099
Винт регулировочный
2108-1107894
2108-1107894
Винт
Содержащиеся в справочниках-каталогах запасные части и детали не предлагаются к продаже, а носят исключительно информационный характер
Дополнительная информация
×
Название:
Номер:
Примечание: