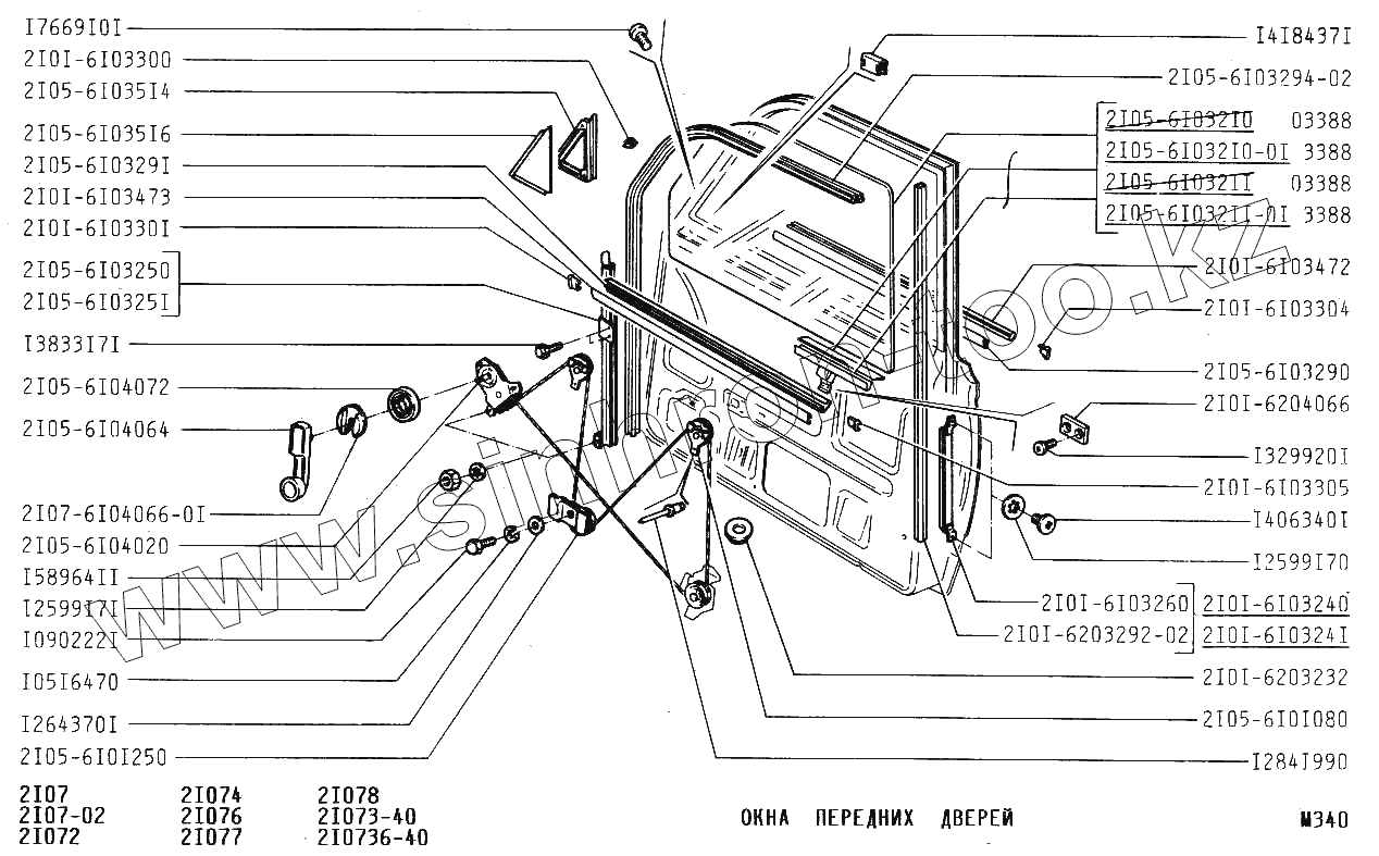
Каталог запасных частей к технике: ВАЗ-2107. Окна передних дверей
2105-6103210-01
2101-6103472
2101-6204066
2105-6104072
2105-6101250
2105-6101080
2105-6104064
14184371
2105-6103211
2105-6103211-01
2105-6103210
2101-6103473
2105-6104020
2101-6203292-02
2105-6103291
2105-6103294-02
2105-6103290
12599170
12599171
12643701
10516470
2105-6103250
10902221
2101-6203232
13299201
14063401
17669101
15896411
2101-6103260
2101-6103241
2105-6103251
13833171
2101-6103240
2105-6103514
2105-6103516
12841990
2107-6104066-01
2101-6103305
2101-6103304
2101-6103301
2101-6103300
| Позиция на иллюстрации | Заводской номер детали | Название детали | |
|---|---|---|---|
| 2105-6103210-01 | 2105-6103210-01 | Стекло опускное правое | |
| 2101-6103472 | 2101-6103472 | Окантовка стекол правая | |
| 2101-6204066 | 2101-6204066 | Планка прижимная | |
| 2105-6104072 | 2105-6104072 | Розетка ручки стеклоподъемника | |
| 2105-6101250 | 2105-6101250 | Ролик нижний | |
| 2105-6101080 | 2105-6101080 | Ролик верхний | |
| 2105-6104064 | 2105-6104064 | Ручка стеклоподъемника | |
| 14184371 | 14184371 | Скоба зажимная | |
| 2105-6103211 | 2105-6103211 | Стекло левое | |
| 2105-6103211-01 | 2105-6103211-01 | Стекло опускное левое | |
| 2105-6103210 | 2105-6103210 | Стекло правое | |
| 2101-6103473 | 2101-6103473 | Окантовка стекол левая | |
| 2105-6104020 | 2105-6104020 | Стеклоподъемник правый | |
| 2101-6203292-02 | 2101-6203292-02 | Уплотнитель задний | |
| 2105-6103291 | 2105-6103291 | Уплотнитель внутренний | |
| 2105-6103294-02 | 2105-6103294-02 | Уплотнитель передний | |
| 2105-6103290 | 2105-6103290 | Уплотнитель наружный | |
| 12599170 | 12599170 | Шайба 5 стопорная | |
| 12599171 | 12599171 | Шайба 5 стопорная | |
| 12643701 | 12643701 | Шайба 6 | |
| 10516470 | 10516470 | Шайба 6 пружинная | |
| 2105-6103250 | 2105-6103250 | Желобок передний правый | |
| 10902221 | 10902221 | Болт М6х16 | |
| 2101-6203232 | 2101-6203232 | Буфер | |
| 13299201 | 13299201 | Винт М5х12 | |
| 14063401 | 14063401 | Винт М5х8 | |
| 17669101 | 17669101 | Винт 3,6х12,7 самонарезающий | |
| 15896411 | 15896411 | Гайка М5 | |
| 2101-6103260 | 2101-6103260 | Желобок стекла задний | |
| 2101-6103241 | 2101-6103241 | Желобок стекла левый | |
| 2105-6103251 | 2105-6103251 | Желобок передний левый | |
| 13833171 | 13833171 | Болт М5х10 с зубчатым буртиком | |
| 2101-6103240 | 2101-6103240 | Желобок стекла правый | |
| 2105-6103514 | 2105-6103514 | Заглушка правая внутренняя | |
| 2105-6103516 | 2105-6103516 | Заглушка правая наружная | |
| 12841990 | 12841990 | Заклепка 4х6 | |
| 2107-6104066-01 | 2107-6104066-01 | Облицовка ручки стеклоподъемника | |
| 2101-6103305 | 2101-6103305 | Облицовка уплотнителя левая | |
| 2101-6103304 | 2101-6103304 | Облицовка уплотнителя правая | |
| 2101-6103301 | 2101-6103301 | Облицовка уплотнителя левая | |
| 2101-6103300 | 2101-6103300 | Облицовка уплотнителя правая |
Содержащиеся в справочниках-каталогах запасные части и детали не предлагаются к продаже, а носят исключительно информационный характер