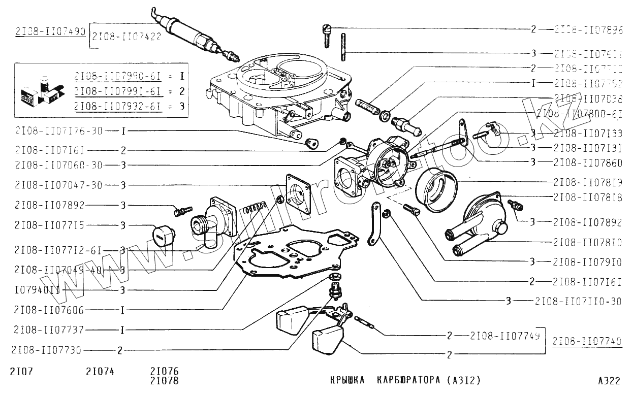
Каталог запасных частей к технике: ВАЗ-2107. Крышка карбюратора (А312)
2108-1107110-30
2108-1107038
2108-1107740
2108-1107176-30
2108-1107606
2108-1107752
2108-1107737
2108-1107049-40
2108-1107133
2108-1107749
2108-1107060-30
2108-1107710
2108-1107818
2108-1107161
2108-1107161
2108-1107611
2108-1107860
2108-1107819
2108-1107490
2108-1107712-61
2108-1107800-61
2108-1107715
2108-1107730
2108-1107422
2108-1107047-30
10794011
2108-1107810
2108-1107131
2108-1107896
2108-1107892
2108-1107892
2108-1107910
1
1
1
1
1
2
2
2
2
2
2
2
2
3
3
3
3
3
3
3
3
3
3
3
3
3
3
3
| Позиция на иллюстрации | Заводской номер детали | Название детали | |
|---|---|---|---|
| 2108-1107110-30 | 2108-1107110-30 | Тяга | |
| 2108-1107038 | 2108-1107038 | Патрубок подачи топлива | |
| 2108-1107740 | 2108-1107740 | Поплавок | |
| 2108-1107176-30 | 2108-1107176-30 | Прокладка | |
| 2108-1107606 | 2108-1107606 | Прокладка | |
| 2108-1107752 | 2108-1107752 | Прокладка | |
| 2108-1107737 | 2108-1107737 | Прокладка клапана | |
| 2108-1107049-40 | 2108-1107049-40 | Пружина | |
| 2108-1107133 | 2108-1107133 | Стопор | |
| 2108-1107749 | 2108-1107749 | Ось поплавка | |
| 2108-1107060-30 | 2108-1107060-30 | Тяга рычага | |
| 2108-1107710 | 2108-1107710 | Фильтр топливный | |
| 2108-1107818 | 2108-1107818 | Хомут | |
| 2108-1107161 | 2108-1107161 | Шайба пружинная | |
| 2108-1107611 | 2108-1107611 | Шпилька | |
| 2108-1107860 | 2108-1107860 | Шток диафрагмы | |
| 2108-1107819 | 2108-1107819 | Экран биметаллической пружины | |
| 2108-1107490 | 2108-1107490 | Актюатор холостого хода | |
| 2108-1107712-61 | 2108-1107712-61 | Крышка пускового устройства | |
| 2108-1107800-61 | 2108-1107800-61 | Корпус пускового устройства | |
| 2108-1107715 | 2108-1107715 | Колпачок | |
| 2108-1107730 | 2108-1107730 | Клапан топливный | |
| 2108-1107422 | 2108-1107422 | Жиклер холостого хода | |
| 2108-1107047-30 | 2108-1107047-30 | Диафрагма | |
| 10794011 | 10794011 | Гайка М4 низкая | |
| 2108-1107810 | 2108-1107810 | Водяная камера | |
| 2108-1107131 | 2108-1107131 | Винт регулировочный | |
| 2108-1107896 | 2108-1107896 | Винт М5х0,8х18 | |
| 2108-1107892 | 2108-1107892 | Винт М4х0,7х16 | |
| 2108-1107910 | 2108-1107910 | Винт | |
| 1 | 2108-1107990-61 | Комплект прокладок | |
| 2 | 2108-1107991-61 | Комплект ремонтный 1 | |
| 3 | 2108-1107992-61 | Комплект ремонтный 2 |
Содержащиеся в справочниках-каталогах запасные части и детали не предлагаются к продаже, а носят исключительно информационный характер