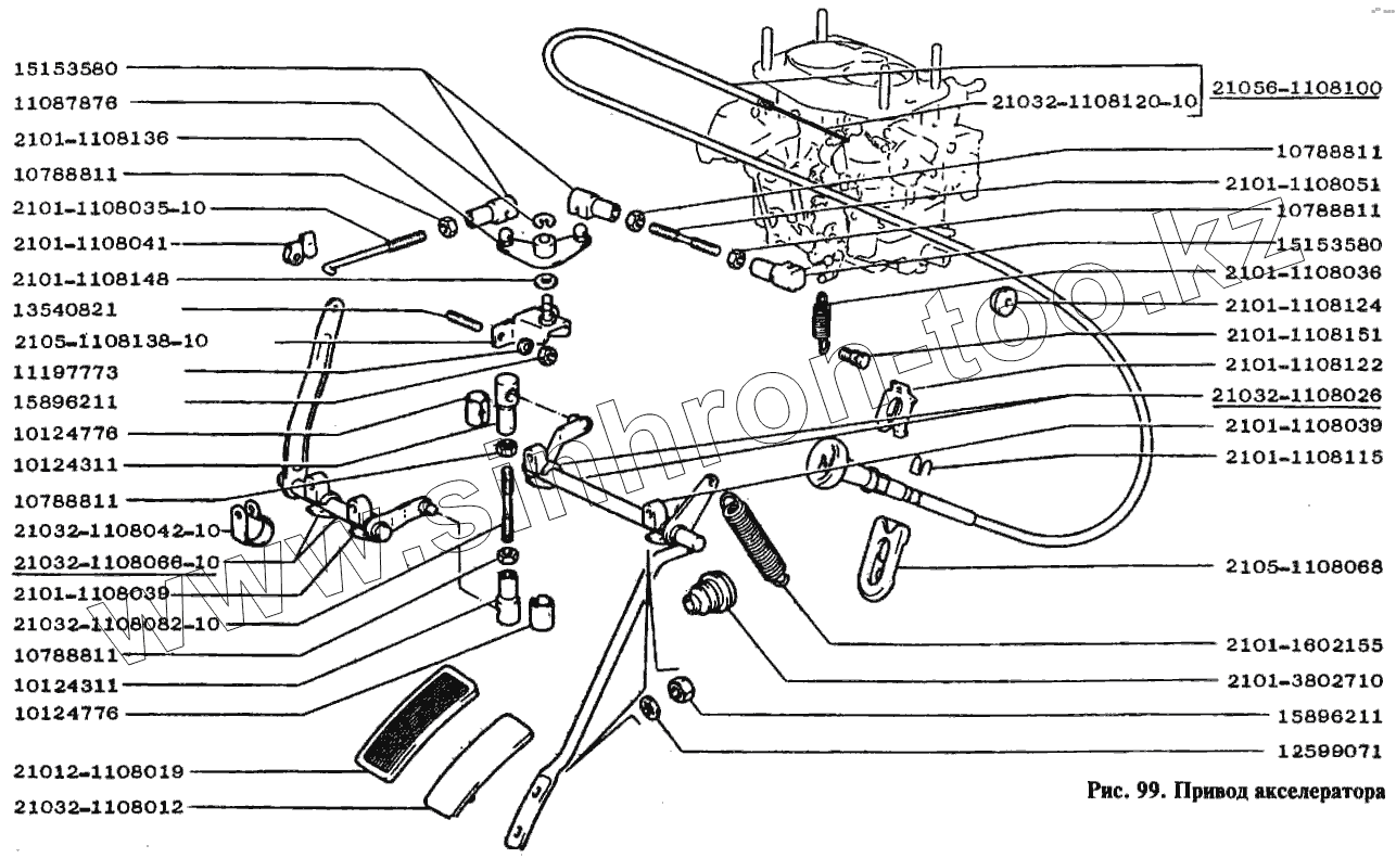
Каталог запасных частей к технике: ВАЗ-2105. Привод акселератора
2101-1108136
13540821
12599071
11087876
11197773
2101-1108148
21032-1108042-10
2101-3802710
2101-1108124
21032-1108082-10
2101-1108035-10
2101-1108051
21056-1108100
21032-1108120-10
10124776
10124776
2101-1108041
2101-1108151
2101-1108115
2101-1602155
2101-1108036
21032-1108012
2101-1108122
2105-1108068
15153580
15153580
10124311
10124311
21012-1108019
2105-1108138-10
2101-1108039
2101-1108039
15896211
15896211
10788811
10788811
10788811
10788811
10788811
21032-1108066-10
21032-1108026
| Позиция на иллюстрации | Заводской номер детали | Название детали | |
|---|---|---|---|
| 2101-1108136 | 2101-1108136 | Рычаг | |
| 13540821 | 13540821 | Шпилька М6х14 | |
| 12599071 | 12599071 | Шайба 6 стопорная | |
| 11087876 | 11087876 | Шайба 6 стопорная | |
| 11197773 | 11197773 | Шайба 6 пружинная коническая | |
| 2101-1108148 | 2101-1108148 | Шайба | |
| 21032-1108042-10 | 21032-1108042-10 | Усилитель | |
| 2101-3802710 | 2101-3802710 | Уплотнитель | |
| 2101-1108124 | 2101-1108124 | Уплотнитель | |
| 21032-1108082-10 | 21032-1108082-10 | Тяга промежуточная | |
| 2101-1108035-10 | 2101-1108035-10 | Тяга валика | |
| 2101-1108051 | 2101-1108051 | Тяга акселератора | |
| 21056-1108100 | 21056-1108100 | Трос с оболочкой | |
| 21032-1108120-10 | 21032-1108120-10 | Трос | |
| 10124776 | 10124776 | Держатель | |
| 2101-1108041 | 2101-1108041 | Скоба | |
| 2101-1108151 | 2101-1108151 | Болт | |
| 2101-1108115 | 2101-1108115 | Пружина фиксирующая | |
| 2101-1602155 | 2101-1602155 | Пружина | |
| 2101-1108036 | 2101-1108036 | Пружина возвратная | |
| 21032-1108012 | 21032-1108012 | Площадка педали | |
| 2101-1108122 | 2101-1108122 | Пластина прижимная | |
| 2105-1108068 | 2105-1108068 | Облицовка кронштейна | |
| 15153580 | 15153580 | Наконечник | |
| 10124311 | 10124311 | Наконечник | |
| 21012-1108019 | 21012-1108019 | Накладка педали | |
| 2105-1108138-10 | 2105-1108138-10 | Кронштейн | |
| 2101-1108039 | 2101-1108039 | Кронштейн | |
| 15896211 | 15896211 | Гайка М6 | |
| 10788811 | 10788811 | Гайка М5 низкая | |
| 21032-1108066-10 | 21032-1108066-10 | Валик промежуточный | |
| 21032-1108026 | 21032-1108026 | Валик акселератора |
Содержащиеся в справочниках-каталогах запасные части и детали не предлагаются к продаже, а носят исключительно информационный характер