Каталог запасных частей к технике: ВАЗ-2105. Двигатель и подвеска двигателя
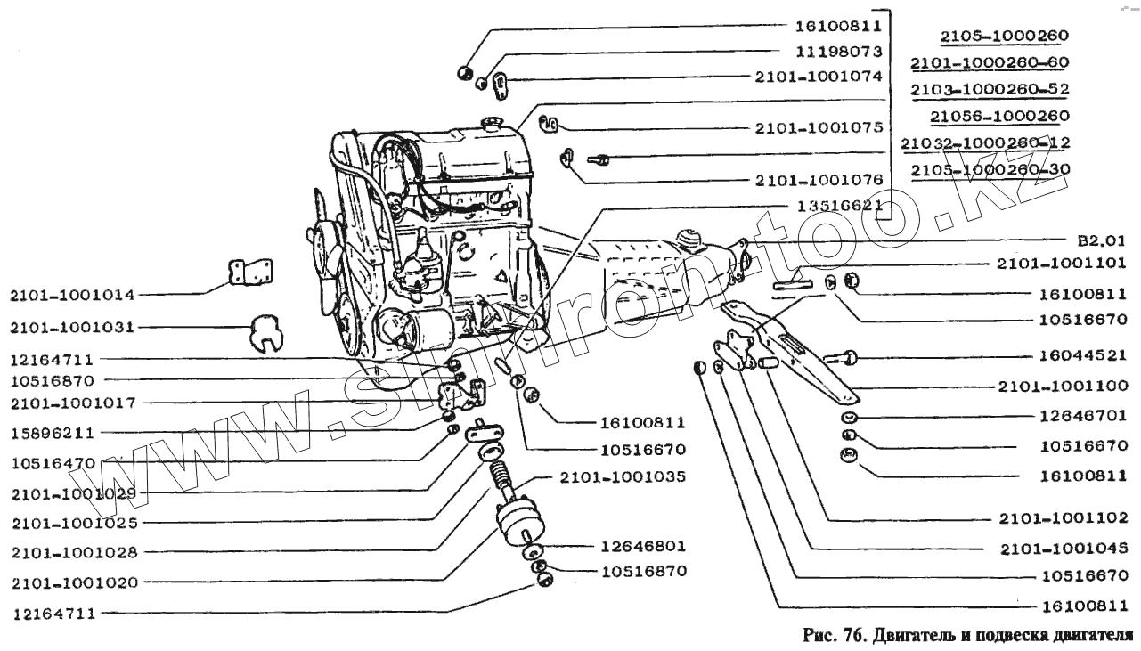
10516876
10516876
2101-1001045
2101-1001020
2101-1001100
2101-1001028
2101-1001076
2101-1001074
2101-1001075
12646801
12646701
11198073
2101-1001029
10516470
10516670
10516670
10516670
10516670
2101-1001101
13516621
21056-1000260
2101-1001035
2101-1001102
12164711
12164711
15896211
16100811
16100811
16100811
16100811
16100811
2101-1000260-60
2103-1000260-52
2105-1000260
2105-1000260-30
21032-1000260-12
16044521
2101-1001031
2101-1001025
2101-1001017
2101-1001014
| Позиция на иллюстрации | Заводской номер детали | Название детали | |
|---|---|---|---|
| 10516876 | 10516876 | Шайба 10 пружинная | |
| 2101-1001045 | 2101-1001045 | Подушка | |
| 2101-1001020 | 2101-1001020 | Подушка опоры | |
| 2101-1001100 | 2101-1001100 | Поперечина | |
| 2101-1001028 | 2101-1001028 | Пружина подушки | |
| 2101-1001076 | 2101-1001076 | Рым левый | |
| 2101-1001074 | 2101-1001074 | Рым передний | |
| 2101-1001075 | 2101-1001075 | Рым правый | |
| 12646801 | 12646801 | Шайба 10 | |
| 12646701 | 12646701 | Шайба 8 | |
| 11198073 | 11198073 | Шайба 8 пружинная коническая | |
| 2101-1001029 | 2101-1001029 | Пластина подушки | |
| 10516470 | 10516470 | Шайба 6 пружинная | |
| 10516670 | 10516670 | Шайба 8 пружинная | |
| 2101-1001101 | 2101-1001101 | Шпилька М8х15 | |
| 13516621 | 13516621 | Шпилька М8х16 | |
| 10250140 | 10250140 | Штекер внутренний | |
| 10250640 | 10250640 | Штекер внутренний | |
| 10249844 | 10249844 | Штекер наружный | |
| 10250544 | 10250544 | Штекер наружный | |
| 10249744 | 10249744 | Штекер наружный | |
| 21056-1000260 | 21056-1000260 | Двигатель | |
| 2101-1001035 | 2101-1001035 | Буфер | |
| 2101-1001102 | 2101-1001102 | Втулка распорная | |
| 12164711 | 12164711 | Гайка М10х1,25 | |
| 15896211 | 15896211 | Гайка М6 | |
| 16100811 | 16100811 | Гайка М8 | |
| 2101-1000260-60 | 2101-1000260-60 | Двигатель | |
| 2103-1000260-52 | 2103-1000260-52 | Двигатель | |
| 2105-1000260 | 2105-1000260 | Двигатель | |
| 2105-1000260-30 | 2105-1000260-30 | Двигатель | |
| 21032-1000260-12 | 21032-1000260-12 | Двигатель | |
| 16044521 | 16044521 | Болт М8х65 | |
| 2101-1001031 | 2101-1001031 | Кожух правый | |
| 2101-1001025 | 2101-1001025 | Кольцо изолирующее | |
| 2101-1001017 | 2101-1001017 | Кронштейн левый | |
| 2101-1001014 | 2101-1001014 | Кронштейн правый | |
| 10404640 | 10404640 | Наконечник | |
| 10404740 | 10404740 | Наконечник | |
| 10404840 | 10404840 | Наконечник | |
| 10404940 | 10404940 | Наконечник | |
| 10408640 | 10408640 | Наконечник |
Содержащиеся в справочниках-каталогах запасные части и детали не предлагаются к продаже, а носят исключительно информационный характер