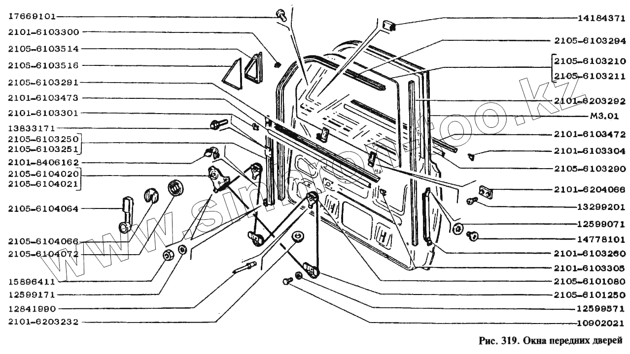
Каталог запасных частей к технике: ВАЗ-2104. Окна передних дверей
2105-6104020
2105-6104072
2105-6101080
2105-6101250
2105-6104064
2101-8406162
14184371
2105-6103211
2105-6103210
2105-6104021
2101-6204066
2101-6203292
2105-6103291
2105-6103290
2105-6103294
12599171
12599071
12599571
14778101
2105-6103516
10902021
2101-6203232
13299201
17669101
15896411
2101-6103260
2105-6103251
2105-6103250
2105-6103514
13833171
12841990
2105-6104066
2101-6103301
2101-6103300
2101-6103305
2101-6103304
2101-6103473
2101-6103472
| Позиция на иллюстрации | Заводской номер детали | Название детали | |
|---|---|---|---|
| 2105-6104020 | 2105-6104020 | Стеклоподъемник правый | |
| 2105-6104072 | 2105-6104072 | Розетка ручки стеклоподъемника | |
| 2105-6101080 | 2105-6101080 | Ролик верхний | |
| 2105-6101250 | 2105-6101250 | Ролик нижний | |
| 2105-6104064 | 2105-6104064 | Ручка стеклоподъемника | |
| 2101-8406162 | 2101-8406162 | Держатель | |
| 14184371 | 14184371 | Скоба зажимная | |
| 2105-6103211 | 2105-6103211 | Стекло левое | |
| 2105-6103210 | 2105-6103210 | Стекло правое | |
| 2105-6104021 | 2105-6104021 | Стеклоподъемник левый | |
| 2101-6204066 | 2101-6204066 | Планка прижимная | |
| 2101-6203292 | 2101-6203292 | Уплотнитель | |
| 2105-6103291 | 2105-6103291 | Уплотнитель внутренний | |
| 2105-6103290 | 2105-6103290 | Уплотнитель наружный | |
| 2105-6103294 | 2105-6103294 | Уплотнитель передний | |
| 12599171 | 12599171 | Шайба 5 стопорная | |
| 12599071 | 12599071 | Шайба 6 стопорная | |
| 12599571 | 12599571 | Шайба 6 стопорная | |
| 14778101 | 14778101 | Винт М6х8 | |
| 2105-6103516 | 2105-6103516 | Заглушка правая наружная | |
| 10902021 | 10902021 | Болт М6х12 | |
| 2101-6203232 | 2101-6203232 | Буфер | |
| 13299201 | 13299201 | Винт М5х12 | |
| 17669101 | 17669101 | Винт 3,6х12,7 самонарезающий | |
| 15896411 | 15896411 | Гайка М5 | |
| 2101-6103260 | 2101-6103260 | Желобок стекла задний | |
| 2105-6103251 | 2105-6103251 | Желобок передний левый | |
| 2105-6103250 | 2105-6103250 | Желобок передний правый | |
| 2105-6103514 | 2105-6103514 | Заглушка правая внутренняя | |
| 13833171 | 13833171 | Болт М5х10 с зубчатым буртиком | |
| 12841990 | 12841990 | Заклепка 4х6 | |
| 2105-6104066 | 2105-6104066 | Облицовка | |
| 2101-6103301 | 2101-6103301 | Облицовка уплотнителя левая | |
| 2101-6103300 | 2101-6103300 | Облицовка уплотнителя правая | |
| 2101-6103305 | 2101-6103305 | Облицовка уплотнителя левая | |
| 2101-6103304 | 2101-6103304 | Облицовка уплотнителя правая | |
| 2101-6103473 | 2101-6103473 | Окантовка стекол левая | |
| 2101-6103472 | 2101-6103472 | Окантовка стекол правая |
Содержащиеся в справочниках-каталогах запасные части и детали не предлагаются к продаже, а носят исключительно информационный характер