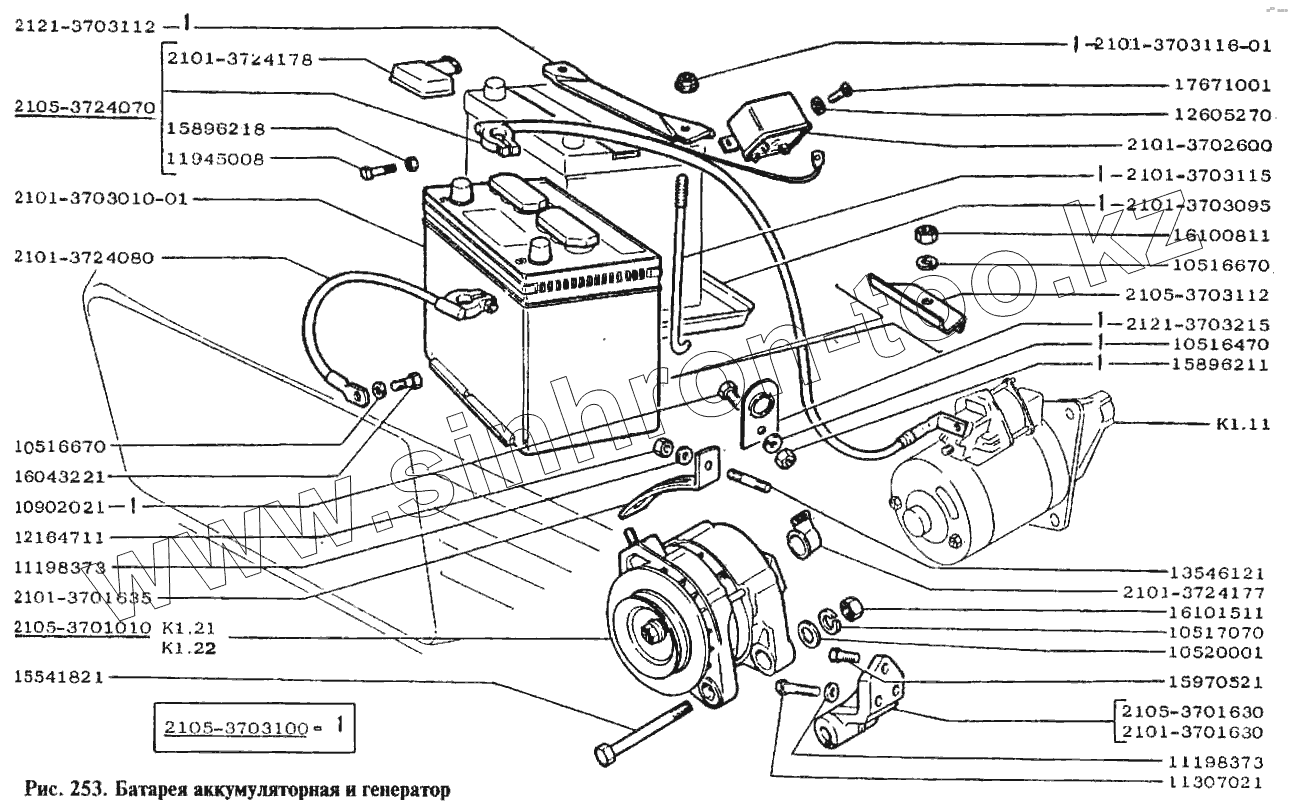
Каталог запасных частей к технике: ВАЗ-2104. Батарея аккумуляторная и генератор
11198373
11198373
2105-3703112
2121-3703112
2101-3701635
2101-3703095
2101-3724080
2121-3703215
2105-3724070
2101-3702600
2101-3703115
2101-3701630
10520001
12605270
10517070
10516470
10516670
10516670
13546121
16101511
15970521
11307021
15541821
10902021
11945008
16043221
17671001
2101-3703116-01
12164711
2101-3703010-01
15896211
15896218
16100811
2105-3701010
2101-3724178
2101-3724177
2105-3701630
1
1
1
1
1
1
1
1
1
| Позиция на иллюстрации | Заводской номер детали | Название детали | |
|---|---|---|---|
| 11198373 | 11198373 | Шайба 10 пружинная коническая | |
| 2105-3703112 | 2105-3703112 | Планка | |
| 2121-3703112 | 2121-3703112 | Планка | |
| 2101-3701635 | 2101-3701635 | Планка установочная генератора | |
| 2101-3703095 | 2101-3703095 | Поддон батареи | |
| 2101-3724080 | 2101-3724080 | Провод массы | |
| 2121-3703215 | 2121-3703215 | Проушина | |
| 2105-3724070 | 2105-3724070 | Пучок проводов | |
| 2101-3702600 | 2101-3702600 | Реле заряда | |
| 2101-3703115 | 2101-3703115 | Стяжка | |
| 2101-3701630 | 2101-3701630 | Кронштейн крепления генератора | |
| 10520001 | 10520001 | Шайба 12 | |
| 12605270 | 12605270 | Шайба 5 стопорная | |
| 10517070 | 10517070 | Шайба 12 пружинная | |
| 10516470 | 10516470 | Шайба 6 пружинная | |
| 10516670 | 10516670 | Шайба 8 пружинная | |
| 13546121 | 13546121 | Шпилька М10х1,25х20 | |
| 16101511 | 16101511 | Гайка М12х1,25 | |
| 15970521 | 15970521 | Болт М10х1,25х20 | |
| 11307021 | 11307021 | Болт М10х1,25х40 | |
| 15541821 | 15541821 | Болт М12х1,25х120 | |
| 10902021 | 10902021 | Болт М6х12 | |
| 11945008 | 11945008 | Болт М6х30 | |
| 16043221 | 16043221 | Болт М8х16 | |
| 17671001 | 17671001 | Винт 4,9х9,5 самонарезающий | |
| 2101-3703116-01 | 2101-3703116-01 | Гайка | |
| 12164711 | 12164711 | Гайка М10х1,25 | |
| 2101-3703010-01 | 2101-3703010-01 | Батарея аккумуляторная | |
| 15896211 | 15896211 | Гайка М6 | |
| 15896218 | 15896218 | Гайка М6 | |
| 16100811 | 16100811 | Гайка М8 | |
| 2105-3701010 | 2105-3701010 | Генератор | |
| 2101-3724178 | 2101-3724178 | Колпачок | |
| 2101-3724177 | 2101-3724177 | Колпачок клеммы генератора | |
| 2105-3701630 | 2105-3701630 | Кронштейн крепления генератора | |
| 1 | 2105-3703100 | Комплект |
Содержащиеся в справочниках-каталогах запасные части и детали не предлагаются к продаже, а носят исключительно информационный характер