Каталог запасных частей к технике: ВАЗ LADA Vesta. 722110. Сиденье пассажира
1
1
1
1
2
2
2
3
3
3
4
4
4
4
4
4
4
4
4
4
4
4
4
4
4
4
4
4
4
4
4
4
4
4
4
4
4
4
4
4
4
4
5
6
6
7
7
7
7
7
7
7
7
7
7
7
7
7
7
7
7
7
7
7
7
7
7
7
7
8
9
10
11
12
12
12
12
12
12
12
12
12
12
12
12
13
13
13
13
13
13
13
13
13
13
13
13
13
13
13
13
13
13
13
14
14
15
15
15
15
16
17
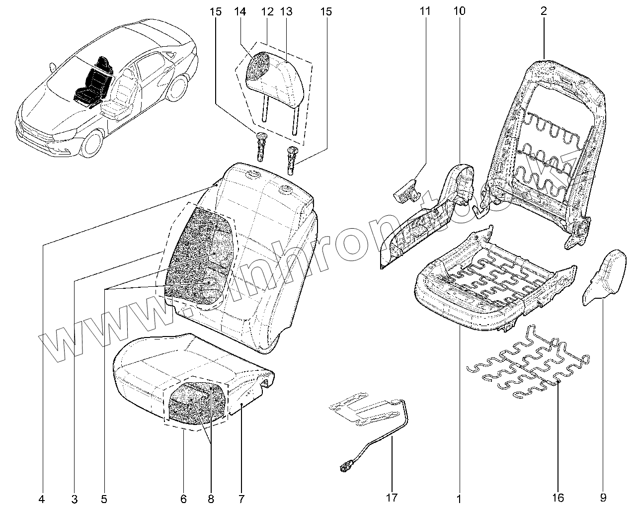
| Позиция на иллюстрации | Заводской номер детали | Название детали | |
|---|---|---|---|
| 1 | 8450102180 | Основание переднего правого сиденья | |
| 1 | 8450103914 | Основание переднего правого сиденья | |
| 1 | 8450106971 | Основание переднего правого сиденья | |
| 1 | 8450108951 | Каркас подушки переднего сидения, правый | |
| 2 | 8450102176 | Каркас спинки переднего правого сиденья | |
| 2 | 8450102177 | Каркас спинки переднего правого сиденья | |
| 2 | 8450106974 | Каркас спинки переднего правого сиденья | |
| 3 | 8450102215 | Набивка спинки переднего сиденья | |
| 3 | 8450102217 | Набивка спинки переднего сиденья с sab | |
| 3 | 8450106966 | Набивка спинки переднего левого сиденья | |
| 4 | 8450013673 | Обивка спинки пассажирского сидения | |
| 4 | 8450013674 | Обивка спинки пассажирского сидения | |
| 4 | 8450013687 | Обивка спинки пассажирского сидения | |
| 4 | 8450013694 | Обивка спинки пассажирского сидения | |
| 4 | 8450038437 | Обивка спинки переднего правого сиденья | |
| 4 | 8450038438 | Обивка спинки переднего правого сиденья | |
| 4 | 8450038449 | Обивка спинки переднего правого сиденья | |
| 4 | 8450038450 | Обивка спинки переднего сиденья | |
| 4 | 8450038451 | Обивка спинки переднего сиденья | |
| 4 | 8450102229 | Обивка спинки переднего правого сиденья | |
| 4 | 8450102238 | Обивка спинки переднего сиденья | |
| 4 | 8450102248 | Обивка спинки переднего правого сидения | |
| 4 | 8450102259 | Обивка спинки переднего правого сидения | |
| 4 | 8450102270 | Обивка спинки переднего правого сидения | |
| 4 | 8450103936 | Обивка спинки переднего правого сидения | |
| 4 | 8450103937 | Обивка спинки переднего правого сидения | |
| 4 | 8450103938 | Обивка спинки переднего правого сидения | |
| 4 | 8450103940 | Обивка спинки переднего правого сидения | |
| 4 | 8450103941 | Обивка спинки переднего правого сидения | |
| 4 | 8450106973 | Обивка спинки переднего правого сидения | |
| 4 | 8450106986 | Обивка спинки переднего правого сидения | |
| 4 | 8450108952 | Обивка спинки пассажирского сидения | |
| 4 | 8450109463 | Обивка спинки пассажирского сидения | |
| 4 | 8450109464 | Обивка спинки пассажирского сидения | |
| 4 | 8460006701 | Обивка спинки переднего правого сиденья | |
| 4 | 8460006717 | Обивка спинки переднего правого сиденья | |
| 4 | 8460008818 | Обивка спинки переднего правого сиденья | |
| 4 | 8460009008 | Обивка спинки пассажирского сидения | |
| 4 | 8460009061 | Обивка спинки пассажирского сидения | |
| 4 | 8460009138 | Обивка спинки пассажирского сидения | |
| 4 | 8460013082 | Обивка спинки пассажирского сиденья | |
| 4 | 8460013085 | Обивка спинки пассажирского сидения | |
| 5 | 8450102181 | Электрообогреватель спинки переднего сиденья | |
| 6 | 8450102218 | Набивка подушки переднего сиденья | |
| 6 | 8450106963 | Набивка подушки переднего левого сиденья | |
| 7 | 8450013664 | Обивка подушки пассажирского сидения | |
| 7 | 8450013665 | Обивка подушки пассажирского сидения | |
| 7 | 8450013688 | Обивка подушки пассажирского сидения | |
| 7 | 8450013695 | Обивка подушки пассажирского сидения | |
| 7 | 8450038435 | Обивка подушки переднего правого сиденья | |
| 7 | 8450038436 | Обивка подушки переднего правого сиденья | |
| 7 | 8450102232 | Обивка подушки переднего правого сиденья | |
| 7 | 8450102241 | Обивка подушки переднего правого сиденья | |
| 7 | 8450102251 | Обивка подушки переднего правого сиденья | |
| 7 | 8450102262 | Обивка подушки переднего правого сиденья | |
| 7 | 8450102273 | Обивка подушки переднего правого сиденья | |
| 7 | 8450102283 | Обивка подушки переднего правого сиденья | |
| 7 | 8450103916 | Обивка подушки переднего правого сиденья | |
| 7 | 8450103943 | Обивка подушки переднего правого сиденья | |
| 7 | 8450103945 | Обивка подушки переднего правого сиденья | |
| 7 | 8450103946 | Обивка подушки переднего правого сиденья | |
| 7 | 8450106970 | Обивка подушки переднего правого сиденья | |
| 7 | 8450108949 | Обивка подушки пассажирского сидения | |
| 7 | 8450109461 | Обивка подушки пассажирского сидения | |
| 7 | 8450109462 | Обивка подушки пассажирского сидения | |
| 7 | 8460006700 | Обивка подушки переднего правого сиденья | |
| 7 | 8460006716 | Обивка подушки переднего правого сиденья | |
| 7 | 8460008817 | Обивка подушки переднего правого сиденья | |
| 7 | 8460009009 | Обивка подушки пассажирского сидения | |
| 8 | 8450102182 | Электрообогреватель подушки переднего сиденья | |
| 9 | 8450102190 | Облицовка правого сиденья внутренняя | |
| 10 | 8450102193 | Облицовка правого сиденья наружняя | |
| 11 | 8450102195 | Ручка механизма наклона спинки правого переднего сиденья | |
| 12 | 8450013679 | Подголовник передний в сборе с обивкой | |
| 12 | 8450013681 | Подголовник передний в сборе с обивкой | |
| 12 | 8450038434 | Подголовник передний в сборе с обивкой | |
| 12 | 8450102197 | Подголовник передний в сборе с обивкой | |
| 12 | 8450102198 | Подголовник передний в сборе с обивкой | |
| 12 | 8450102199 | Подголовник передний в сборе с обивкой | |
| 12 | 8450102200 | Подголовник передний в сборе с обивкой | |
| 12 | 8450102201 | Подголовник передний в сборе с обивкой | |
| 12 | 8450102202 | Подголовник передний в сборе с обивкой | |
| 12 | 8450108940 | Подголовник передний в сборе | |
| 12 | 8460009006 | Подголовник передний в сборе с обивкой | |
| 12 | 8460009080 | Подголовник передний в сборе с обивкой | |
| 13 | 8450013653 | Обивка подголовника переднего сиденья | |
| 13 | 8450013654 | Обивка переднего подголовника | |
| 13 | 8450038431 | Обивка подголовника переднего сиденья | |
| 13 | 8450038432 | Обивка подголовника переднего сиденья | |
| 13 | 8450038444 | Обивка подголовника переднего сиденья | |
| 13 | 8450102231 | Обивка подголовника переднего сиденья | |
| 13 | 8450102240 | Обивка подголовника переднего сиденья | |
| 13 | 8450102250 | Обивка подголовника переднего сиденья | |
| 13 | 8450102261 | Обивка подголовника переднего сиденья | |
| 13 | 8450102272 | Обивка подголовника переднего сиденья | |
| 13 | 8450102284 | Обивка подголовника переднего сиденья | |
| 13 | 8450103932 | Подголовник передний в сборе с обивкой | |
| 13 | 8450103933 | Подголовник передний в сборе с обивкой | |
| 13 | 8450106961 | Обивка переднего подголовника | |
| 13 | 8450108939 | Обивка подголовника переднего сиденья | |
| 13 | 8460006721 | Обивка подголовника переднего сиденья | |
| 13 | 8460008813 | Обивка переднего подголовника(спорт) | |
| 13 | 8460009007 | Обивка переднего подголовника | |
| 13 | 8460009081 | Обивка переднего подголовника | |
| 14 | 8450103414 | Каркас переднего подголовника в сборе с набивкой | |
| 14 | 8450106962 | Подголовник передний в сборе с обивкой | |
| 15 | 8450102183 | Направляющая подголовника переднего сиденья с кнопкой | |
| 15 | 8450102184 | Направляющая подголовника переднего сиденья без кнопки | |
| 16 | 8450107761 | Пружины подушки | |
| 17 | 8450106994 | Датчик наличия пассажира |
Содержащиеся в справочниках-каталогах запасные части и детали не предлагаются к продаже, а носят исключительно информационный характер