Каталог запасных частей к технике: УАЗ-3741. Карбюратор
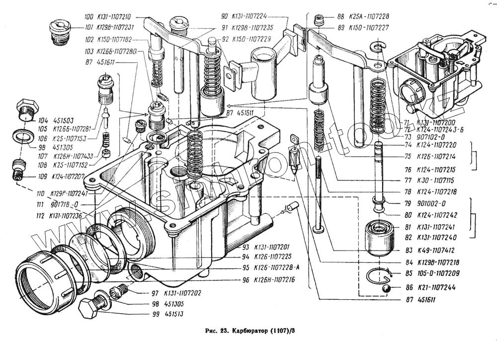
71
72
73
74
75
76
77
78
79
80
81
82
83
84
85
86
87
88
89
90
91
92
93
94
95
96
97
98
99
100
101
102
103
104
105
106
107
108
109
110
111
112
| Позиция на иллюстрации | Заводской номер детали | Название детали | |
|---|---|---|---|
| 71 | К131-1107200 | Корпус карбюратора в сборе | |
| 72 | К124-1107243-Б | Замок штока экономайзера | |
| 73 | 907102-0 | Пружина штока экономайзера | |
| 74 | К124-1107220 | Планка привода ускорительного насоса со штоком в сборе | |
| 75 | К126-1107214 | Направляющая штока экономайзера | |
| 76 | К124-1107215 | Планка привода ускорительного насоса в сборе | |
| 77 | К30-1107115 | Пружина утопителя ускорительного насоса | |
| 78 | К124-1107218 | Шток привода экономайзера | |
| 79 | 901002-0 | Шайба 5,2х0,5 | |
| 80 | К124-1107242 | Шток | |
| 81 | К131-1107241 | Поршень экономайзера | |
| 82 | К131-1107240 | Поршень экономайзера в сборе | |
| 83 | К49-1107412 | Замок клапана ускорительного насоса | |
| 84 | К129В-1107218 | Клапан нагнетательный ускорительного насоса | |
| 85 | 105-0-1107209 | Кольцо стопорное поршня экономайзера | |
| 86 | К21-1107244 | Шарик | |
| 87 | 451611 | Заглушка | |
| 88 | К25А-1107228 | Гайка установочная | |
| 89 | К 150-1107227 | Пружина малого диффузора | |
| 90 | К131-1107224 | Диффузор малый | |
| 91 | К129В-1107235 | Жиклер воздушный .главной системы в сборе | |
| 92 | К150-1107229 | Прокладка малого диффузора | |
| 93 | К131-1107201 | Корпус карбюратора | |
| 94 | К126-1107225 | Стекло смотрового окна поплавковой камеры | |
| 95 | К126-1107228-А | Прокладка стекла | |
| 96 | К126Н-1107216 | Гайка смотрового окна | |
| 97 | К131-1107202 | Жиклер главный топливный | |
| 98 | 451305 | Прокладка пробки | |
| 99 | 451513 | Пробка М10х1х7 | |
| 100 | К131-1107210 | Привод ускорительного насоса в сборе | |
| 101 | К129В-1107231 | Жиклер главный воздушный | |
| 102 | К150-1107182 | Винт | |
| 103 | К126Б-1107280 | Клапан экономайзера в сборе | |
| 104 | 451503 | Пробка М10х1х7 воздушного жиклера | |
| 105 | К126Б-1107281 | Корпус клапана экономайзера | |
| 106 | К25-1107153 | Клапан экономайзера | |
| 107 | К126Н-1107433 | Пружина | |
| 108 | К25-1107152 | Замок клапана экономайзера | |
| 109 | К124-1107207 | Жиклер топливный холостого хода | |
| 110 | К129Р-1107241 | Жиклер воздушный холостого хода | |
| 111 | 901718-0 | Прокладка клапана экономайзера | |
| 112 | К131-1107236 | Пружина штока привода ускорительного насоса |
Содержащиеся в справочниках-каталогах запасные части и детали не предлагаются к продаже, а носят исключительно информационный характер