Вернуться на главную
Поиск
Каталоги запчастей к технике
Легковые автомобили
УАЗ
УАЗ-37419
Привод распределителя зажигания и масляного насоса
Каталог запасных частей к технике: УАЗ-37419. Привод распределителя зажигания и масляного насоса
zoom-in
zoom-out
enlarge
shrink
circle-right
circle-left
file-text2
info
cart
Тип техники
Не выбрано
Легковые автомобили
Грузовые автомобили и прицепы
Автобусы
Сельхозтехника
Спецтехника
Двигатели
Мототехника
Марка
Не выбрано
BYD
Chevrolet
Daewoo
Geely
Great Wall
Hyundai
Lifan
Tata
АЗЛК
ВАЗ
ГАЗ
ЗАЗ
ЗИЛ
ИЖ
ЛуАЗ
РАФ
УАЗ
Модель
Не выбрано
4CT90-1ME
UAZ Patriot (2007)
Кондиционер UAZ Patriot (2007)
КПП (Арзамас)
Патриот КЛАССИК (2020)
Патриот КОМФОРТ (2020)
Патриот ЛИМИТЕД 316300-0000305-11 (2020)
Патриот ПИКАП (2020)
Профи (2009)
Профи Стандарт (236324-0000014-00) (2020)
Профи Стандарт (236324-0000100-00) (2020)
Профи Стандарт (236324-0001214-00) (2020)
УАЗ 3741 (каталог 2002 г.) (2002)
УАЗ Patriot (2005)
УАЗ-2206
УАЗ-3151 (1993)
УАЗ-31512 (2002)
УАЗ-31514 (2002)
УАЗ-31519 (2002)
УАЗ-31519 (2005)
УАЗ-31519 (2007)
УАЗ-3160 (2002)
УАЗ-3303
УАЗ-3741
УАЗ-37419 (2009)
УАЗ-3962
Схема
>
Не выбрано
Кузов в сборе, кабина в сборе
Подвеска кузова и кабины
Настил и коврики пола
Настил и коврики пола
Кожухи пола, коврики пола, шумоизоляция пола
Стеклоочиститель и привод
Стекло, уплотнители ветрового окна, смыватель
Передок, ящик вещевой, вентиляция передка
Термошумоизоляция передка, обивка боковины
Окно боковины поворотное
Термошумоизоляция боковины, обивка задка, окно задка
Обивка крыши
Термошумоизоляция крыши
Дверь передняя в сборе, окно передней двери
Механизм перемещения стекла передней двери, замок и ручки передней двери
Навеска и уплотнитель передней двери
Дверь задняя в сборе, обивка и окно задней двери
Замок, ручки, навеска и уплотнитель задней двери
Дверь задка, уплотнители, обивка, замок и ручки двери задка
Замок и ручки двери задка
Навеска и окно двери задка
Сиденье водителя
Сиденье заднее и сиденье откидное
Сиденье одноместное
Сиденье трехместное в сборе
Перегородка кузова в сборе и окно перегородки (для автомобиля УАЗ-396294, УАЗ-396295)
Сиденье сопровождающего и стол (для автомобиля УАЗ-396294, УАЗ-396295)
Крепление специального оборудования
Отопление кузова и трубопроводы
Отопление кузова
Отопление кузова (для автомобилей УАЗ-396294, УАЗ-396254, УАЗ-220694, УАЗ-390994, УАЗ-396295, УАЗ-396255, УАЗ-220695, УАЗ-390995)
Зеркало, держатель (поручень) и крючки для одежды, козырек противоеолнечный, отражатели света
Чехлы, орнаменты и надписи
Ремни безопасности
Облицовка радиатора, капот и подножка
Платформа в сборе
Основание платформы
Основание платформы
Борт платформы боковой
Борт платформы задний
Борт платформы передний
Запоры бортов
Тент платформы
Двигатель в сборе
Подвеска двигателя
Блок цилиндров двигателя
Головка цилиндров двигателя
Поршень и шатун
Вал коленчатый и маховик
Вал распределительный
Клапаны и толкатели клапанов
Клапаны и толкатели клапанов
Газопроводы впускной и выпускной
Газопроводы впускной и выпускной
Картер масляный
Маслоприемник и масляный насос
Фильтр очистки масла и радиатор масляный
Вентиляция картера
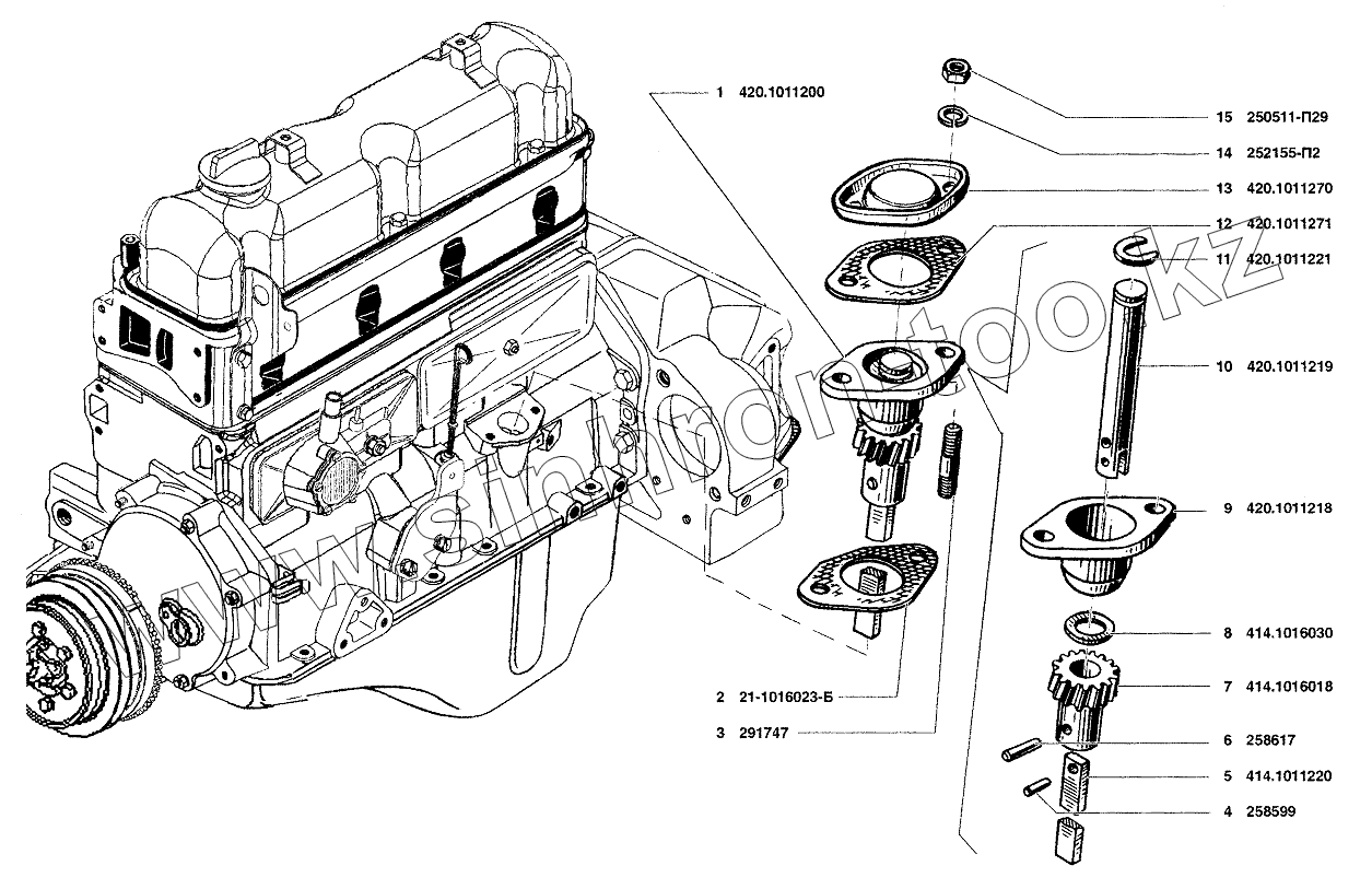
Привод распределителя зажигания и масляного насоса
Двигатель в сборе
Подвеска двигателя
Блок цилиндров двигателя
Головка цилиндров двигателя
Поршень и шатун
Вал коленчатый и маховик
Вал распределительный
Клапаны и толкатели клапанов
Газопровод впускной и выпускной
Картер масляный
Маслоприемник и масляный насос
Фильтр очистки масла и радиатор масляный
Радиатор масляный, вентиляция картера
Бак топливный
Трубопроводы топливные
Трубопроводы топливные
Трубопроводы топливные
Акселератор (управление подачей топлива)
Фильтр воздушный двигателя
Фильтр тонкой очистки топлива, насос топливный низкого давления электрический
Регулятор подачи дополнительного воздуха
Улавливатель и магистрали паров топлива
Улавливатель и магистрали паров топлива
Улавливатель и магистрали паров топлива
Бак топливный
Трубопроводы топливные
Трубопроводы топливные
Акселератор (управление подачей топлива)
Фильтр воздушный двигателя
Фильтр тонкой очистки топлива, насос топливный низкого давления электрический
Оборудование для впрыска топлива с электронным управлением, клапан редукционный
Улавливатель и магистрали паров топлива
Глушитель, резонатор, трубы и подвеска глушителя выхлопа
Глушитель, резонатор, трубы и подвеска глушителя выхлопа, нейтрализатор выхлопных газов
Радиатор, подвеска радиатора
Трубопроводы и шланги, пробка радиатора
Термостат
Насос системы охлаждения
Вентилятор, бачок расширительный
Радиатор
Трубопроводы и шланги, пробка радиатора
Термостат, насос системы охлаждения
Вентилятор
Бачок расширительный
Сцепление
Сцепление
Привод выключения сцепления
Привод выключения сцепления
Привод выключения сцепления
Сцепление
Привод выключения сцепления
Привод выключения сцепления
Привод выключения сцепления
Коробка передач в сборе
Коробка передач
Коробка передач
Коробка передач
Механизм переключения передач
Привод управления механизмом переключения передач
Привод управления механизмом переключения передач
Коробка раздаточная в сборе, подвеска раздаточной коробки
Коробка раздаточная
Коробка раздаточная
Механизм переключения передач
Привод управления механизмом переключения передач
Вал карданный заднего моста
Вал карданный переднего моста
Мост передний ведущий в сборе
Картер и кожухи полуосей переднего моста, дифференциал переднего моста
Картер и кожухи полуосей переднего моста, дифференциал переднего моста
Кулаки поворотные
Кулаки поворотные
Кулаки поворотные
Кулаки поворотные
Кулаки поворотные
Мост задний ведущий в сборе, картер и кожухи полуосей заднего моста
Мост задний ведущий в сборе, картер и кожухи полуосей заднего моста
Передача главная переднего и заднего мостов
Дифференциал и полуоси заднего моста
Дифференциал и полуоси заднего моста
Рама, брызговики
Буфер передний, буфер задний
Рама, брызговики
Буфер передний, буфер задний
Рессоры передние
Рессоры передние
Амортизаторы передние
Амортизаторы передние
Рессоры задние
Амортизаторы задние
Колеса
Держатель запасного колеса
Управление рулевое в сборе
Управление рулевое в сборе
Колесо рулевого управления
Тяги рулевые
Тяги рулевые (с передними мостами 3741-2300011-31, 3741-2300011-51)
Тормоза рабочие передние и тормозные барабаны (для моста 3741-2300011-21)
Тормоза рабочие передние и тормозные диски (для моста 3741-2300011-51)
Тормоза рабочие задние и тормозные барабаны (для моста 3741-2400010-20)
Тормоза рабочие задние и тормозные барабаны (для моста 3741-2400010-70)
Педаль и привод механизма управлени тормозами
Цилиндр главный тормозов
Трубопроводы
Трубопроводы
Трубопроводы
Трубопроводы
Тормоз стояночный
Привод стояночнного тормоза
Усилитель тормоза вакуумный
Регулятор давления
Тормоза рабочие передние и тормозные барабаны (для моста 3741-2300011-21)
Тормоза рабочие передние и тормозные диски (для моста 3741-2300011-51)
Тормоза рабочие задние и тормозные барабаны (для моста 3741-2400010-20)
Тормоза рабочие задние и тормозные барабаны (для моста 3741-2400010-70)
Педаль и привод механизма управлени тормозами
Цилиндр главный тормозов
Тормоз стояночный
Привод стояночнного тормоза
Усилитель тормоза пневматический (вакуумный)
Регулятор давления
Трубопроводы
Трубопроводы
Трубопроводы
Трубопроводы
Генератор
Генератор
Батарея аккумуляторная, Выключатель зажигания
Свечи и провода зажигания
Свечи и провода зажигания
Стартер
Стартер
Стартер
Стартер
Переключатели и выключатели
Фары, Фонари передние
Плафон внутреннего освещения кузова, лампа переносная, фонари задние
Фонари задние, фонарь освещения номерного знака, гидрокорректор
Выключатель сигнала торможения, сигнал звуковой
Предохранители электрических цепей и соединители электропроводов
Электропровода (для автомобилей УАЗ-220694, УАЗ-374194.УАЗ-390994, УАЗ-396254, УАЗ-396294, УАЗ-220695, УАЗ-374195.УАЗ-390995, УАЗ-396255, УАЗ-396295 УАЗ-374195.УАЗ-390995)
Электропровода (для автомобилей УАЗ-330394, УАЗ-330364, УАЗ-390944, УАЗ-330395, УАЗ-330365, УАЗ-390945)
Электропровода (для автомобилей УАЗ-220694, УАЗ-374194.УАЗ-390994, УАЗ-396254, УАЗ-396294, УАЗ-220695, УАЗ-374195.УАЗ-390995, УАЗ-396255, УАЗ-396295 УАЗ-374195.УАЗ-390995)
Электропровода (для автомобилей УАЗ-330394, УАЗ-330364, УАЗ-390944, УАЗ-330395, УАЗ-330365, УАЗ-390945)
Указатель поворота боковой, выключатель "массы", реле, блоки управления
Спидометр, фонари контрольных ламп, щиток приборов
Приемник указателя температуры, датчик температуры, датчик давления масла, датчик фазы, датчик детонаций (Вар.1)
Приемник указателя температуры, датчик температуры, датчик давления масла, датчик фазы, датчик детонаций (Вар.2)
Валы гибкие, приборы специальные, датчик указателя уровня топлива, датчик скорости, датчик детонаций
Инструмент водителя и принадлежности, домкрат
1
2
3
4
5
6
7
8
9
10
11
12
13
14
15
Позиция на иллюстрации
Заводской номер детали
Название детали
1
420.10112
Привод масляного насоса
2
21-1016023-Б
Прокладка
3
291747
Шпилька М8х1х22
4
258599
Штифт 3х12
5
414.101122
Пластина привода масляного насоса
6
258617
Штифт 4х25
7
414.1016018
Шестерня привода распределителя
8
414.101603
Шайба 13
9
420.1011218
Корпус привода масляного насоса
10
420.1011219
Валик привода масляного насоса
11
420.1011221
Шайба привода масляного насоса
12
420.1011271
Прокладка привода масляного насоса
13
420.101127
Крышка привода масляного насоса
14
252155-П2
Шайба 8 пружинная
15
250511-П29
Гайка М8х1
Содержащиеся в справочниках-каталогах запасные части и детали не предлагаются к продаже, а носят исключительно информационный характер
Дополнительная информация
×
Название:
Номер:
Примечание: