Вернуться на главную
Поиск
Каталоги запчастей к технике
Легковые автомобили
УАЗ
УАЗ-3160
Электропровода
Каталог запасных частей к технике: УАЗ-3160. Электропровода
zoom-in
zoom-out
enlarge
shrink
circle-right
circle-left
file-text2
info
cart
Тип техники
Не выбрано
Легковые автомобили
Грузовые автомобили и прицепы
Автобусы
Сельхозтехника
Спецтехника
Двигатели
Мототехника
Марка
Не выбрано
BYD
Chevrolet
Daewoo
Geely
Great Wall
Hyundai
Lifan
Tata
АЗЛК
ВАЗ
ГАЗ
ЗАЗ
ЗИЛ
ИЖ
ЛуАЗ
РАФ
УАЗ
Модель
Не выбрано
4CT90-1ME
UAZ Patriot (2007)
Кондиционер UAZ Patriot (2007)
КПП (Арзамас)
Патриот КЛАССИК (2020)
Патриот КОМФОРТ (2020)
Патриот ЛИМИТЕД 316300-0000305-11 (2020)
Патриот ПИКАП (2020)
Профи (2009)
Профи Стандарт (236324-0000014-00) (2020)
Профи Стандарт (236324-0000100-00) (2020)
Профи Стандарт (236324-0001214-00) (2020)
УАЗ 3741 (каталог 2002 г.) (2002)
УАЗ Patriot (2005)
УАЗ-2206
УАЗ-3151 (1993)
УАЗ-31512 (2002)
УАЗ-31514 (2002)
УАЗ-31519 (2002)
УАЗ-31519 (2005)
УАЗ-31519 (2007)
УАЗ-3160 (2002)
УАЗ-3303
УАЗ-3741
УАЗ-37419 (2009)
УАЗ-3962
Схема
>
Не выбрано
Кузов в сборе
Крепление кузова к раме
Термошумоизоляция кузова
Пол и каркас пола, каркас панели
Коврики пола и багажника
Коврики пола и багажника, уплотнители пола
Стеклоочиститель и привод
Окно ветровое, омыватель
Обивка боковины, окно боковины, люк боковины
Обивка крыши
Двери передние в сборе, обивка передней двери, окно передней двери
Механизм перемещения стекла передней двери
Замок и ручки передней двери, навеска передней двери, уплотнение передней двери
Дверь задняя в сборе, обивка задней двери, окно задней двери
Механизм перемещения стекла задней двери
Замок и ручки задней двери, навеска задней двери, уплотнение задней двери
Дверь задка в сборе, обивка двери задка, окно двери задка
Замок и ручки двери задка
Навеска двери задка, уплотнители двери задка, стеклоочиститель двери задка
Сиденье переднее
Сиденье заднее
Сиденье откидное
Отопитель
Обогрев ветрового стекла, вентиляция кузова, обогрев боковых стекол кузова
Управление отопителем кузова
Воздухозаборник
Зеркала, поручни, крючки для одежды, козырьки противосолнечные, световозвращатели, молдинг крыши
Ремни безопасности
Капот, облицовка радиатора
Механизмы капота, навеска и упор капота, термошумоизоляция оперения
Крыло переднее, фартуки
Подножка
Двигатель в сборе (изображение отсутствует)
Подвеска двигателя
Блок цилиндров
Головка блока цилиндров с клапанами
Поршень и шатун
Вал коленчатый и маховик
Вал распределительный
Клапаны и толкатели
Газопроводы впускной и выпускной
Газопроводы впускной и выпускной
Картер масляный
Маслоприемник и масляный насос
Фильтр очистки масла, радиатор масляный
Вентиляция картера
Устройства пусковые подогревательные (устанавливается по отдельным заказам)
Привод распределителя зажигания и масляного насоса
Баки топливные, пробка топливного бака
Трубопроводы топливные и насос топливный низкого давления электрический
Трубопроводы топливные и насос топливный низкого давления электрический
Трубопроводы топливные и насос топливный низкого давления электрический
Фильтр грубой очистки топлива, клапан топливный электромагнитный, фильтр тонкой очистки топлива
Насос топливный
Карбюратор К151Л
Карбюратор К151Л
Карбюратор К151Л
Карбюратор К151Л
Карбюратор К151Л
Привод управления дроссельной и воздушной заслонками
Фильтр воздушный
Глушитель выхлопа, резонатор, трубы и подвеска глушителя выхлопа, система рециркуляции отработавших газов
Радиатор, подвеска радиатора, трубопроводы и шланги, пробка радиатора, краник сливной
Термостат, насос системы охлаждения, вентилятор, кожух вентилятора, бачок расширительный
Бачек расширительный
Сцепление
Сцепление
Привод выключения сцепления
Привод выключения сцепления
Коробка передач в сборе (четырехступенчатая и пятиступенчатая)
Коробка передач (четырехступенчатая)
Коробка передач (четырехступенчатая)
Коробка передач (четырехступенчатая)
Механизм переключения передач (четырехступенчатой коробки)
Коробка передач (пятиступенчатая)
Коробка передач (пятиступенчатая)
Коробка передач (пятиступенчатая)
Механизм переключения передач (пятиступенчатой коробки)
Коробка раздаточная в сборе и ее подвеска
Коробка раздаточная
Коробка раздаточная
Механизм переключения передач
Вал карданный заднего моста
Вал карданный переднего моста
Мост передний ведущий в сборе, картер и кожухи полуосей переднего моста
Передача главная
Дифференциал переднего моста
Кулаки поворотные
Кулаки поворотные
Кулаки поворотные
Мост задний ведущий в сборе, картер и кожухи полуосей
Дифференциал и полуоси заднего моста
Рама, брызговики двигателя
Бампер передний, бампер задний, крепление переднего номерного знака, креплеие заднего номерного знака
Подвеска передняя в сборе, амортизаторы передней подвески
Амортизаторы передней подвески
Стабилизатор поперечной устойчивости, штанги передней подвески
Рессоры задние
Амортизаторы задние
Амортизаторы задние
Колеса, ступицы передних колес, ступицы задних колес
Держатель запасного колеса, покрышки и камеры
Управление рулевое в сборе
Управление рулевое, колесо рулевого управления, крепление рулевого управления
Насос усилителя рулевого управления, трубопроводы и шланги рулевого управления, бак масляный рулевого управления
Тяги рулевые
Управление рулевое в сборе
Управление рулевое
Тормоза рабочие передние
Тормоза рабочие задние и тормозные барабаны
Педаль и привод механизма управления тормозами, цилиндр главный гидравлических тормозов
Цилиндр главный гидравлических тормозов
Трубопроводы гидравлических тормозов, регулятор давления
Тормоз стояночный
Привод механизма управления стояночным тормозом
Усилитель вакуумный тормоза
Усилитель вакуумный тормоза, трубопровод вакуумного усилителя
Генератор
Батарея аккумуляторная, выключатель зажигания
Катушка зажигания, свечи и провода зажигания
Катушка зажигания, распределитель зажигания
Распределитель зажигания
Распределитель зажигания, свечи и провода зажигания
Стартер
Стартер
Стартер
Переключатели, выключатели
Фары, указатели поворота, гидрокорректор, фары противотуманные
Патроны ламп, приборы освещения, фонари, выключатели сигнала торможения, сигналы звуковые, предохранители, соединители электропроводов, прикуриватель, катафот двери
Фонари задние, фонарь освещения номерного знака
Электропровода
Электропровода
Электропровода
Электропровода
Устройства блокировочные, коммутатор транзисторный, электрооборудование пусковых подогревателей и отопительных устройств (устанавливается в комплектации с отопителем-подогревателем), реле разного назначения, фароочиститель, блоки управления
Комбинация приборов, часы (устанавливается в зависимости от комплектации), вал гибкий спидометра, наклономеры, креномеры и указатели центра тяжести (устанавливается в зависимости от комплектации)
Датчики указателей уровня топлива, температуры, давления масла, фазы, детонации, индуктивности, массового расхода топлива, углового положения дроссельной заслонки и регулятор холостого хода
Радиооборудование, ограждение переднее
Инструмент водителя и принадлежности
Приспособления
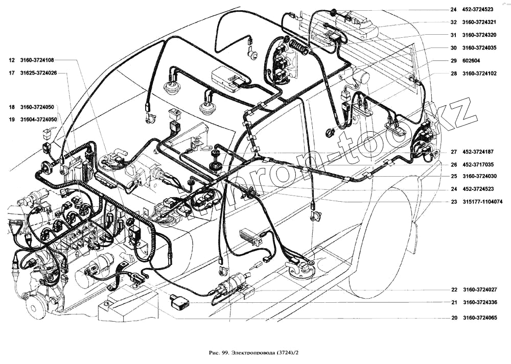
3160-3724108
17
18
19
20
21
22
23
24
24
25
26
27
28
29
30
31
32
Позиция на иллюстрации
Заводской номер детали
Название детали
3160-3724108
3160-3724108
Скоба крепления жгута проводов
17
31625-3724026
Жгут проводов КМПСУД
18
3160-3724050
Провод от аккумуляторной батареи к стартеру
19
31604-3724050
Провод от аккумуляторной батареи к стартеру
20
3160-3724065
Провод соединения двигателя с "массой"
21
3160-3724336
Колпачок защитный клеммы аккумуляторной батареи
22
3160-3724027
Провод «массы» электробензонасоса
23
315177-1104074
Хомут
24
452-3724523
Втулка
25
3160-3724030
Жгут проводов по кузову
26
452-3717035
Уплотнитель
27
452-3724187
Втулка уплотнительная
28
3160-3724102
Скоба крепления жгута проводов
29
602604
Колодка гнездовая
30
3160-3724035
Жгут проводов освещения салона
31
3160-3724320
Трубка защитная
32
3160-3724321
Кольцо защитное
Содержащиеся в справочниках-каталогах запасные части и детали не предлагаются к продаже, а носят исключительно информационный характер
Дополнительная информация
×
Название:
Номер:
Примечание: