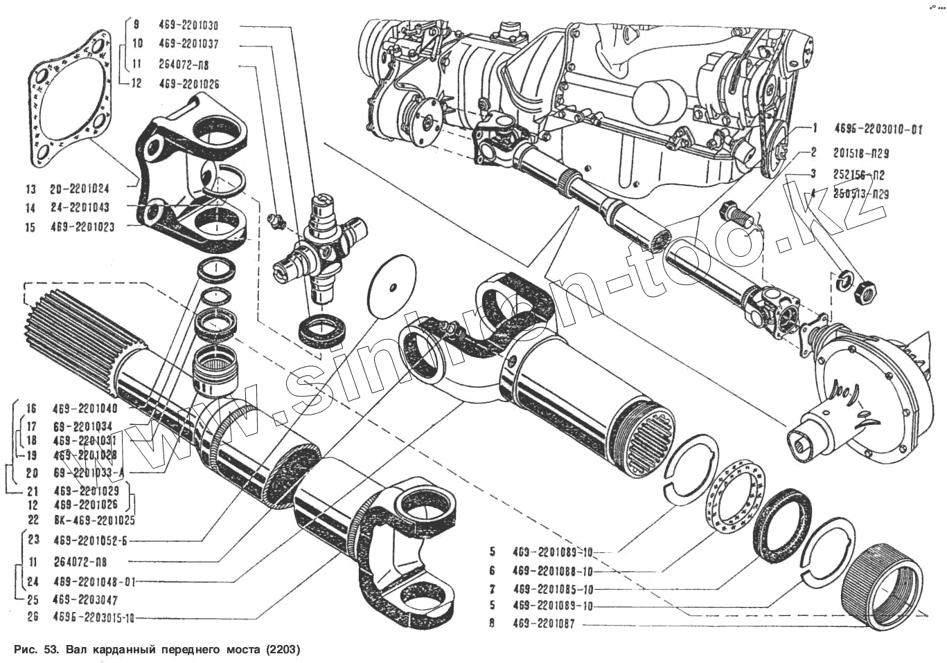
Каталог запасных частей к технике: УАЗ-3151. Вал карданный переднего моста
1
2
3
4
5
6
7
8
9
10
11
12
13
14
15
16
17
18
19
20
21
22
23
24
25
26
| Позиция на иллюстрации | Заводской номер детали | Название детали | |
|---|---|---|---|
| 1 | 469Б-2203010-01 | Вал карданный переднего моста в сборе | |
| 2 | 201518-П29 | Болт М10х1х25 крепления вала заднего моста | |
| 3 | 252156-П2 | Шайба 10 пружинная | |
| 4 | 250513-П29 | Гайка М10х1 | |
| 5 | 469-2201089 | Кольцо сальника скользящей вилки карданного вала переднего моста | |
| 6 | 469-2201088-10 | Кольцо уплотнительное сальника скользящей вилки карданного вала заднего моста внутреннее | |
| 7 | 469-2201085-10 | Кольцо уплотнительнос сальника скользящей вилки карданного вала заднего моста наружное | |
| 8 | 469-2201087 | Обойма сальника скользящей вилки карданного вала заднего моста | |
| 9 | 469-2201030 | Крестовина карданного вала заднего моста в сборе | |
| 10 | 469-2201037 | Уплотнитель подшипника карданного вала заднего моста | |
| 11 | 264072-П8 | Масленка 1,1 | |
| 12 | 469-2201026 | Крестовина карданного вала переднего моста с уплотнителем в сборе | |
| 13 | 20-2201024 | Прокладка фланца карданного вала толщиной 0,3 мм | |
| 14 | 24-2201043 | Кольцо стопорное роликоподшипника | |
| 15 | 469-2201023 | Фланец карданного вала заднего моста | |
| 16 | 469-2201040 | Кольцо защитное манжеты крестовины карданного вала заднего моста | |
| 17 | 69-2201034 | Пружина манжеты крестовины карданного вала заднего моста | |
| 18 | 469-2201031 | Манжета крестовины карданного вала заднего моста | |
| 19 | 469-2201028 | Манжета крестовины карданного вала заднего моста с пружинен в сборе | |
| 20 | 69-2201033-А | Роликоподшипник игольчатый карданного вала заднего моста | |
| 21 | 469-2201029 | Роликоподшипник игольчатый карданного вала задзаднего моста с манжетой в сборе | |
| 22 | ВК-469-2201025 | Крестовина карданного вала с уплотнителями и подшипниками в сборе (комплект для запасных частей) | |
| 23 | 469-2201052-1 | Заглушка скользящей вилки карданного вала переднего моста | |
| 24 | 469-2201048-01 | Вилка скользящая карданного вала заднего моста | |
| 25 | 469-2203047 | Вилка скользящая карданного вала переднего моста с заглушкой в сборе | |
| 26 | 469Б-2203015-10 | Вал карданный переднего моста в сборе |
Содержащиеся в справочниках-каталогах запасные части и детали не предлагаются к продаже, а носят исключительно информационный характер