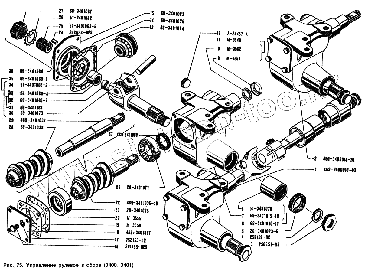
Каталог запасных частей к технике: УАЗ-3151. Управление рулевое в сборе
1
2
3
4
5
6
7
8
9
10
11
12
13
14
15
16
17
18
19
20
21
22
23
24
25
26
27
28
29
30
31
32
33
34
35
36
37
| Позиция на иллюстрации | Заводской номер детали | Название детали | |
|---|---|---|---|
| 1 | 469-3400013-10 | Рулевое управление без рулевого колеса и сошки в сборе | |
| 2 | 469-3400014-10 | Рулевое управление без колонки, рулевого колеса и сошки в сборе | |
| 3 | 250651-П8 | Гайка М22х1,5 | |
| 4 | 252162-П2 | Шайба 22 пружинная | |
| 5 | 20-3401023-Б | Сальник вала сошки в сборе | |
| 6 | 69-3401010-10 | Картер рулевого управления со втулкой в сборе | |
| 7 | 69-3401015-10 | Картер рулевого управления | |
| 8 | 51-3401076 | Втулка вала сошки рулевого управления | |
| 9 | М-3559 | Держатель сальника горловины картера | |
| 10 | М-3562 | Набивка сальника горловины картера | |
| 11 | М-3549 | Сальник горловины картера рулевого управления в сборе | |
| 12 | А-24457-А | Пробка КГ маслосливного и маслоналивного отверстий | |
| 13 | 69-3401084 | Прокладка боковой крышки картера рулевого управления | |
| 14 | 69-3401078 | Подшипник вала сошки | |
| 15 | 69-3401083 | Крышка боковая картера рулевого управления | |
| 16 | 201455-П29 | Болт М8х18 | |
| 17 | 252155-П2 | Шайба 8 пружинная | |
| 18 | 469-3401061 | Крышка картера рулевого управления нижняя | |
| 19 | М-3556 | Прокладка тонкая | |
| 20 | М-3555 | Прокладка толстая | |
| 21 | 20-3401075 | Подшипник роликовый конический нижний | |
| 22 | 469-3401035-10 | Вал червяка и червяк рулевого управления | |
| 23 | 20-3401071 | Подшипник роликовый конический верхний | |
| 24 | 258623-П29 | Штифт 5х8 | |
| 25 | 51-3401063-Б | Винт регулировочный вала сошки рулевого управления | |
| 26 | 51-3401082 | Шайба стопорная регулировочного винта вала сошки | |
| 27 | 69-3401067 | Гайка регулировочного винта вала сотки | |
| 28 | 69-3401038 | Червяк рулевого управления | |
| 29 | 469-3401037 | Вал червяка рулевого управления | |
| 30 | 69-3401073 | Ось ролика вала сошки | |
| 31 | 69-3401164 | Вал сошки рулевого управления с кольцом в сборе | |
| 32 | 69-3401065-Б | Вал сошки рулевого управления | |
| 33 | 51-3401089-А | Кольцо подшипника вала сошки | |
| 34 | 51-3401062-Б | Ролик вала сошки с подшипником в сборе | |
| 35 | 69-3401060-Б | Вал сошки с роликом в сборе | |
| 36 | 69-3401080 | Крышка боковая картера рулевого управления в сборе | |
| 37 | 469-3401069 | Сальник вала червяка в сборе |
Содержащиеся в справочниках-каталогах запасные части и детали не предлагаются к продаже, а носят исключительно информационный характер