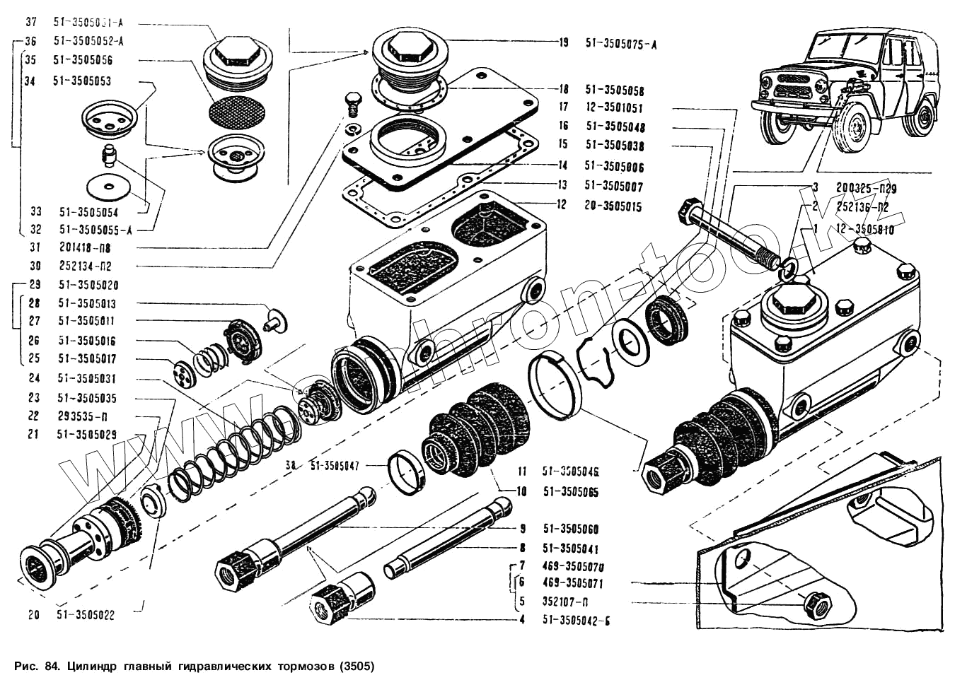
Каталог запасных частей к технике: УАЗ-3151. Цилиндр главный гидраилических тормозов
1
2
3
4
5
6
7
8
9
10
11
12
13
14
15
16
17
18
19
20
21
22
23
24
25
26
27
28
29
30
31
32
33
34
35
36
37
38
| Позиция на иллюстрации | Заводской номер детали | Название детали | |
|---|---|---|---|
| 1 | 12-3505010 | Цилиндр главный гидравлических тормозов в сборе | |
| 2 | 252136-П2 | Шайба 10 пружинная | |
| 3 | 200325-П29 | Болт М10х80 крепления главного цилиндра тормоза | |
| 4 | 51-3505042-Б | Наконечник толкателя поршня главного цилиндра тормоза | |
| 5 | 352107-П | Гайка кронштейна главного цилиндра тормоза | |
| 6 | 469-3505071 | Кронштейн главного цилиндра тормоза | |
| 7 | 469-3505070 | Кронштейн главного цилиндра тормоза в сборе | |
| 8 | 51-3505041 | Стержень толкателя поршня главного цилиндра тормоза | |
| 9 | 51-3505060 | Толкатель главного цилиндра тормоза в сборе | |
| 10 | 51-3505065 | Колпак защитный главного цилиндра тормоза | |
| 11 | 51-3505046 | Кольцо стяжное защитного колпака | |
| 12 | 20-3505015 | Картер главного цилиндра тормоза | |
| 13 | 51-3505007 | Прокладка крышки главного цилиндра тормоза | |
| 14 | 51-3505006 | Крышка картера | |
| 15 | 51-3505038 | Кольцо стопорное упорной шайбы главного цилиндра тормоза | |
| 16 | 51-3505048 | Шайба упорная поршня главного цилиндра тормоза | |
| 17 | 12-3505051 | Манжета уплотнительная наружная поршня главного цилиндра тормоза | |
| 18 | 51-3505058 | Прокладка наливной пробки | |
| 19 | 51-3505075-А | Пробка наливная главного цилиндра тормоза в сборе | |
| 20 | 51-3505022 | Держатель возвратной пружины поршня главного цилиндры тормоза | |
| 21 | 51-3505029 | Поршень главного цилиндра тормоза | |
| 22 | 293535-П | Шайба поршня главного цилиндра тормоза | |
| 23 | 51-3505035 | Манжета уплотнитсльная внутренняя поршня главного цилиндра тормоза | |
| 24 | 51-3505031 | Пружина возвратная поршня главного цилиндра тормоза | |
| 25 | 51-3505017 | Чашка выпускного клапана главного цилиндра тормоза | |
| 26 | 51-3505016 | Пружина выпускного клапана главного цилиндра тормоза | |
| 27 | 51-3505011 | Корпус клапана главного цилиндра тормоза в сборе | |
| 28 | 51-3505013 | Клапан выпускной главного цилиндра тормоза в сборе | |
| 29 | 51-3505020 | Клапан главного цилиндра тормоза в сборе | |
| 30 | 252134-П2 | Шайба 6 пружинная | |
| 31 | 201418-П8 | Болт М6х16 | |
| 32 | 51-3505055-А | Стержень отражателя пробки главного цилиндра тормоза | |
| 33 | 51-3505054 | Диск отражателя налввной пробки главного цилиндра тормоза нижний | |
| 34 | 51-3505053 | Диск отражателя наливной пробки главного цилиндра тормоза верхний | |
| 35 | 51-3505056 | Сетка наливной пробки главного цилиндра тормоза | |
| 36 | 51-3505052-А | Отражатель наливной пробки главного цилиндра тормоза в сборе | |
| 37 | 51-3505051-А | Пробка наливная главного цилиндра тормоза | |
| 38 | 51-3505047 | Кольцо стяжное защитного колпака малое |
Содержащиеся в справочниках-каталогах запасные части и детали не предлагаются к продаже, а носят исключительно информационный характер