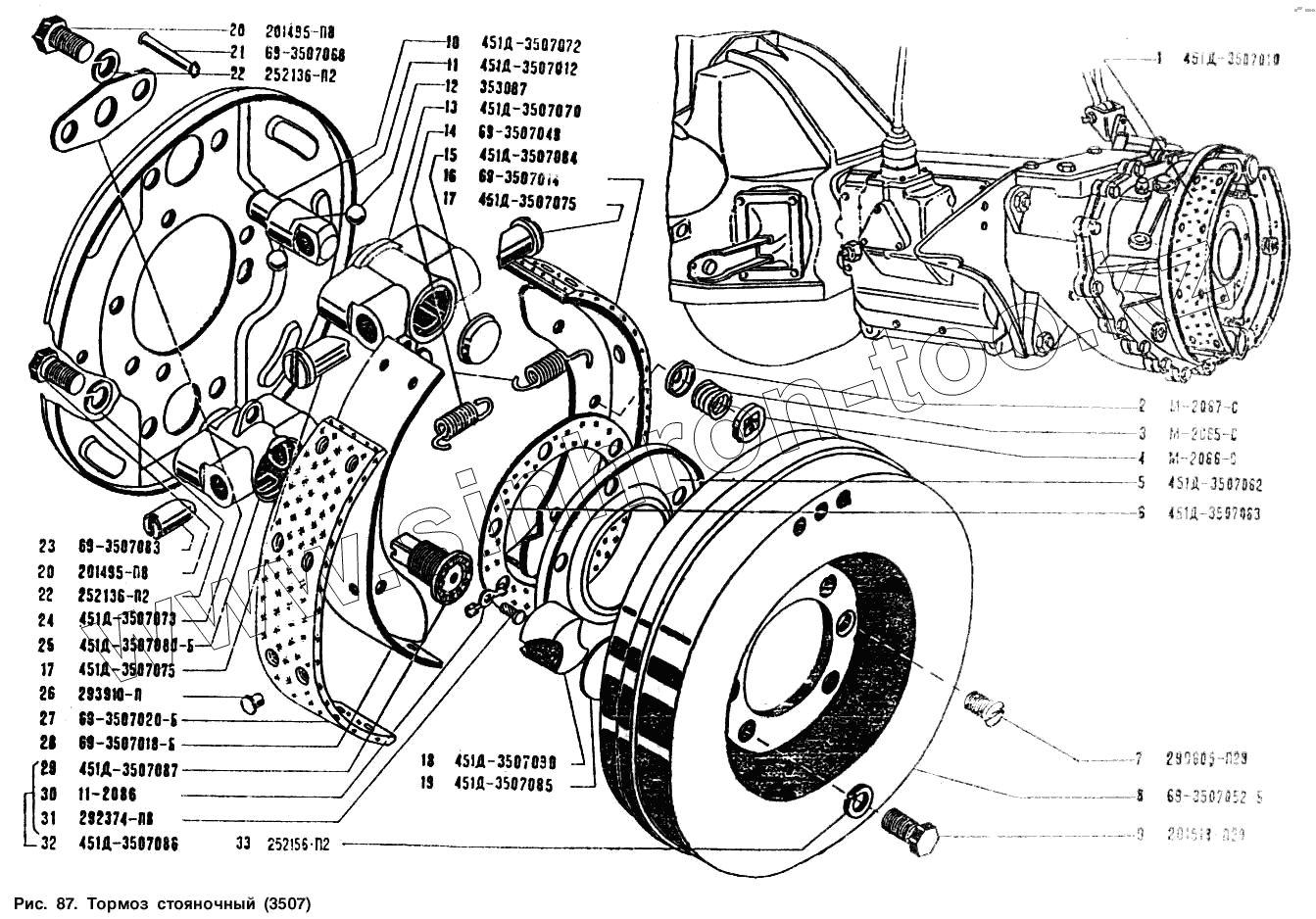
Каталог запасных частей к технике: УАЗ-3151. Тормоз стояночный
1
2
3
4
5
6
7
8
9
10
11
12
13
14
15
16
17
18
19
20
21
22
23
24
25
26
27
28
29
30
31
32
33
| Позиция на иллюстрации | Заводской номер детали | Название детали | |
|---|---|---|---|
| 1 | 451Д-3507010 | Стояночный тормоз в сборе | |
| 2 | М-2067-С | Чашка прижимной пружины колодок | |
| 3 | М-2065-С | Пружина прижимная колодок | |
| 4 | М-2066-С | Чашка прижимной пружины колодок верхняя | |
| 5 | 451Д-3507062 | Маслоотражатель | |
| 6 | 451Д-3507063 | Прокладка маслоотражателя | |
| 7 | 290605-П29 | Винт М8х12 крепления тормозного барабана к ступице | |
| 8 | 69-3507052-Б | Барабан | |
| 9 | 201518-П29 | Болт М10х1х25 крепления вала заднего моста | |
| 10 | 451Д-3507072 | Корпус шариков разжимного механизма | |
| 11 | 451Д-3507012 | Щит стояночного тормоза | |
| 12 | 353087 | Шарик ф11,9 разжимного механизма | |
| 13 | 451Д-3507070 | Корпус разжимного механизма | |
| 14 | 69-3507048 | Пружина стяжная колодок | |
| 15 | 451Д-3507084 | Колпак корпуса разжимного механизма | |
| 16 | 69-3507014 | Колодка с накладкой в сборе | |
| 17 | 451Д-3507075 | Толкатель разжимного механизма | |
| 18 | 451Д-3507090 | Сухарь разжимной колодок | |
| 19 | 451Д-3507085 | Заглушка корпуса регулировочного механизма | |
| 20 | 201495-П8 | Болт М10х20 | |
| 21 | 69-3507068 | Стержень прижимной пружины колодок | |
| 22 | 252136-П2 | Шайба 10 пружинная | |
| 23 | 69-3507083 | Опора колодок | |
| 24 | 451Д-3507073 | Ограничитель корпуса шариков разжимного механизма | |
| 25 | 451Д-3507080-Б | Корпус регулировочного механизма | |
| 26 | 293910-П | Заклепка 4х7 фрикционных накладок колодок | |
| 27 | 69-3507020-Б | Накладка фрикционная колодки | |
| 28 | 69-3507018-Б | Колодка в сборе | |
| 29 | 451Д-3507087 | Винт регулировочный колодок | |
| 30 | 11-2086 | Пружина регулировочного винта колодок | |
| 31 | 292374-П8 | Штифт пружины регулировочного винта | |
| 32 | 451Д-3507086 | Винт регулировочный колодок | |
| 33 | 252156-П2 | Шайба 10 пружинная |
Содержащиеся в справочниках-каталогах запасные части и детали не предлагаются к продаже, а носят исключительно информационный характер