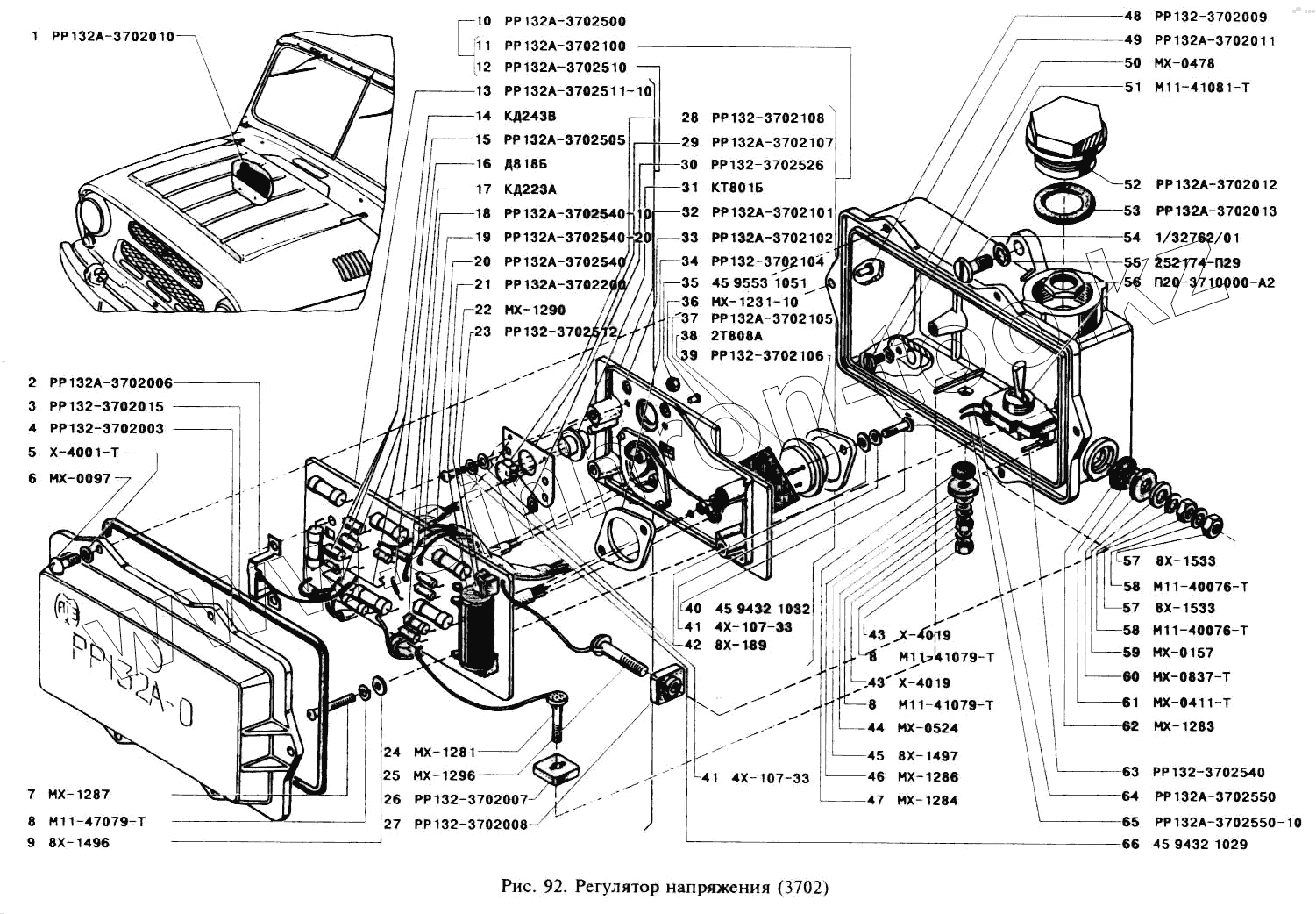
Каталог запасных частей к технике: УАЗ-3151. Регулятор напряжения
1
2
3
4
5
6
7
8
9
10
11
12
13
14
15
16
17
18
19
20
21
22
23
24
25
26
27
28
29
30
31
32
33
34
35
36
37
38
39
40
41
42
43
44
45
46
47
48
49
50
51
52
53
54
55
56
57
58
59
60
61
62
63
64
65
66
| Позиция на иллюстрации | Заводской номер детали | Название детали | |
|---|---|---|---|
| 1 | РР132А-3702010 | Регулятор напряжения в сборе | |
| 2 | РР132А-3702006 | Стойка | |
| 3 | РР132-3702015 | Кольцо уплотнительное | |
| 4 | РР132-3702003 | Крышка | |
| 5 | Х-4001-Т | Шайба 5 пружинная | |
| 6 | МХ-0097 | Винт М5х12 | |
| 7 | МХ-1287 | Винт М4 специальный | |
| 8 | М11-47079-Т | Шайба 4 пружинная | |
| 9 | 8Х-1496 | Шайба | |
| 10 | РР132А-3702500 | Блок в сборе | |
| 11 | РР132А-3702100 | Теплоотвод в сборе | |
| 12 | РР132А-3702510 | Плата в сборе | |
| 13 | РР132А-3702511-10 | Плата | |
| 14 | КД243В | Диод | |
| 15 | РР132А-3702505 | Сопротивление | |
| 16 | Д818Б | Стабилитрон | |
| 17 | КД223А | Диод | |
| 18 | РР132А-3702540-10 | Вывод в сборе | |
| 19 | РР132А-3702540-20 | Вывод | |
| 20 | РР132А-3702540 | Вывод | |
| 21 | РР132А-3702200 | Катушка дросселя в сборе | |
| 22 | МХ-1290 | Заклепка | |
| 23 | РР132-3702512 | Сердечник дросселя | |
| 24 | МХ-1281 | Болт специальный | |
| 25 | МХ-1296 | Болт контактный | |
| 26 | РР132-3702007 | Втулка | |
| 27 | РР132-3702008 | Втулка | |
| 28 | РР132-3702108 | Втулка дистанционная | |
| 29 | РР132А-3702107 | Прокладка | |
| 30 | РР132-3702526 | Наконечник | |
| 31 | КТ-801-Б | Транзистор | |
| 32 | РР132А-3702101 | Теплоотвод | |
| 33 | РР132А-3702102 | Планка изоляционная | |
| 34 | РР132-3702104 | Хомут транзистора | |
| 35 | 45 9553 1051 | Гайка М3 | |
| 36 | МХ-1231-10 | Заклепка | |
| 37 | РР132А-3702105 | Прокладка | |
| 38 | 2Т-808-А | Транзистор | |
| 39 | РР132-3702106 | Хомут транзистора | |
| 40 | 45 9432 1032 | Винт М3х16 | |
| 41 | 4Х-107-33 | Шайба 6 пружинная | |
| 42 | 8Х-189 | Шайба 3 | |
| 43 | Х-4019 | Гайка М4 | |
| 44 | МХ-0524 | Шайба специальная | |
| 45 | 8Х-1497 | Шайба | |
| 46 | МХ-1286 | Шайба изоляционная | |
| 47 | МХ-1284 | Шайба резиновая | |
| 48 | РР132-3702009 | Штифт | |
| 49 | РР132А-3702011 | Основание | |
| 50 | МХ-0478 | Винт специальный | |
| 51 | М11-41081-Т | Шайба пружинная | |
| 52 | РР132А-3702012 | Пробка | |
| 53 | РР132А-3702013 | Прокладка | |
| 54 | 1/32762/01 | Винт М6х16 | |
| 55 | 252174-П29 | Шайба 6 пружинная зубчатая с внутренними зубцами | |
| 56 | П20-3710000-А2 | Переключатель в сборе | |
| 57 | 8Х-1533 | Гайка М6 | |
| 58 | М11-40076-Т | Шайба 6 пружинная | |
| 59 | МХ-0157 | Шайба специальная | |
| 60 | МХ-0837-Т | Шайба изоляционная | |
| 61 | МХ-0411-Т | Шайба | |
| 62 | МХ-1283 | Шайба резиновая | |
| 63 | РР132-3702540 | Вывод | |
| 64 | РР132А-3702550 | Вывод в сборе | |
| 65 | РР132А-3702550-10 | Вывод в сборе | |
| 66 | 45 9432 1029 | Винт М3х16 |
Содержащиеся в справочниках-каталогах запасные части и детали не предлагаются к продаже, а носят исключительно информационный характер