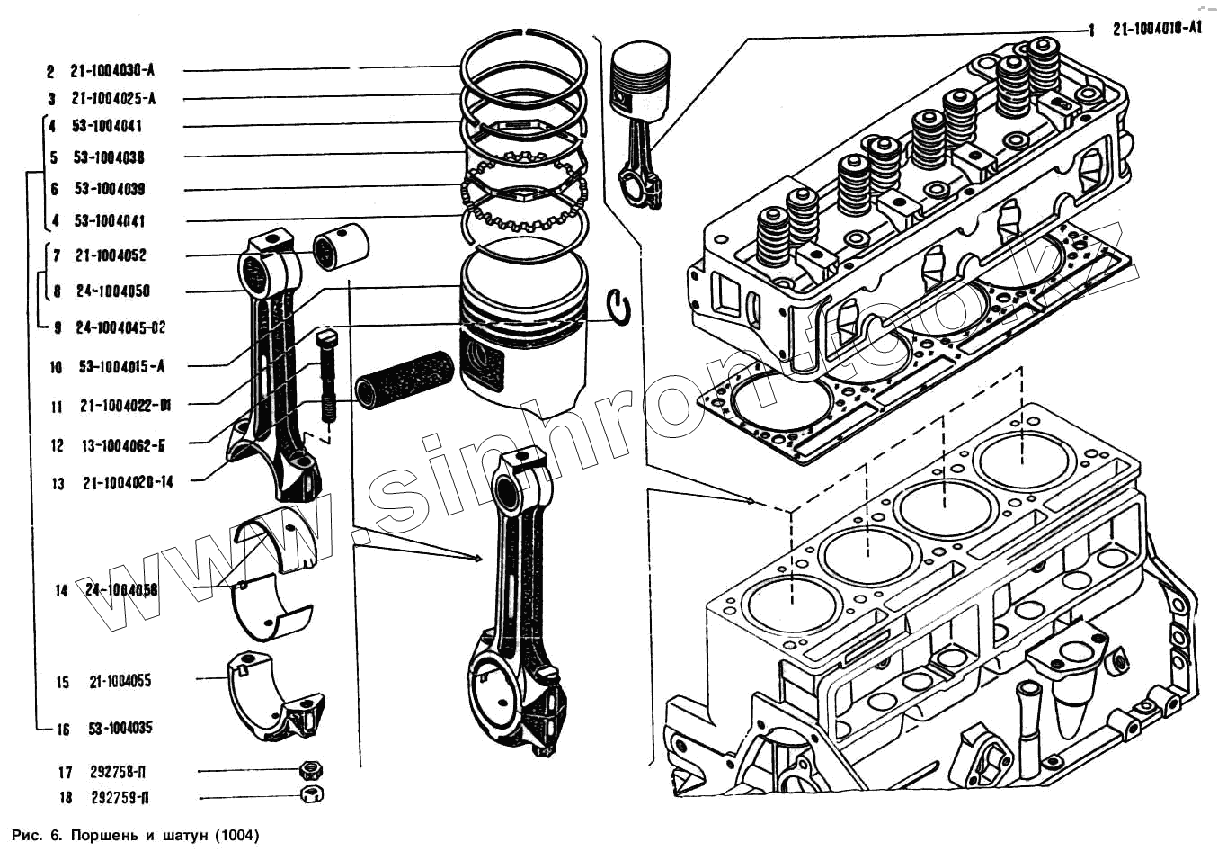
Каталог запасных частей к технике: УАЗ-3151. Поршень и шатун
1
2
3
4
5
6
7
8
9
10
11
12
13
14
15
16
17
18
| Позиция на иллюстрации | Заводской номер детали | Название детали | |
|---|---|---|---|
| 21-1004020-40 | 21-1004020-40 | Палец поршневой диаметр 25,20 мм | |
| ВК-53-1004023-БР | ВК-53-1004023-БР | Комплект поршневых колец ф 93,00 мм | |
| ВК-53-1004014-БР | ВК-53-1004014-БР | Поршень диаметром 93,00 мм с пальцем и стопорными кольцами а сборе | |
| ВК-53-1004014-АР | ВК-53-1004014-АР | Поршень ф92,50 мм с пальцем и стопорными кольцами в сборе | |
| ВК-53-1004014-А | ВК-53-1004014-А | Поршень диаметром 92,00 мм с пальцем и стопорными кольцами в сборе (стандартный) | |
| 53-1004015-БР1 | 53-1004015-БР1 | Поршень в сборе ф93,00 мм | |
| 53-1004015-АР1 | 53-1004015-АР1 | Поршень в сборе ф92,50 мм | |
| 21-1004020-30 | 21-1004020-30 | Палец поршневой диаметр 25,12 мм | |
| 21-1004020-20 | 21-1004020-20 | Палец поршневой диаметр 25,08 мм | |
| ВК-53-1004024-БР | ВК-53-1004024-БР | Комплект поршневых колец ф93,00 мм | |
| ВК-53-1004024-АР | ВК-53-1004024-АР | Комплект поршневых колец ф92,50 мм | |
| ВК-53-1004023-АР | ВК-53-1004023-АР | Комплект поршневых колец ф92,50 мм | |
| ВК-53-1004024 | ВК-53-1004024 | Комплект поршневых колец ф92,00 мм (стандартный) | |
| ВК-53-1004023 | ВК-53-1004023 | Комплект поршневых колец диаметром 92,00 мм (стандартный) | |
| 1 | 21-1004010-А1 | Поршень и шатун в сборе | |
| 2 | 21-1004030-А | Кольцо поршневое компрессионное верхнее | |
| 3 | 21-1004025-А | Кольцо поршневое компрессионное нижнее | |
| 4 | 53-1004041 | Кольцо поршневое маслосъемное | |
| 5 | 53-1004038 | Расширитель радиальный поршневого маслосъемного кольца | |
| 6 | 53-1004039 | Расширитель осевой поршневого маслосъемного кольца | |
| 7 | 21-1004052 | Втулка шатуна | |
| 8 | 24-1004050 | Шатун | |
| 9 | 24-1004045-02 | Шатун в сборе | |
| 10 | 53-1004015-А | Поршень в сборе диаметром 92,00 мм (стандартный) | |
| 11 | 21-1004022-01 | Кольцо стопорное поршневого пальца | |
| 12 | 13-1004062-Б | Болт крепления крышки шатуна | |
| 13 | 21-1004020-14 | Палец поршневой диаметр 25,00 мм (стандартный) | |
| 14 | 24-1004058 | Вкладыши шатуна диаметр 58,00 мм (стандартный) | |
| 15 | 21-1004055 | Крышка шатуна | |
| 16 | 53-1004035 | Кольцо поршневое маслосъемное (комплект) | |
| 17 | 292758-П | Гайка болта крышки шатуна | |
| 18 | 292759-П | Гайка стопорная |
Содержащиеся в справочниках-каталогах запасные части и детали не предлагаются к продаже, а носят исключительно информационный характер