Вернуться на главную
Поиск
Каталоги запчастей к технике
Легковые автомобили
УАЗ
УАЗ-3151
Маслоприемник и масляный насос
Каталог запасных частей к технике: УАЗ-3151. Маслоприемник и масляный насос
zoom-in
zoom-out
enlarge
shrink
circle-right
circle-left
file-text2
info
cart
Тип техники
Не выбрано
Легковые автомобили
Грузовые автомобили и прицепы
Автобусы
Сельхозтехника
Спецтехника
Двигатели
Мототехника
Марка
Не выбрано
BYD
Chevrolet
Daewoo
Geely
Great Wall
Hyundai
Lifan
Tata
АЗЛК
ВАЗ
ГАЗ
ЗАЗ
ЗИЛ
ИЖ
ЛуАЗ
РАФ
УАЗ
Модель
Не выбрано
4CT90-1ME
UAZ Patriot (2007)
Кондиционер UAZ Patriot (2007)
КПП (Арзамас)
Патриот КЛАССИК (2020)
Патриот КОМФОРТ (2020)
Патриот ЛИМИТЕД 316300-0000305-11 (2020)
Патриот ПИКАП (2020)
Профи (2009)
Профи Стандарт (236324-0000014-00) (2020)
Профи Стандарт (236324-0000100-00) (2020)
Профи Стандарт (236324-0001214-00) (2020)
УАЗ 3741 (каталог 2002 г.) (2002)
УАЗ Patriot (2005)
УАЗ-2206
УАЗ-3151 (1993)
УАЗ-31512 (2002)
УАЗ-31514 (2002)
УАЗ-31519 (2002)
УАЗ-31519 (2005)
УАЗ-31519 (2007)
УАЗ-3160 (2002)
УАЗ-3303
УАЗ-3741
УАЗ-37419 (2009)
УАЗ-3962
Схема
>
Не выбрано
Кузов в сборе
Крепление кузова к раме
Пол кузова, кожухи пола, коврики пола, люки пола
Окно ветровое, детали ветрового окна и петли ветрового окна
Стеклоочиститель
Стекло, уплотнители ветрового окна, стеклоомыватель электрический
Детали передка
Вентиляция передка, панель приборов
Боковина и стойка центральная
Борт задний в сборе, петли заднего борта, запор заднего борта
Тент в сборе
Дуги и арматура тента
Детали тента и окно тента
Двери передняя и задняя в сборе, замок и ручки передней и задней дверей
Навеска передней и задней дверей, уплотнения передней и задней дверей
Надставка передней двери в сборе, окно надставки передней двери, уплотнение надставки передней двери
Надставка задней двери в сборе, окно надставки задней двери, уплотнение надставки задней двери
Сиденье водителя, остов сиденья водителя
Сиденье трехместное в сборе, остов трехместного сиденья, фиксатор трехместного сиденья, спинка трехместного сиденья
Сиденье заднее, спинка заднего сиденья
Отопление кузова и трубопроводы
Обогреватель ветрового стекла
Зеркала заднего вида, козырек противосолнечный
Ремни безопасности, световозвращатели, орнаменты
Капот, облицовка радиатора
Замок и привод замка капота, навеска и упор капота
Крыло
Двигатель в сборе
Подвеска двигателя
Блок цилиндров
Головка блока цилиндров двигателя
Поршень и шатун
Вал коленчатый и маховик
Вал распределительный
Клапаны и толкатели
Газопроводы
Картер масляный
Маслоприемник и масляный насос
фильтр очистки масла и радиатор масляный
Вентиляция картера
Привод распределителя зажигания
Бак топливный и пробка топливного бака
Трубопроводы топливные
фильтр грубой очистки топлива
Насос топливный
Карбюратор
Карбюратор
Карбюратор
Карбюратор
Привод управления дроссельной и воздушной заслонками
Фильтр воздушный и фильтр тонкой очистки топлива
Фильтр воздушный
Система выпуска отработавших газов и трубы и подвеска глушителя выхлопа
Радиатор и подвеска радиатора
Трубопроводы, пробка радиатора и краник сливной
Насос системы охлаждения двигателя
Насос системы охлаждения двигателя с кронштейном, выпускным патрубком и термостатом, вентилятор и кожух вентилятора
Жалюзи и привод, бачек расширительный
Сцепление
Сцепление
Привод выключения сцепления
Привод выключения сцепления
Привод выключения сцепления
Привод выключения сцепления
Коробка передач и сборе
Коробка передач
Коробка передач
Коробка передач
Механизм, переключения передач
Коробка передач
Коробка передач
Коробка передач
Механизм переключения передач
Коробка раздаточная в сборе и ее подвеска
Коробка раздаточная
Коробка раздаточная
Механизм переключения передач раздаточной коробки
Вал карданный заднего моста
Вал карданный переднего моста
Мост передний ведущий в сборе, картер и кожухи полуосей переднего моста
Передача главная переднего моста
Дифференциал переднего моста
Кулаки поворотные
Кулаки поворотные
Кулаки поворотные
Мост задний ведущий в сборе, картер и кожухи полуосей заднего моста
Передача главная заднего моста
Дифференциал и полуоси заднего моста
Рама и брызговики двигателя в сборе
Рама в сборе
Бампер передний, бампер задний, крюк буксирного прибора
Рессоры передние
Рессоры передние
Амортизаторы передней подвески
Амортизаторы передней подвески
Рессоры задние
Амортизаторы задней подвески
Амортизаторы задней подвески
Тяги рулевые, крепление рулевого управления
Колеса, ступицы передних и задних колес
Держатель запасного колеса, покрышки и камеры
Управление рулевое в сборе
Управление рулевое в сборе и колесо рулевого управления
Тормоза рабочие передние и тормозные барабаны
Тормоза рабочие задние и тормозные барабаны
Педаль и привод механизма управления тормозами
Цилиндр главный гидравлических тормозов
Цилиндр главный гидравлических тормозов
Педаль и привод механизма управления тормозами
Цилиндр главный гидраилических тормозов
Трубопроводы гидравлических тормозов
Трубопроводы гидравлических тормозов
Тормоз стояночный
Привод механизма управления стояночным тормозом
Устройства сигнальные
Генератор
Генератор
Регулятор напряжения
Батарея аккумуляторная и выключатель зажигания
Катушка, распределитель, свечи и провода зажигания
Катушка, распределитель, свечи и провода зажигания
Катушка, распределитель, свечи и провода зажигания
Стартер
Стартер
Стартер
Переключатели и выключатели
Фары и фонари передние
Освещение приборов, освещение кузова внутреннее и лампы переносная и подкапотная
Фонари задние, освещение номерного знака и выключатели сигнала торможения
Сигнал и кнопка сигнала
Предохранители электрических цепей, соединители электропроводов
Электропровода
Указатели поворота, устройства блокировочные и выключатель массы
Спидометр, фонари контрольных ламп и щиток приборов
Приборы и датчики
Инструмент водителя и принадлежности
Приспособления
Схема расположения подшипников
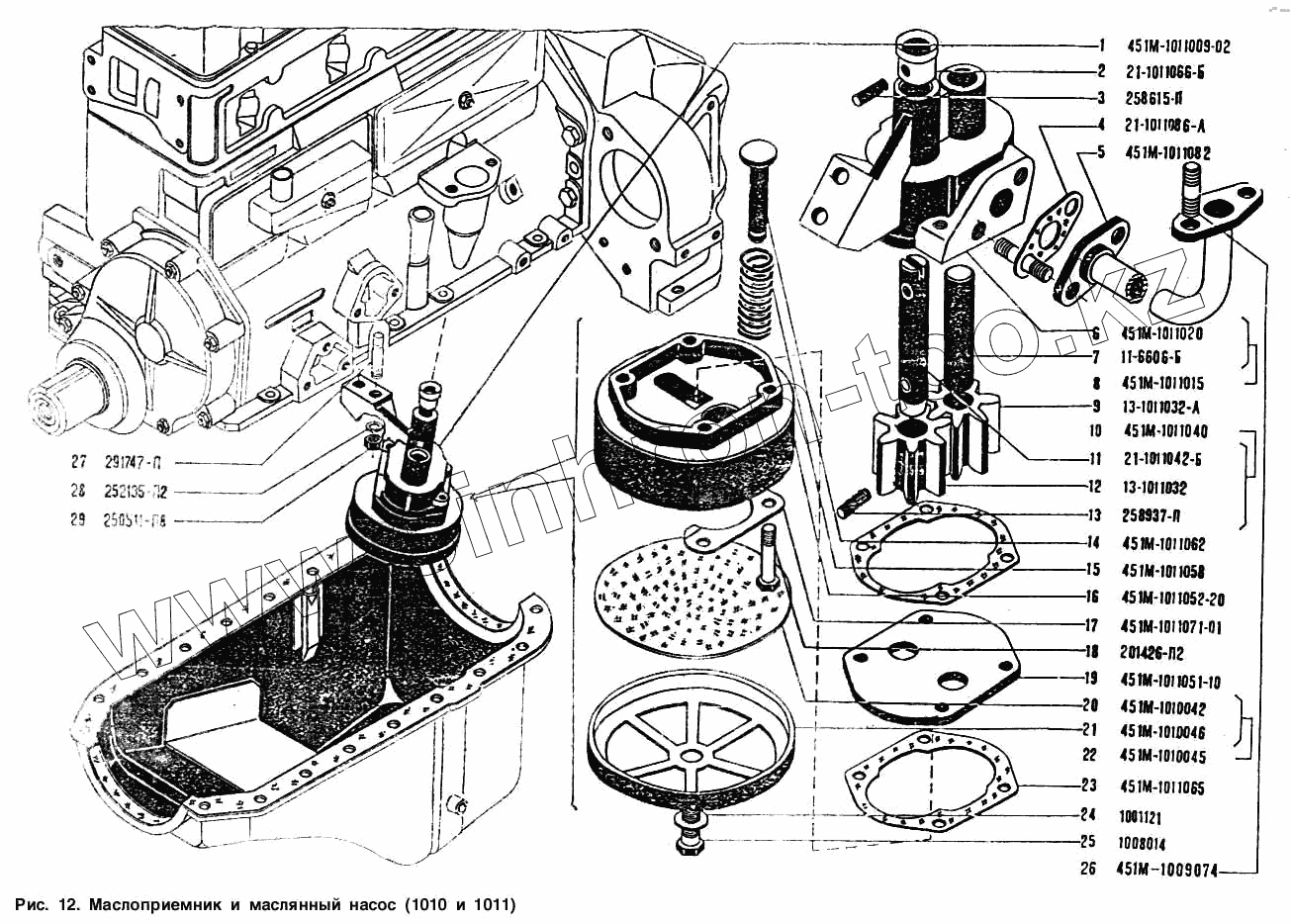
1
2
3
4
5
6
7
8
9
10
11
12
13
14
15
16
17
18
19
20
21
22
23
24
25
26
27
28
29
Позиция на иллюстрации
Заводской номер детали
Название детали
1
451М-1011009-02
Насос масляный с маслоприемником в сборе
2
21-1011066-Б
Втулка валика
3
258615-П
Штифт 4х20 крепления втулки валика
4
21-1011086-А
Прокладка фланца нагнетательной трубки
5
451М-1011082
Трубка нагнетательная
6
451М-1011020
Корпус
7
11-6606-Б
Ось
8
451М-1011015
Корпус в сборе
9
13-1011032-А
Шестерня
10
451М-1011040
Валик с шестерней в сборе
11
21-1011042-Б
Валик (4563210476)
12
13-1011032
Шестерня
13
258937-П
Штифт 4х22
14
451М-1011062
Клапан редукционный
15
451М-1011058
Пружина редукционного клапана
16
451М-1011052-20
Крышка
17
451М-1011071-01
Пластина стопорная
18
201426-П2
Болт М6х35 крепления крышки
19
451М-1011051-10
Пластина
20
451М-1010042
Сетка маслопрнемника
21
451М-1010046
Каркас сетки маслоприемника
22
451М-1010045
Сетка с каркасом
23
451М-1011065
Прокладка крышки
24
1001121
Шайба 8
25
1008014
Болт М8х14
26
451М-1009074
Шпилька М8х1х16 крепления нагнетательной трубки к блоку
27
291747-П
Шпилька М8х1х22 крепления масляного насоса к блоку
28
252135-П2
Шайба 6 пружинная
29
250511-П8
Гайка М8
Содержащиеся в справочниках-каталогах запасные части и детали не предлагаются к продаже, а носят исключительно информационный характер
Дополнительная информация
×
Название:
Номер:
Примечание: