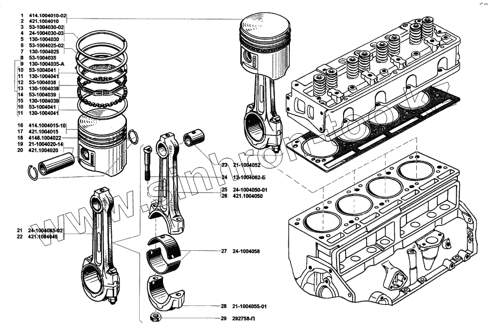
Каталог запасных частей к технике: УАЗ-31519. Поршень и шатун
1
2
3
3
3
4
4
4
5
5
6
6
6
7
7
8
8
8
9
9
10
10
11
11
11
12
13
14
15
16
16
16
17
17
18
19
19
19
19
20
20
20
20
21
22
23
24
25
26
27
27
27
27
27
27
27
27
27
27
27
27
27
27
27
27
28
29
| Позиция на иллюстрации | Заводской номер детали | Название детали | |
|---|---|---|---|
| 421.1000100-Р1 | 421.1000100-Р1 | Комплект поршневых колец диаметр 100,5 мм | |
| 421.1000100 | 421.1000100 | Комплект поршневых колец диаметр 100 мм | |
| ВК-24-1000100-АР1 | ВК-24-1000100-АР1 | Комплект поршневых колец диаметр 92,50 мм (комплект на двигатель) | |
| ВК-24-1000100-10 | ВК-24-1000100-10 | Комплект поршневых колец диаметр 92,00 мм (комплект на двигатель) | |
| 1 | 414.1004010-02 | Поршень и шатун в сборе | |
| 2 | 421.1004010 | Поршень и шатун в сборе | |
| 3 | 53-1004030-02-БР | Кольцо поршневое компрессионное верхнее диам. 93,00 мм | |
| 3 | 53-1004030-02-АР | Кольцо поршневое компрессионное верхнее диам. 92,50 мм | |
| 3 | 53-1004030-02 | Кольцо поршневое компрессионное верхнее диам. 92,00 мм | |
| 4 | 24-1004030-03-БР | Кольцо поршневое компрессионное верхнее диам. 93,00 мм | |
| 4 | 24-1004030-03 | Кольцо поршневое компрессионное верхнее | |
| 4 | 24-1004030-03-АР | Кольцо поршневое компрессионное верхнее диам. 92,50 мм | |
| 5 | 130-1004030Р1 | Кольцо поршневое компрессионное верхнее диам. 100,50 мм | |
| 5 | 130-1004030 | Кольцо поршневое компрессионное верхнее диам. 100,00 мм | |
| 6 | 53-1004025-02-БР | Кольцо поршневое компрессионное нижнее диам. 93,00 мм | |
| 6 | 53-1004025-02-АР | Кольцо поршневое компрессионное нижнее диам. 92,50 мм | |
| 6 | 53-1004025-02 | Кольцо поршневое компрессионное нижнее | |
| 7 | 130-1004025 | Кольцо поршневое компрессионное нижнее | |
| 7 | 130-1004025Р1 | Кольцо поршневое компрессионное нижнее диам. 100,50 мм | |
| 8 | 53-1004035 | Кольцо поршневое маслосъемное (комплект) | |
| 8 | 53-1004035-АР | Кольцо поршневое маслосъемное диаметром 92,50 мм | |
| 8 | 53-1004035-БР | Кольцо поршневое маслосъемное диам. 93,00 мм | |
| 9 | 130-1004035-А | Кольцо поршневое маслосъемное (комплект на один поршень) | |
| 9 | 130-1004035-АР1 | Кольцо поршневое маслосъемное, увеличенное на 0,5 мм | |
| 10 | 53-1004041 | Кольцо поршневое маслосъемное | |
| 11 | 130-1004041-Р1 | Диск кольцевой поршневого маслосъемного кольца, увеличенный на 0,5 мм | |
| 11 | 130-1004041 | Диск кольцевой поршневого маслосъемного кольца | |
| 12 | 53-1004038 | Расширитель радиальный поршневого маслосъемного кольца | |
| 13 | 130-1004038 | Расширитель радиальный поршневого маслосъемного кольца . | |
| 14 | 53-1004039 | Расширитель осевой поршневого маслосъемного кольца | |
| 15 | 130-1004039 | Расширитель осевой поршневого маслосъемного кольца | |
| 16 | 414.1004015-10 | Поршень диаметр 92,00 мм (стандартный) | |
| 16 | 414.1004015-10Р1 | Поршень диам. 92,50 мм | |
| 16 | 414.1004015-10Р2 | Поршень диам. 93,00 мм | |
| 17 | 421.1004015 | Поршень диаметр 100 мм (стандартный) | |
| 17 | 421.1004015-Р3 | Поршень диаметр 100,5 мм | |
| 18 | 4146.1004022 | Кольцо стопорное поршневого пальца | |
| 19 | 21-1004020-14 | Палец поршневой диаметр 25,00 мм (стандартный) | |
| 19 | 21-1004020-20 | Палец поршневой диаметр 25,08 мм | |
| 19 | 21-1004020-30 | Палец поршневой диаметр 25,12 мм | |
| 19 | 21-1004020-40 | Палец поршневой диаметр 25,20 мм | |
| 20 | 421.1004020 | Палец поршневой диаметр 25,00 мм (стандартный) | |
| 20 | 421.1004020-20 | Палец поршневой диам. 25,08 мм | |
| 20 | 421.1004020-30 | Палец поршневой диам. 25,12 мм | |
| 20 | 421.1004020-40 | Палец поршневой диам. 25,20 мм | |
| 21 | 24-1004045-02 | Шатун в сборе | |
| 22 | 421.1004045 | Шатун в сборе | |
| 23 | 21-1004052 | Втулка шатуна | |
| 24 | 13-1004062-Б | Болт крепления крышки шатуна | |
| 25 | 24-1004050-01 | Шатун | |
| 26 | 421.1004050 | Шатун | |
| 27 | ВК-24-1000104-КР | Комплект шатунных вкладышей диаметр 5б,50 мм | |
| 27 | ВК-24-1000104 | Комплект шатунных вкладышей диаметр 58,00 мм (стандартный) | |
| 27 | 24-1004058-КР | Вкладыш шатуна диаметр 56,50 мм | |
| 27 | ВК-24-1000104-ИР | Комплект шатунных вкладышей диаметр 5б,75 мм | |
| 27 | 24-1004058-ИР | Вкладыш шатуна диаметр 56,75 мм | |
| 27 | ВК-24-1000104-ЖР | Комплект шатунных вкладышей диаметр 57,00 мм | |
| 27 | 24-1004058-ЖР | Вкладыш шатуна диаметр 57,00 мм | |
| 27 | ВК-24-1000104-ЕР | Комплект шатунных вкладышей диаметр 57,25 мм | |
| 27 | 24-1004058-ЕР | Вкладыш шатуна диаметр 57,25 мм | |
| 27 | ВК-24-1000104-ДР | Комплект шатунных вкладышей диаметр 57,50 мм | |
| 27 | 24-1004058-ДР | Вкладыш шатуна диаметр 57,50 мм | |
| 27 | ВК-24-1000104-ВР | Комплект шатунных вкладышей диаметр 57,75 мм | |
| 27 | 24-1004058-ВР | Вкладыш шатуна диаметр 57,75 мм | |
| 27 | ВК-24-1000104-БР | Комплект шатунных вкладышей диаметр 57,95 мм | |
| 27 | 24-1004058-БР | Вкладыш шатуна диаметр 57,95 мм | |
| 27 | 24-1004058 | Вкладыши шатуна диаметр 58,00 мм (стандартный) | |
| 28 | 21-1004055-01 | Крышка шатуна | |
| 29 | 292758-П | Гайка болта крышки шатуна |
Содержащиеся в справочниках-каталогах запасные части и детали не предлагаются к продаже, а носят исключительно информационный характер