Каталог запасных частей к технике: УАЗ-31519. Карбюратор
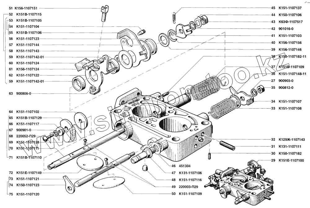
27
29
30
31
32
33
34
35
36
37
38
39
40
41
42
43
44
45
46
47
48
49
50
51
52
53
54
55
56
57
58
59
59
60
61
62
63
64
65
66
67
68
69
70
71
72
73
74
75
| Позиция на иллюстрации | Заводской номер детали | Название детали | |
|---|---|---|---|
| 27 | 900903-0 | Шайба б пружинная | |
| 29 | К151Е-1107100 | Корпус смесительных камер в сборе | |
| 30 | К150-1107182 | Винт | |
| 31 | К131-1107111 | Трубка | |
| 32 | К129Ж-1107143 | Заглушка | |
| 33 | К151-1107108 | Пружина | |
| 34 | К151-1107107 | Рычаг | |
| 35 | 900812-0 | Гайка М6 | |
| 36 | К151-1107148-11 | Втулка | |
| 37 | К151В-1107109 | Пружина | |
| 38 | К150-1107182-11 | Винт | |
| 39 | К156-1107146 | Шайба | |
| 40 | К156-1107156 | Кольцо | |
| 41 | К151-1107103 | Рычаг | |
| 42 | 901016-0 | Шайба 8,2х1,0 | |
| 43 | К63Ф-1107517 | Гайка | |
| 44 | К150-1107106 | Шайба специальная | |
| 45 | К151-1107137 | Пружина | |
| 46 | 451304 | Прокладка штуцера | |
| 47 | К131-1107106 | Штуцер | |
| 48 | К151-1107116 | Заглушка | |
| 49 | 220003-П29 | Винт М3х8 | |
| 50 | К151-1107109 | Заслонка дроссельная | |
| 51 | К156-1107151 | Винт | |
| 52 | К151В-1107115 | Привод в сборе | |
| 53 | К151В-1107105 | Рычаг с поводком в сборе | |
| 54 | К151-1107104 | Поводок | |
| 55 | К151В-1107106 | Рычаг | |
| 56 | К151-1107123 | Втулка | |
| 57 | К151-1107144 | Шайба | |
| 58 | К151-1107143 | Шайба | |
| 59 | К151-1107142-01 | Втулка | |
| 60 | К151-1107124 | Ролик | |
| 61 | К156-1107124 | Ось ролика | |
| 62 | К151-1107122 | Рычаг | |
| 63 | 900806-0 | Гайка М6х0,75 | |
| 64 | К151-1107102 | Шайба | |
| 65 | К151В-1107129 | Кулачок с арматурой | |
| 66 | К151-1107117 | Втулка | |
| 67 | 900901-0 | Шайба 4 | |
| 68 | 220052-П29 | Винт М4х12 | |
| 69 | К151-1107128 | Арматура | |
| 70 | К151-1107111 | Валик | |
| 71 | К151В-1107110 | Валик в сборе | |
| 72 | К151Е-1107149 | Заслонка дроссельная | |
| 73 | К151-1107121 | Валик | |
| 74 | К150-1107123 | Рычаг | |
| 75 | К151-1107120 | Валик с рычагом |
Содержащиеся в справочниках-каталогах запасные части и детали не предлагаются к продаже, а носят исключительно информационный характер