Каталог запасных частей к технике: УАЗ-31514. Механизм переключения передач
1
2
3
4
5
6
7
8
9
9
10
11
11
12
13
14
14
14
14
15
15
15
16
17
18
19
19
20
21
22
22
23
24
25
26
27
28
29
30
30
31
32
33
34
35
36
37
38
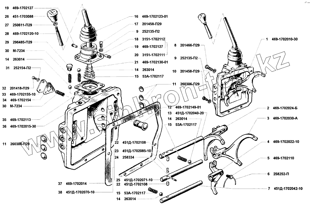
| Позиция на иллюстрации | Заводской номер детали | Название детали | |
|---|---|---|---|
| 1 | 469-1702010-30 | Механизм переключения передач в сборе | |
| 2 | 469-1702024-Б | Вилка 1-й и 2-й передач | |
| 3 | 469-1702030-А | Вилка 3-й и 4-й передач | |
| 4 | 469-1702022-10 | Вилка заднего хода | |
| 5 | 469-1702110 | Винт стопорный | |
| 6 | 258252-П | Шплинт-проволока 1,2х150 | |
| 7 | 451Д-1702042-10 | Шток заднего хода | |
| 8 | 201466-П29 | Болт М8х45 | |
| 9 | 252135-П2 | Шайба 6 пружинная | |
| 10 | 201458-П29 | Болт М8х25 | |
| 11 | 260306-П29 | Заглушка ф18 штоков | |
| 12 | 469-1702149-01 | Предохранитель | |
| 13 | 451Д-1702040-20 | Шток переключения 1 и 2 передач | |
| 14 | 263014 | Шарик d=9,525 | |
| 15 | 53А-1702117 | Пружина фиксатора штоков переключения передач | |
| 16 | 469-1702123-01 | Уплотнитель рычага переключения передач | |
| 17 | 201458-П29 | Болт М8х25 | |
| 18 | 3151-1702112 | Крышка люка рычага переключения передач | |
| 19 | 469-1702127 | Штифт рычага переключения передач | |
| 20 | 3151-1702111 | Крышка люка рычага переключения со штифтами в сборе | |
| 21 | 469-1702130-01 | Пружина рычага переключения передач | |
| 22 | 451Д-1702108 | Плунжер замочный | |
| 23 | 451Д-1702085-10 | Палец стопорный | |
| 24 | 258334 | Штифт 2х8 | |
| 25 | 451Д-1702071-10 | Шток переключения 3 и 4 передач | |
| 26 | 451-1703088 | Рукоятка рычага переключения передач | |
| 27 | 250611-П29 | Гайка М8х1 | |
| 28 | 469-1702120-10 | Рычаг переключения передач | |
| 29 | 296485-П29 | Пробка М 14х1,5 | |
| 30 | М-7234 | Пружина шарика фиксатора штоков переключения | |
| 31 | 252154-П2 | Шайба 6 пружинная | |
| 32 | 201418-П29 | Болт М6х16 | |
| 33 | 469-1702155-10 | Крышка предохранителя | |
| 34 | 469-1702154 | Прокладка крышки | |
| 35 | 469-1702113 | Прокладка крышки люка рычага | |
| 36 | 469-1702015-30 | Крышка механизма псреключения в сборе | |
| 37 | 469-1702014 | Прокладка боковой крышки | |
| 38 | 451Д-1702070-10 | Шток 3 и 4 передач в сборе |
Содержащиеся в справочниках-каталогах запасные части и детали не предлагаются к продаже, а носят исключительно информационный характер