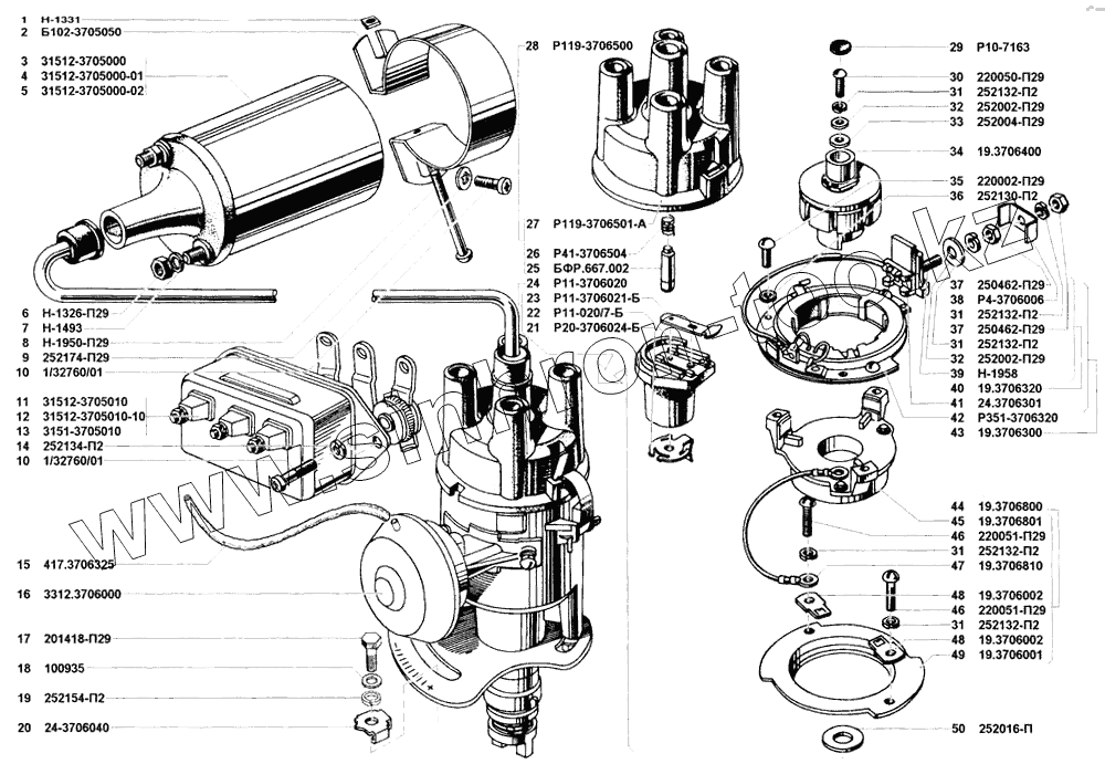
Каталог запасных частей к технике: УАЗ-31512. Катушка и распределитель зажигания
1
2
3
4
5
6
7
8
9
10
10
11
12
13
14
15
16
17
18
19
20
21
22
23
24
25
26
27
28
29
30
31
31
31
31
31
32
32
33
34
35
36
37
37
38
39
40
41
42
43
44
45
46
46
47
48
48
49
50
| Позиция на иллюстрации | Заводской номер детали | Название детали | |
|---|---|---|---|
| 1 | Н-1331 | Гайка квадратная | |
| 2 | Б102-3705050 | Скоба | |
| 3 | 31512-3705000 | Катушка зажигания Б116 | |
| 4 | 31512-3705000-01 | Катушка зажигания в сборе Б116-01 | |
| 5 | 31512-3705000-02 | Катушка зажигания Б116-02 в сборе | |
| 6 | Н-1326-П29 | Гайка специальная | |
| 7 | Н-1493 | Шайба 5 | |
| 8 | Н-1950-П29 | Винт М5х40 | |
| 9 | 252174-П29 | Шайба 6 пружинная зубчатая с внутренними зубцами | |
| 10 | 1/32760/01 | Винт М6х12 | |
| 11 | 31512-3705010 | Сопротивление добавочное 1402.3729 | |
| 12 | 31512-3705010-10 | Сопротивление добавочное 434151.001 | |
| 13 | 3151-3705010 | Резистор добавочный | |
| 14 | 252134-П2 | Шайба 6 пружинная | |
| 15 | 417.3706325 | Трубка вакуумного регулятора в сборе | |
| 16 | 3312.3706000 | Датчик-распределитель в сборе | |
| 17 | 201418-П29 | Болт М6х16 | |
| 18 | 100935 | Шайба 6 | |
| 19 | 252154-П2 | Шайба 6 пружинная | |
| 20 | 24-3706040 | Скоба | |
| 21 | Р20-3706024-Б | Пружина бегунка | |
| 22 | Р11-020/7-Б | Бегунок | |
| 23 | Р11-3706021-Б | Электрод бегунка | |
| 24 | Р11-3706020 | Бегунок в сборе | |
| 25 | БФР.667.002 | Уголек комбинированный | |
| 26 | Р41-3706504 | Пружина контактная | |
| 27 | Р119-3706501-А | Крышка распределителя | |
| 28 | Р119-3706500 | Крышка распределителя в сборе | |
| 29 | Р10-7163 | Сальник | |
| 30 | 220050-П29 | Винт М4х8 | |
| 31 | 252132-П2 | Шайба 4 пружинная | |
| 32 | 252002-П29 | Шайба 4 | |
| 33 | 252004-П29 | Шайба 6 | |
| 34 | 19.3706400 | Ротор в сборе | |
| 35 | 220002-П29 | Винт М3х20 | |
| 36 | 252130-П2 | Шайба 3 пружинная | |
| 37 | 250462-П29 | Гайка М4 | |
| 38 | Р4-3706006 | Скоба | |
| 39 | Н-1958 | Болт специальный | |
| 40 | 19.3706320 | Вывод с изолятором в сборе | |
| 41 | 24.3706301 | Пластина статора верхняя | |
| 42 | Р351-3706320 | Катушка с каркасом в сборе | |
| 43 | 19.3706300 | Статор в сборе | |
| 44 | 19.3706800 | Опора статора в сборе | |
| 45 | 19.3706801 | Опора статора | |
| 46 | 220051-П29 | Винт М4х10 | |
| 47 | 19.3706810 | Вывод в сборе | |
| 48 | 19.3706002 | Держатель подшипника | |
| 49 | 19.3706001 | Обойма подшипника | |
| 50 | 252016-П | Шайба 14 |
Содержащиеся в справочниках-каталогах запасные части и детали не предлагаются к продаже, а носят исключительно информационный характер