Вернуться на главную
Поиск
Каталоги запчастей к технике
Легковые автомобили
УАЗ
УАЗ-2206
Указатели поворота, устройства блокировочные
Каталог запасных частей к технике: УАЗ-2206. Указатели поворота, устройства блокировочные
zoom-in
zoom-out
enlarge
shrink
circle-right
circle-left
file-text2
info
cart
Тип техники
Не выбрано
Легковые автомобили
Грузовые автомобили и прицепы
Автобусы
Сельхозтехника
Спецтехника
Двигатели
Мототехника
Марка
Не выбрано
BYD
Chevrolet
Daewoo
Geely
Great Wall
Hyundai
Lifan
Tata
АЗЛК
ВАЗ
ГАЗ
ЗАЗ
ЗИЛ
ИЖ
ЛуАЗ
РАФ
УАЗ
Модель
Не выбрано
4CT90-1ME
UAZ Patriot (2007)
Кондиционер UAZ Patriot (2007)
КПП (Арзамас)
Патриот КЛАССИК (2020)
Патриот КОМФОРТ (2020)
Патриот ЛИМИТЕД 316300-0000305-11 (2020)
Патриот ПИКАП (2020)
Профи (2009)
Профи Стандарт (236324-0000014-00) (2020)
Профи Стандарт (236324-0000100-00) (2020)
Профи Стандарт (236324-0001214-00) (2020)
УАЗ 3741 (каталог 2002 г.) (2002)
УАЗ Patriot (2005)
УАЗ-2206
УАЗ-3151 (1993)
УАЗ-31512 (2002)
УАЗ-31514 (2002)
УАЗ-31519 (2002)
УАЗ-31519 (2005)
УАЗ-31519 (2007)
УАЗ-3160 (2002)
УАЗ-3303
УАЗ-3741
УАЗ-37419 (2009)
УАЗ-3962
Схема
>
Не выбрано
Кузов в сборе, кабина в сборе
Подвеска кузова и кабины
Настил пола, уплотнители и заглушки
Коврики пола
Стекла, уплотнители ветрового окна
Стеклоочиститель и привод
Насос водяной очистки ветрового стекла (смыватель)
Крышка лючка панели приборов, ящик вещевой
Вентиляция передка
Термошумоизоляция передка
Рейка защитная, обивка боковины
Окно боковины поворотное
Термошумоизоляция боковины
Обивка задка, окно задка, термоизоляция задка
Обивка крыши
Термошумоизоляция крыши, крышка монтажного люка
Дверь передняя в сборе, окно передней двери
Механизм перемещения стекла передней двери, замок и ручки передней двери
Навеска передней двери, уплотнение передней двери
Дверь задняя в сборе, обивка задней двери, окно задней двери
Замок и ручки задней двери, навеска задней двери, уплотнитель задней двери
Уплотнители двери задка, дверь задка, обивка двери задка, замок и ручки двери задка
Замок и ручки двери задка
Навеска дверей задка, окно двери задка
Сиденье водителя в сборе, подушка сиденья
Сиденье одноместное в сборе, остов одноместного сиденья
Сиденье трехместное в сборе
Откидное сиденье в сборе, крепление откидного сиденья, подушка откидного сиденья
Перегородка в сборе, панель перегородки, окно перегородки
Сиденье сопровождающего
Ящик для предметов ухода, бачок для воды, сумка для поильника, крепление специального оборудования
Отопитель кузова и трубопроводы, обогрев ветрового стекла
Отопитель кузова задний
Отопитель кузова задний
Зеркало заднего вида, держатель (поручень) и крючки для одежды, пепельница, козырек противосолнечный
Шторы окон, отражатели свеча, чехлы, орнаменты и декоративные надписи
Облицовка радиатора, капот, подножка задка
Платформа в сборе, борт платформы боковой
Основание платформы
Борт платформы задний и передний
Запоры бортов, ящик инструментальный
Двигатель в сборе
Подвеска двигателя
Блок цилиндров
Головка блока цилиндров с клапанами
Поршень и шатун в сборе
Вал коленчатый и маховик
Вал распределительный
Клапаны и толкатели
Газопроводы впускной и выпускной
Картер (масляный)
Насос масляный
Фильтр очистки масла, радиатор масляный
Вентиляция картера
Привод распределителя зажигания
Бак топливный и бак топливный дополнительный
Пробка топливного бака
Трубопроводы топливные
Трубопроводы топливные
Фильтр грубой очистки топлива
Насос топливный
Карбюратор
Карбюратор
Карбюратор
Карбюратор
Привод управления дроссельной и воздушной заслонками
Фильтр воздушный и фильтр тонкой очистки топлива
Система выпуска отработавших газов, трубы выхлопные
Радиатор, и подвеска радиатора
Трубопроводы и шланги, пробка радиатора и краник сливной
Насос водяной с кронштейном, выпускным патрубком и термостатом
Насос водяной с кронштейном, выпускным патрубком и термостатом, вентилятор и кожух вентилятора
Вентилятор, кожух вентилятора и насос водяной
Жалюзи и привод, бачок расширительный
Сцепление
Сцепление
Механизм и привод управления сцеплением
Механизм и привод управления сцеплением
Механизм и привод управления сцеплением
Механизм и привод управления сцеплением
Механизм и привод управления сцеплением
Коробка передач в сборе
Коробка передач
Коробка передач
Коробка передач
Механизм переключения передач
Коробка передач
Коробка передач
Коробка передач
Механизм переключения передач
Привод управления механизмом переключения передач
Привод управления механизмом переключения передач
Коробка раздаточная в сборе, подвеска раздаточной коробки
Коробка раздаточная
Коробка раздаточная
Механизм переключения передач раздаточной коробки
Привод управления механизмом переключения передач раздаточной коробки
Привод управления механизмом переключения передач раздаточной коробки
Вал карданный заднего моста
Вал карданный переднего моста
Мост нередкий в сборе, картер и кожухи полуосей переднего моста
Передача главная переднего моста
Дифференциал переднего моста
Кулаки поворотные
Кулаки поворотные
Кулаки поворотные
Мост задний в сборе, картер с кожухами полуосей
Передача главная заднего моста
Дифференциал и полуоси заднего моста
Рама в сборе
Брызговики двигателя, буфер передний, буфер задний
Прибор буксирный, крюк буксирный передний, кронштейн переднего номерного знака, кронштейн заднего номерного знака
Рама в сборе, брызговики двигателя
Рессоры передние
Рессоры передние
Амортизаторы передние
Амортизаторы передние
Рессоры задние
Рессоры задние
Амортизаторы задние
Амортизаторы задние
Колеса, ступицы передних и задних колес
Держатель запасного колеса, покрышки и камеры
Управление рулевое в сборе
Колесо рулевого управление
Управление рулевое в сборе, колесо рулевого управления
Крепление рулевого управления, тяги рулевые
Тормоза рабочие передние и барабаны тормозные
Тормоза рабочие задние и барабаны тормозные
Педаль и привод механизма управления тормозами
Цилиндр главный гидравлических тормозов
Педаль и привод механизма управления тормозами
Педаль и привод механизма управления тормозами, цилиндр главный гидравлических тормозов
Трубопроводы гидравлических тормозов
Трубопроводы гидравлических тормозов
Тормоз стояночный
Привод механизма управления стояночным тормозом 3508
Устройства сигнальные
Генератор
Генератор
Регулятор напряжения
Батарея аккумуляторная, выключатель зажигания
Катушка зажигания, распределитель зажигания
Распределитель зажигания
Распределитель зажигания
Свечи и провода зажигания
Стартер и выключатель стартера
Стартер и выключатель стартера
Стартер и выключатель стартера
Переключатели, выключатели
Фары
Фонари передние
Патроны ламп, внутреннее освещение кузова, лампа переносная
Фонари задние
Освещение номерного знака, выключатель сигнала торможения
Сигнал звуковой
Сигнал звуковой
Предохранители электрических цепей, соединители электропроводов
Электропровода
Электропровода
Электропровода
Указатели поворота, устройства блокировочные
Сигнализация световая
Щиток приборов, фонари контрольных ламп
Спидометр
Приемник указателя давления масла, валы гибкие, датчики
Инструмент водителя и приспособления
Принадлежности санитарные и приспособления
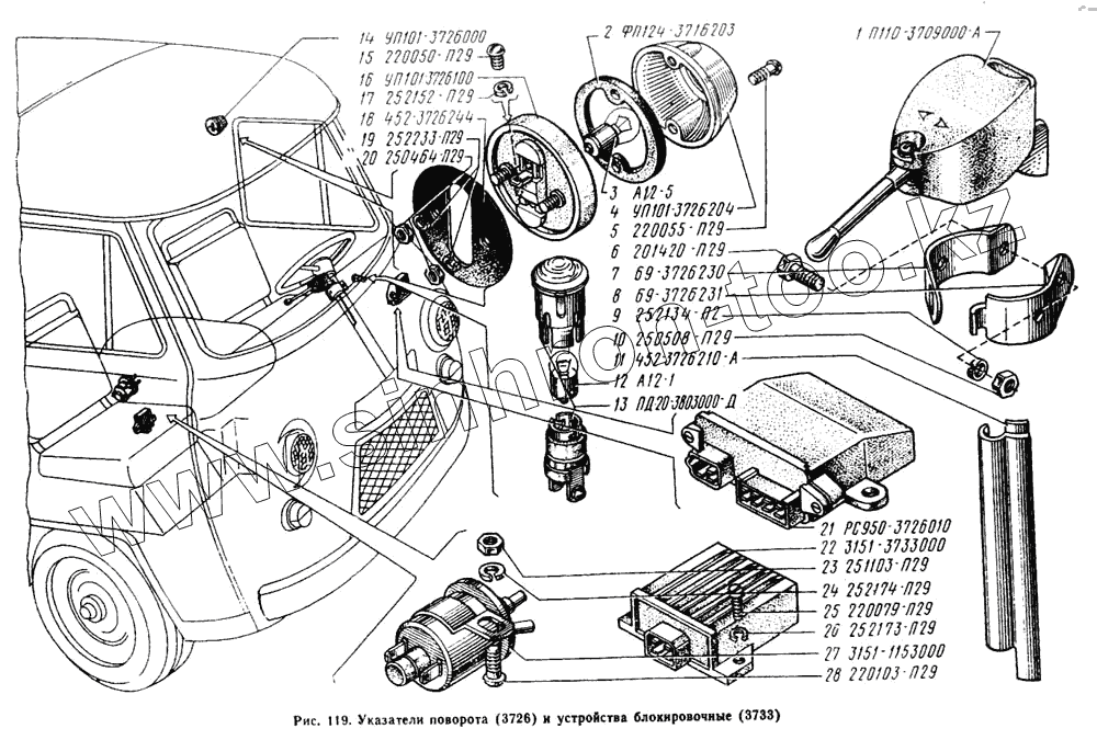
1
2
3
4
5
6
7
8
9
10
11
12
13
14
15
16
17
18
19
20
21
22
23
24
25
26
27
28
Позиция на иллюстрации
Заводской номер детали
Название детали
1
П110-3709000-А
Переключатель указателя поворота
2
ФП124-3716203
Прокладка
3
А 12-5
Лампа электрическая
4
УП101-3726204
Рассеиватель
5
220055-П29
Винт М4х18
6
201420-П29
Болт М6х20
7
69-3726230
Стяжка верхняя хомута переключателя
8
69-3726231
Стяжка нижняя хомута переключателя
9
252134-П2
Шайба 6 пружинная
10
250508-П29
Гайка М6
11
452-3726210-А
Кожух защитный проводов
12
А12-1
Лампа электрическая
13
ПД20-3803000-Д
Фонарь контрольной лампы указателей поворота
14
УП101-3726000
Повторитель боковой указателя поворота
15
220050-П29
Винт М4х8
16
УП101-3726100
Основание в сборе
17
252152-П29
Шайба 4 пружинная
18
452-3726244
Уплотнитель боковою повторителя указателя поворота
19
252233-П29
Шайба 5 пружинная
20
250464-П29
Гайка М5
21
РС950-3726010
Прерыватель указателя поворота в сборе
22
3151-3733000
Электронный блок управления карбюратором
23
251103-П29
Гайка М6
24
252174-П29
Шайба 6 пружинная зубчатая с внутренними зубцами
25
220079-П29
Винт М5х14
26
252173-П29
Шайба 5 пружинная зубчатая с внутренними зубцами
27
3151-1153000
Клапан электромагнитный в сборе
28
220103-П29
Винт М6х12
Содержащиеся в справочниках-каталогах запасные части и детали не предлагаются к продаже, а носят исключительно информационный характер
Дополнительная информация
×
Название:
Номер:
Примечание: