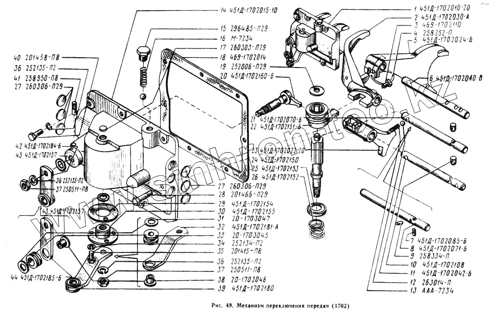
Каталог запасных частей к технике: УАЗ-2206. Механизм переключения передач
1
2
3
4
5
6
7
8
9
10
11
12
13
14
15
16
17
18
19
20
21
22
23
24
25
26
27
28
29
30
31
32
33
34
35
36
37
38
39
40
41
42
43
44
| Позиция на иллюстрации | Заводской номер детали | Название детали | |
|---|---|---|---|
| 1 | 451Д-1702010-20 | Механизм переключения передач в сборе | |
| 2 | 451Д-1702030-А | Вилка переключения 3-й и 4-й передач | |
| 3 | 469-1702110 | Винт стопорный | |
| 4 | 258252-П | Шплинт-проволока 1,2х150 | |
| 5 | 451Д-1702024-Б | Вилка переключения 1-й и 4-й передач | |
| 6 | 451Д-1702040-В | Шток 1-й и 2-й передач | |
| 7 | 451Д-1702085-Б | Палец стопорный | |
| 8 | 451Д-1702071-Б | Шток 3-й и 4-й передач | |
| 9 | 258334-П | Штифт 2х8 | |
| 10 | 451Д-1702108 | Плунжер замочный | |
| 11 | 451Д-1702042-Б | Шток заднего хода | |
| 12 | 263014-П | Шарик 3/8" штоков | |
| 13 | ААА-7234 | Пружина шарика фиксатора | |
| 14 | 451Д-1702015-10 | Крышка боковая | |
| 15 | 296485-П29 | Пробка М 14х1,5 | |
| 16 | М-7234 | Пружина шарика фиксатора штоков переключения | |
| 17 | 260303-П29 | Заглушка ф12 | |
| 18 | 469-1702014 | Прокладка боковой крышки | |
| 19 | 252006-П29 | Шайба 10 | |
| 20 | 451Д-1702160-Б | Рычаг избирательный | |
| 21 | 451Д-1702070-Б | Шток 3-й и 4-й передач в сборе | |
| 22 | 451Д-1702151-Б | Муфта скользящая | |
| 23 | 451Д-1702022-20 | Вилка включения заднего хода | |
| 24 | 451Д-1702150 | Вал муфты | |
| 25 | 451Д-1702153 | Седло отаашной пружины | |
| 26 | 451Д-1702152 | Пружина отжимная муфты переключения | |
| 27 | 260306-П29 | Заглушка ф18 штоков | |
| 28 | 201466-П29 | Болт М8х45 | |
| 29 | 451Д-1702154 | Прокладка крышки вала (0,453111065) | |
| 30 | 451Д-1702155 | Крышка вала | |
| 31 | 20-1703047 | Шайба втулки | |
| 32 | 451Д-1702181-А | Рычаг переключения передач | |
| 33 | 20-1703045 | Подушка противошумная | |
| 34 | 252134-П2 | Шайба 6 пружинная | |
| 35 | 201415-П8 | Болт М6х10 | |
| 36 | 252135-П2 | Шайба 6 пружинная | |
| 37 | 250511-П8 | Гайка М8 | |
| 38 | 20-1703046 | Втулка противошумной подушки | |
| 39 | 451Д-1702180 | Рычаг переключения передач | |
| 40 | 201458-П8 | Болт М8х25 | |
| 41 | 258950-П8 | Штифт 5х30 с накаткой | |
| 42 | 451Д-1702184-Б | Рычаг избирательный | |
| 43 | 451Д-1702157 | Кольцо уплотнительное штоков | |
| 44 | 451Д-1702185-Б | Рычаг избирательный |
Содержащиеся в справочниках-каталогах запасные части и детали не предлагаются к продаже, а носят исключительно информационный характер