Вернуться на главную
Поиск
Каталоги запчастей к технике
Легковые автомобили
УАЗ
Патриот ПИКАП
Система смазки двигателя
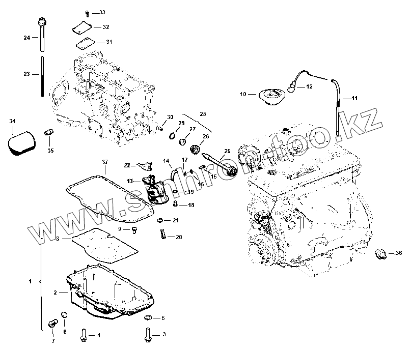
Каталог запасных частей к технике: УАЗ Патриот ПИКАП. Система смазки двигателя
zoom-in
zoom-out
enlarge
shrink
circle-right
circle-left
file-text2
info
cart
Тип техники
Не выбрано
Легковые автомобили
Грузовые автомобили и прицепы
Автобусы
Сельхозтехника
Спецтехника
Двигатели
Мототехника
Марка
Не выбрано
BYD
Chevrolet
Daewoo
Geely
Great Wall
Hyundai
Lifan
Tata
АЗЛК
ВАЗ
ГАЗ
ЗАЗ
ЗИЛ
ИЖ
ЛуАЗ
РАФ
УАЗ
Модель
Не выбрано
4CT90-1ME
UAZ Patriot (2007)
Кондиционер UAZ Patriot (2007)
КПП (Арзамас)
Патриот КЛАССИК (2020)
Патриот КОМФОРТ (2020)
Патриот ЛИМИТЕД 316300-0000305-11 (2020)
Патриот ПИКАП (2020)
Профи (2009)
Профи Стандарт (236324-0000014-00) (2020)
Профи Стандарт (236324-0000100-00) (2020)
Профи Стандарт (236324-0001214-00) (2020)
УАЗ 3741 (каталог 2002 г.) (2002)
УАЗ Patriot (2005)
УАЗ-2206
УАЗ-3151 (1993)
УАЗ-31512 (2002)
УАЗ-31514 (2002)
УАЗ-31519 (2002)
УАЗ-31519 (2005)
УАЗ-31519 (2007)
УАЗ-3160 (2002)
УАЗ-3303
УАЗ-3741
УАЗ-37419 (2009)
УАЗ-3962
Схема
>
Не выбрано
Бак топливный
Бачок расширительный
Блок цилиндров двигателя
Вал коленчатый
Валы распределительные, клапаны, гидротолкатели двигателя
Вентилятор с муфтой
Генератор двигателя
Генератор двигателя
Глушитель основной, резонатор двигателя
Головка блока цилиндров двигателя
Датчики двигателя
Двигатель
Коллектор выпускной и нейтрализатор двигателя
Комплект ГРМ (однорядная цепь)
Комплект ГРМ (однорядная цепь)
Комплект ролика натяжного
Компрессор кондиционера
Контроллер электронной системы управления двигателем
Модуль педали акселератора
Насос топливный, рампа, форсунки двигателя
Насос, термостат системы охлаждения
Подвеска двигателя
Поршни, шатуны двигателя
Привод агрегатов двигателя
Привод газораспределительного механизма двигателя
Радиатор охлаждения
Система вентиляции картерных газов двигателя
Система впуска двигателя
Система зажигания двигателя
Система смазки двигателя
Система улавливания топливных испарений
Стартер двигателя
Трубопроводы топливные
Фильтр воздушный
Фильтр тонкой очистки топлива
Шкивы двигателя
Щитки радиатора
Воздухозаборник системы отопления
Детали модуля отопителя
Модуль и воздуховоды системы отопления
Пульт управления отопителем
Фильтр салона
Шланги отопителя
Вал карданный моста переднего
Вал привода моста заднего коробки раздаточной
Вал привода моста переднего коробки раздаточной
Валы коробки передач 5-ти ступенчатой
Дифференциал моста заднего
Дифференциал моста заднего
Дифференциал моста переднего
Картер коробки передач 5-ти ступенчатой
Картер коробки раздаточной
Картер с кожухами полуосей, передача главная моста заднего
Картер с кожухами полуосей, передача главная моста заднего
Картер, передача главная моста переднего
Комплект сцепления
Коробка передач 5-ти ступенчатая
Коробка передач 5-ти ступенчатая с коробкой раздаточной и тормозом стояночным
Крепеж коробки передач 5-ти ступенччатой к двигателю
Крепеж коробки раздаточной
Кулак поворотный левый, опора шаровая, шкворни, шарнир левый
Кулак поворотный правый, опора шаровая, шкворни, шарнир правый
Механизм переключения коробки передач 5-ти ступенчатой
Механизм переключения коробки раздаточной
Мост задний
Мост задний
Мост передний
Муфта выключения сцепления
Педаль сцепления
Передача карданная моста заднего
Привод сцепления на кузове
Привод сцепления на шасси
Амортизатор подвески задней
Колесо литое
Колесо штампованное
Колонка рулевая
Механизм рулевой с гидроусилителем
Насос ГУР, бачок расширительный масляный, шланги
Пружины, амортизаторы подвески передней
Рессора подвески задней
Стабилизатор подвески задней
Стабилизатор поперечной устойчивости подвески передней
Ступица колеса заднего
Ступица колеса переднего
Тяга поперечная подвески передней
Штанги реактивные подвески передней
Брызговики двигателя
Вентиляция вытяжная
Детали зеркал заднего вида
Детали кунга отсека грузового
Детали сидений
Зеркало заднего вида наружное
Зеркало заднего вида салона
Козырьки противосолнечные
Колесо рулевое
Крепеж номерного знака заднего
Крепеж номерного знака переднего
Крышка люка горловины наливной бака топливного
Крышка отсека грузового
Кунг отсека грузового
Локеры и фартуки передние
Молдинги кузова
Накладки/облицовки, чехлы рычагов коробки передач и коробки раздаточной
Обивка крыши
Обивки дверей задних
Обивки дверей передних
Обивки, облицовки
Облицовка подножки
Облицовка радиатора
Облицовки панели приборов
Панель приборов
Подставки сидений передних
Покрытие и облицовка пола
Поручни крыши
Принадлежности запасного колеса
Ремни безопасности
Сиденья задние
Сиденья передние
Тент, дуги тента
Туннель пола
Установка облицовок сидений задних
Установка уплотнителей пола КПП и РК
Шумоизоляция
Ящик вещевой
Кронштейн педали тормоза
Привод тормоза стояночного
Рычаг привода тормоза стояночного
Суппорт, блок цилиндров тормоза переднего
Тормоз задний
Тормоз передний
Тормоз стояночный
Трубки и шланги тормозные
Усилитель вакуумный
Цилиндр рабочий тормоза заднего
Цилиндр тормозной главный
Шланг усилителя вакуумного
Бампер задний
Бампер передний
Борт задний
Борт задний
Борт задний
Борт задний
Борт задний
Борт задний
Двери задние
Двери передние
Детали боковины
Детали отсека грузового
Детали отсека грузового
Детали отсека грузового
Детали отсека грузового
Детали отсека грузового
Детали отсека грузового
Детали отсека грузового
Детали отсека грузового
Детали отсека грузового
Детали отсека грузового
Детали передка
Детали рамы
Кабина окрашенная
Кабина окрашенная и обитая
Капот с упором ручным
Капот с упором ручным
Крепеж кабины к раме
Крепеж отсека грузового к раме
Крылья передние
Отсек грузовой окрашенный
Отсек грузовой окрашенный
Отсек грузовой окрашенный
Отсек грузовой окрашенный
Отсек грузовой окрашенный
Отсек грузовой окрашенный
Отсек грузовой окрашенный
Отсек грузовой окрашенный
Отсек грузовой окрашенный и обитый
Отсек грузовой окрашенный и обитый
Отсек грузовой окрашенный и обитый
Отсек грузовой окрашенный и обитый
Отсек грузовой окрашенный и обитый
Отсек грузовой окрашенный и обитый
Отсек грузовой окрашенный и обитый
Отсек грузовой окрашенный и обитый
Отсек грузовой окрашенный и обитый
Отсек грузовой окрашенный и обитый
Панели грузового отсека
Панель боковины
Панель задка
Панель пола
Панель рамы ветрового окна
Панель, детали крыши
Привод и механизм открытия капота
Рама
Ручка и замок борта заднего
Ручки и замки двери задней левой
Ручки и замки двери задней правой
Ручки и замки двери передней левой
Ручки и замки двери передней правой
Стекла кузова
Стеклоподъемники и уплотнители дверей передних
Стеклоподъемники и уплотнители задних дверей
Уплотнители кузова
Антиблокировочная система (ABS)
Блок управления электропакетом
Выключатели сцепления и сигнала торможения
Выключатель зажигания и иммобилайзер
Выключатель зажигания и иммобилайзер
Выключатель зажигания и иммобилайзер
Датчики АБС
Жгут проводом по кузову
Жгут освещение салона
Жгут панели приборов
Жгут проводов АБС по раме
Жгут проводов АБС по раме
Жгут проводов ЭСУД
Жгуты дверей
Жгуты проводов моторного отсека
Жгуты проводов основные
Заглушка магнитолы
Заднее освещение
Комбинация приборов
Концевики и датчики РК
Лампы
МУС, блоки управления стеклоподъемниками, блок переключателей на панели приборов
Омыватель окна ветрового
Освещение салона
Переднее освещение
Переключатели и заглушки туннеля пола
Переключатели и заглушки туннеля пола
Переключатели и заглушки туннеля пола
Подушка безопасности
Предохранители
Реле в панели приборов
Розетки
Сигнал звуковой
Стеклоочиститель окна ветрового
Домкрат и инструменты водителя
Дуги грузового отсека
Защита топливного бака
Поручни
Поручни крыши
Фартуки
Батарея аккумуляторная и крепеж
Ремни приводные
Свечи
Тормозные диски и колодки
Фильтр воздушный (элемент фильтрующий)
Фильтр масляный
Фильтр тонкой очистки топлива
Щетки стеклоочистителя передние
28
19
20
21
22
23
24
25
26
27
18
29
30
31
32
33
34
35
36
37
11
2
3
4
5
6
7
8
9
10
1
12
13
14
15
16-1
16
16-2
17
Позиция на иллюстрации
Заводской номер детали
Название детали
28
040600101121900
Кольцо стопорное
19
000000025217529
Шайба
20
000000020149929
Болт
21
000000087460902
Шайба
22
514000101108000
Прокладка масляного насоса
23
040600101122010
Валик привода масляного насоса
24
040600101120020
Привод масляного насоса
25
040600101121610
Шестерня масляного насоса
26
040600101121710
Шестерня
27
040600101122600
Гайка
18
000000020145229
Болт
29
040600100626002
Вал промежуточный
30
000459824025700
Шпонка
31
040600101122300
Прокладка крышки привода масляного насоса
32
040600101123510
Крышка привода масляного насоса
33
000459376112100
Болт
34
040600101200600
Фильтр масляный
35
040600101215000
Штуцер крепления фильтра очистки масла
36
600200382900000
Датчик аварийного давления масла
37
040624100907000
Прокладка масляного картера
11
040920100904510
Трубка указателя уровня масла
2
040900100901530
Картер масляный
3
000000020146029
Болт
4
000000020145729
Болт
5
000000025200529
Шайба
6
040600100903400
Прокладка сливной пробки
7
040600100903511
Пробка
8
040600100902210
Мacлoуcпoкоитель
9
000000020141529
Болт
10
040600100914601
Крышка маслоналивного патрубка
1
040900100901001
Картер масляный
12
040624100905000
Указатель уровня масла с рукояткой и уплотнителем
13
040900101101002
Насос масляный
14
040600101108510
Держатель
15
000000020141829
Болт
16-1
000000025215429
Шайба
16
000000025215402
Шайба
16-2
000000025215433
Шайба
17
000000025200429
Шайба
Содержащиеся в справочниках-каталогах запасные части и детали не предлагаются к продаже, а носят исключительно информационный характер
Дополнительная информация
×
Название:
Номер:
Примечание: