Вернуться на главную
Поиск
Каталоги запчастей к технике
Легковые автомобили
УАЗ
Патриот КОМФОРТ
Батарея аккумуляторная и крепеж
Каталог запасных частей к технике: УАЗ Патриот КОМФОРТ. Батарея аккумуляторная и крепеж
zoom-in
zoom-out
enlarge
shrink
circle-right
circle-left
file-text2
info
cart
Тип техники
Не выбрано
Легковые автомобили
Грузовые автомобили и прицепы
Автобусы
Сельхозтехника
Спецтехника
Двигатели
Мототехника
Марка
Не выбрано
BYD
Chevrolet
Daewoo
Geely
Great Wall
Hyundai
Lifan
Tata
АЗЛК
ВАЗ
ГАЗ
ЗАЗ
ЗИЛ
ИЖ
ЛуАЗ
РАФ
УАЗ
Модель
Не выбрано
4CT90-1ME
UAZ Patriot (2007)
Кондиционер UAZ Patriot (2007)
КПП (Арзамас)
Патриот КЛАССИК (2020)
Патриот КОМФОРТ (2020)
Патриот ЛИМИТЕД 316300-0000305-11 (2020)
Патриот ПИКАП (2020)
Профи (2009)
Профи Стандарт (236324-0000014-00) (2020)
Профи Стандарт (236324-0000100-00) (2020)
Профи Стандарт (236324-0001214-00) (2020)
УАЗ 3741 (каталог 2002 г.) (2002)
УАЗ Patriot (2005)
УАЗ-2206
УАЗ-3151 (1993)
УАЗ-31512 (2002)
УАЗ-31514 (2002)
УАЗ-31519 (2002)
УАЗ-31519 (2005)
УАЗ-31519 (2007)
УАЗ-3160 (2002)
УАЗ-3303
УАЗ-3741
УАЗ-37419 (2009)
УАЗ-3962
Схема
>
Не выбрано
Бак топливный
Бачок расширительный
Блок цилиндров двигателя
Вал коленчатый
Валы распределительные, клапаны, гидротолкатели двигателя
Вентилятор с муфтой
Генератор двигателя
Глушитель основной, резонатор двигателя
Головка блока цилиндров двигателя
Датчики двигателя
Двигатель
Коллектор выпускной и нейтрализатор двигателя
Комплект ГРМ (однорядная цепь)
Комплект ГРМ (однорядная цепь)
Комплект ролика натяжного
Компрессор кондиционера
Контроллер электронной системы управления двигателем
Модуль педали акселератора
Насос топливный, рампа, форсунки двигателя
Насос, термостат системы охлаждения
Подвеска двигателя
Поршни, шатуны двигателя
Привод агрегатов двигателя
Привод газораспределительного механизма двигателя
Радиатор охлаждения
Система вентиляции картерных газов двигателя
Система впуска двигателя
Система зажигания двигателя
Система смазки двигателя
Система улавливания топливных испарений
Стартер
Трубопроводы топливные
Фильтр воздушный
Фильтр тонкой очистки топлива
Шкивы двигателя
Воздухозаборник системы отопления
Детали модуля отопителя
Модуль и воздуховоды системы отопления
Пульт управления отопителем
Трубопроводы кондиционера
Фильтр салона
Шланги отопителя
Блок управления коробки раздаточной
Вал карданный моста заднего
Вал карданный моста переднего
Вал привода моста заднего коробки раздаточной
Вал привода моста переднего коробки раздаточной
Валы коробки передач 5-ти ступенчатой
Дифференциал моста заднего
Дифференциал моста переднего
Картер коробки передач 5-ти ступенчатой
Картер коробки раздаточной
Картер с кожухами полуосей, передача главная моста заднего
Картер, передача главная моста переднего
Комплект сцепления
Коробка передач 5-ти ступенчатая
Коробка передач 5-ти ступенчатая с коробкой раздаточной
Коробка раздаточная
Крепеж коробки передач 5-ти ступенчатой к двигателю
Крепеж коробки раздаточной
Кулак поворотный левый, опора шаровая, шкворни, шарнир левый
Кулак поворотный правый, опора шаровая, шкворни, шарнир правый
Механизм переключения коробки передач 5-ти ступенчатой
Механизм переключения коробки раздаточной
Мост задний
Мост передний
Муфта выключения сцепления
Педаль сцепления
Привод сцепления на кузове
Привод сцепления на шасси
Амортизатор подвески задней
Колесо литое
Колонка рулевая
Механизм рулевой с гидроусилителем
Насос ГУР, бачок расширительный масляный, шланги
Пружины, амортизаторы подвески передней
Рессора подвески задней
Стабилизатор подвески задней
Стабилизатор поперечной устойчивости подвески передней
Ступица колеса заднего
Ступица колеса переднего
Тяга поперечная подвески передней
Штанги реактивные подвески передней
Брызговики двигателя
Детали зеркал заднего вида
Зеркало заднего вида наружное правое/левое
Зеркало заднего вида салона
Козырьки противосолнечные
Колесо рулевое
Крепеж номерного знака заднего
Крепеж номерного знака переднего
Крышка люка горловины наливной бака топливного
Локеры и фартуки задние
Локеры и фартуки передние
Молдинги кузова
Обивка двери задка
Обивка крыши
Обивки задних дверей
Обивки передних дверей
Обивки, облицовки
Облицовка подножки
Облицовка радиатора
Облицовки панели приборов
Панель приборов
Подставки сидений передних
Покрытие и облицовка пола
Поручни крыши
Принадлежности запасного колеса
Ремни безопасности
Сиденья задние
Сиденья передние
Туннель пола
Установка облицовок сидений задних
Чехол рычага коробки передач
Шумоизоляция
Ящик вещевой
Кронштейн педали тормоза
Привод тормоза стояночного
Рычаг привода тормоза стояночного
Суппорт, блок цилиндров тормоза переднего
Тормоз задний
Тормоз передний
Трубки и шланги тормозные
Усилитель вакуумный
Цилиндр рабочий тормоза заднего
Цилиндр тормозной главный
Шланг усилителя вакуумного
Бампер задний
Бампер передний
Двери задние
Двери передние
Дверь задка
Детали боковины
Детали боковины
Детали передка
Детали рамы
Капот с упором ручным
Крепление кузова к раме
Крылья передние
Панель боковины
Панель пола
Панель рамы ветрового окна
Панель, детали крыши
Привод и механизм открытия капота
Рама
Ручка и замок двери задка
Ручки и замки двери задней левой
Ручки и замки двери задней правой
Ручки и замки двери передней левой
Ручки и замки двери передней правой
Стекла кузова
Стеклоподъемники и уплотнители дверей передних
Стеклоподъемники и уплотнители задних дверей
Уплотнители кузова
Антиблокировочная система (ABS), ESP
Блок управления электропакетом
Блоки переключателей и заглушки туннеля пола
Выключатель зажигания и иммобилайзер
Датчик температуры и концевики
Жгут освещения салона
Жгут панели приборов
Жгут проводов АБС по раме
Жгут проводов по кузову
Жгут проводов ЭСУД
Жгуты дверей
Жгуты проводов моторного отсека
Жгуты проводов основные
Комбинация приборов
Лампы
Мультимедийный радиоаппарат
МУС, блоки управления стеклоподъемниками, блок переключателей на панели приборов
Омыватель окон ветрового и двери задка
Освещение багажника
Освещение вещевого ящика
Освещение заднее
Освещение салона
Предохранители
Реле в панели приборов
Розетки
Сигнал звуковой
Стеклоочиститель окна ветрового
Стеклоочиститель окна двери задка
Блок управления СБП в заднем крыле
Домкрат и инструменты водителя
Парктроник задний
Поручни
ФАРТУКИ
Батарея аккумуляторная и крепеж
Ремни приводные
Тормозные диски и колодки
Фильтр воздушный (элемент фильтрующий)
Фильтр масляный
Щетки стеклоочистителя задние
Щетки стеклоочистителя передние
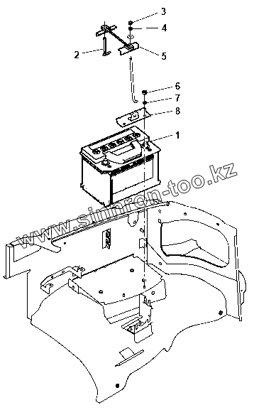
1
2
3
4
5
6
7
8
Позиция на иллюстрации
Заводской номер детали
Название детали
0-1
316300370310696
Стяжка
1
374100370301020
Батарея аккумуляторная 6ст-66аз необслуживаемая
2
316300370310500
Стяжка
3
000000025051029
Гайка
4
000000025213502
Шайба
5
316300370301610
Планка зажима батареи аккумуляторной
6
000000025050829
Гайка
7
000000025213402
Шайба
8
316300370308000
Держатель
Содержащиеся в справочниках-каталогах запасные части и детали не предлагаются к продаже, а носят исключительно информационный характер
Дополнительная информация
×
Название:
Номер:
Примечание: