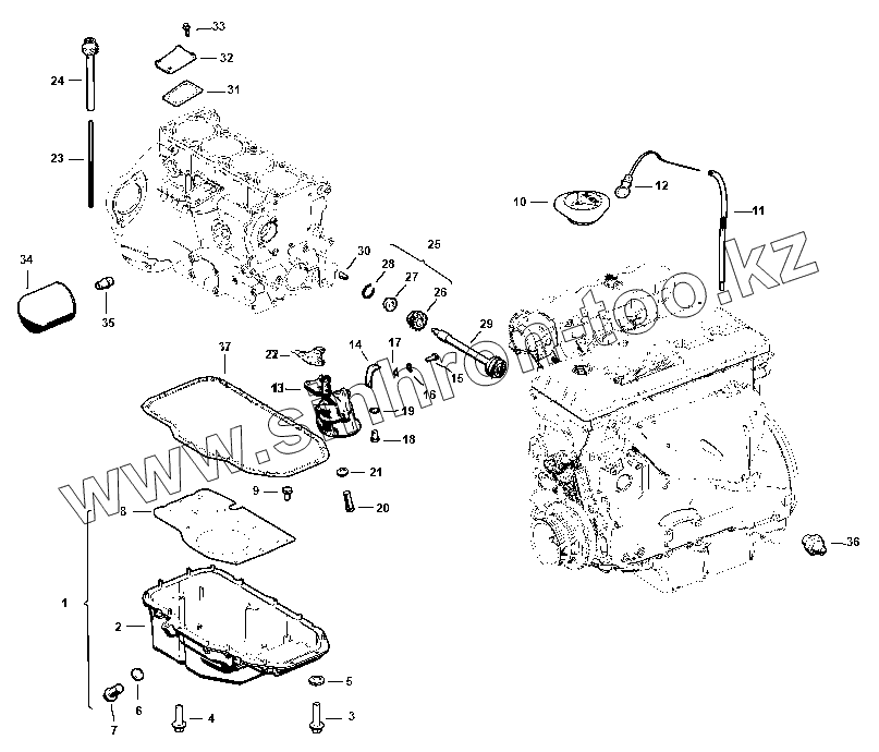
Каталог запасных частей к технике: УАЗ Патриот КЛАССИК. Система смазки двигателя
28
19
20
21
22
23
24
25
26
27
18
29
30
31
32
33
34
35
36
37
11
2
3
4
5
6
7
8
9
10
1
12
13
14
15
16
17
| Позиция на иллюстрации | Заводской номер детали | Название детали | |
|---|---|---|---|
| 28 | 040600101121900 | Кольцо стопорное | |
| 19 | 000000025217529 | Шайба | |
| 20 | 000000020149929 | Болт | |
| 21 | 000000087460902 | Шайба | |
| 22 | 514000101108000 | Прокладка масляного насоса | |
| 23 | 040600101122010 | Валик привода масляного насоса | |
| 24 | 040600101120020 | Привод масляного насоса | |
| 25 | 040600101121610 | Шестерня масляного насоса | |
| 26 | 040600101121710 | Шестерня | |
| 27 | 040600101122600 | Гайка | |
| 18 | 000000020145229 | Болт | |
| 29 | 040600100626002 | Вал промежуточный | |
| 30 | 000459824025700 | Шпонка | |
| 31 | 040600101122300 | Прокладка крышки привода масляного насоса | |
| 32 | 040600101123510 | Крышка привода масляного насоса | |
| 33 | 000459376112100 | Болт | |
| 34 | 040600101200600 | Фильтр масляный | |
| 35 | 040600101215000 | Штуцер крепления фильтра очистки масла | |
| 36 | 600200382900000 | Датчик аварийного давления масла | |
| 37 | 040624100907000 | Прокладка масляного картера | |
| 11 | 040920100904510 | Трубка указателя уровня масла | |
| 2 | 040900100901530 | Картер масляный | |
| 3 | 000000020146029 | Болт | |
| 4 | 000000020145729 | Болт | |
| 5 | 000000025200529 | Шайба | |
| 6 | 040600100903400 | Прокладка сливной пробки | |
| 7 | 040600100903511 | Пробка | |
| 8 | 040600100902210 | Мacлoуcпoкоитель | |
| 9 | 000000020141529 | Болт | |
| 10 | 040600100914601 | Крышка маслоналивного патрубка | |
| 1 | 040900100901001 | Картер масляный | |
| 12 | 040624100905000 | Указатель уровня масла с рукояткой и уплотнителем | |
| 13 | 040900101101002 | Насос масляный | |
| 14 | 040600101108510 | Держатель | |
| 15 | 000000020141829 | Болт | |
| 16-1 | 000000025215429 | Шайба | |
| 16 | 000000025215402 | Шайба | |
| 16-2 | 000000025215433 | Шайба | |
| 17 | 000000025200429 | Шайба |
Содержащиеся в справочниках-каталогах запасные части и детали не предлагаются к продаже, а носят исключительно информационный характер