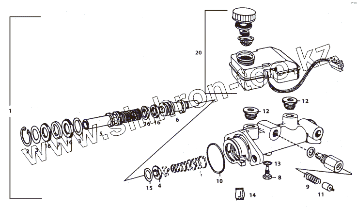
Каталог запасных частей к технике: Tata Telcoline-207. TANDEM MASTER CYLINDER (KBX)
1
2
2
3
3
4
4
5
6
7
7
8
9
10
10
11
12
12
13
13
14
14
15
16
16
16
16
20
| Позиция на иллюстрации | Заводской номер детали | Название детали | |
|---|---|---|---|
| 2654 4210 01 78 | 2654 4210 01 78 | Major Repair Kit Consisting of : | |
| 2654 4210 01 79 | 2654 4210 01 79 | Minor Repair Kit Consisting of : | |
| 1 | 2698 4310 01 07 | Assy. Tandem Master Cylinder (KBX) (Aluminium) | |
| 2 | Circlip | Circlip | |
| 2 | Circlip | Circlip | |
| 3 | Gasket | Gasket | |
| 4 | Primary Seal | Primary Seal | |
| 4 | Primary Seal | Primary Seal | |
| 5 | Primary Piston | Primary Piston | |
| 6 | Secondary Piston | Secondary Piston | |
| 7 | Spacer | Spacer | |
| 7 | Spacer | Spacer | |
| 8 | Secondary Piston Stopper | Secondary Piston Stopper | |
| 9 | Spring Residual Valve | Spring Residual Valve | |
| 10 | 'O' Ring | 'O' Ring | |
| 10 | 'O' Ring | 'O' Ring | |
| 11 | Residual Valve | Residual Valve | |
| 12 | Grommet | Grommet | |
| 13 | Gasket | Gasket | |
| 13 | Gasket | Gasket | |
| 14 | Grease Pack | Grease Pack | |
| 14 | Grease Pack | Grease Pack | |
| 15 | Cup Spacer | Cup Spacer | |
| 16 | Piston Seal | Piston Seal | |
| 20 | 2654 4310 01 26 | Assy. Brake Fluid Container (KBX) |
Содержащиеся в справочниках-каталогах запасные части и детали не предлагаются к продаже, а носят исключительно информационный характер