Каталог запасных частей к технике: Tata Telcoline-207. GEAR BOX
1
1
1
2
2
3
4
6
6
7
7
8
8
9
10
11
12
12
13
14
14
15
16
18
18
19
21
21
22
24
26
27
28
29
30
31
31
32
33
34
35
35
36
37
38
40
41
41
43
45
46
47
48
48
49
49
50
52
53
53
58
58
58
58
58
60
60
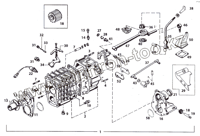
| Позиция на иллюстрации | Заводской номер детали | Название детали | |
|---|---|---|---|
| 120 261 00 80 | 120 261 00 80 | Rotary Shaft Seal | |
| 8854 2601 02 07 | 8854 2601 02 07 | Gasket Kit G76 gear Box, Consisting of:- | |
| Gasket | Gasket | Gasket | |
| 321 261 00 31 | 321 261 00 31 | Adaptor | |
| 2684 2625 53 01 | 2684 2625 53 01 | Gasket, Gear Case Cover Front | |
| 1 | 2684 2601 03 97 | Assy G-76/3.87 Comp,Telcoline Facelift,4X2 | |
| 1 | 2684 2601 03 99 | Assy. G76/3.87 Comp. Telcoline, Facelift,4X4 | |
| 1 | 2684 2602 01 07 | Assy. G-76/4.1 Comp, Telcoline Facelift 4x2 | |
| 2 | 2684 2610 01 33 | Sub Assy. Gear Box Housing | |
| 2 | 2684 2610 01 37 | Sub Assy. Gear Box Housing | |
| 3 | 2519 2610 88 04 | Stud | |
| 4 | 2519 2610 88 08 | Stud | |
| 6 | 2519 2610 88 06 | Stud | |
| 6 | 1163 529602 1 | Stud CM 8X30 | |
| 7 | 2519 2610 88 02 | Stud | |
| 8 | Gasket | Gasket | |
| 8 | 2684 2610 53 01 | Gasket | |
| 9 | 2663 3510 72 07 | Magnetic Drain Plug | |
| 10 | 000 997 00 06J | Plug Oil Filling | |
| 11 | 2684 2625 38 01 | Gear Case Cover Front | |
| 12 | 2519 2625 78 01 | Double Lip Oil Seal (Drive Shaft) | |
| 12 | Oil Seal (Drive Shaft) | Oil Seal (Drive Shaft) | |
| 13 | 2519 2625 01 13 | Assy. Brg. Tube (D/shaft) | |
| 14 | 2574 2815 99 02 | Adaptor | |
| 14 | Oil Seal (Selector & shifter Shaft) | Oil Seal (Selector & shifter Shaft) | |
| 15 | 2668 3515 01 02 | Pressure relief Valve | |
| 16 | 2684 2620 01 90 | Assembly Rear Cover | |
| 18 | 2519 2620 01 05 | Speedometer Drive Gear | |
| 19 | 2519 2620 79 06 | Shaft (Speedometer Drive ) | |
| 21 | Oil Seal (Main Shaft) | Oil Seal (Main Shaft) | |
| 21 | 2519 2620 78 08 | Oil Seal (Main Shaft) | |
| 22 | 2698 5450 01 40 | Reverse Light Switch | |
| 24 | 2684 2671 38 01 | Bracket (Extension Arm) | |
| 26 | 2684 2671 67 02 | Pin Extention Arm Bracket | |
| 27 | 2696 2680 63 01 | Washeer | |
| 28 | 2684 2670 82 07 | Retainer Plate | |
| 29 | 2684 2671 01 27 | Assy Bracket With Bush | |
| 30 | 2684 2651 82 01 | Pressure Plate, OD Gear | |
| 31 | 2684 2651 72 01 | Threaded Plug, OD Pr. Plate | |
| 32 | 2684 2651 87 15 | Spring (Detent Plate OD Gear) | |
| 33 | 2684 2651 34 05 | Roller (Detent Plate) | |
| 34 | 2684 2651 82 02 | Pressure Plate (Reverse Gear) | |
| 35 | 2684 2680 01 23 | Sub assy. Gear Shift Lever | |
| 35 | 2684 2680 01 07 | Sub assy. Gear Shift Lever | |
| 36 | 2684 2680 34 01 | Bush (Ball - Seat Gear Shift Lever) | |
| 37 | 2684 2671 01 33 | Assy Shift Link | |
| 38 | 2684 2680 02 26 | Assy Gear Shift Lever Knob (Safari) | |
| 40 | 2684 2680 77 04 | Rubber Bellow | |
| 41 | 2684 2671 63 02 | Collar Bush (Extension Arm) | |
| 43 | 2684 2671 63 01 | Collar Bush (Shift Link) | |
| 45 | 2684 2651 37 06 | Shifting Yoke (Flat End Version) | |
| 46 | 2519 2671 01 33 | Assy Ext Box Support (Tatasport) | |
| 47 | 2684 2671 38 02 | Extension Arm | |
| 48 | 2684 2680 77 08 | Rubber Sealing(Ext.Arm To Tunnel) | |
| 48 | 2684 2680 77 01 | Rubber Sealing(Ext.Arm To Tunnel) | |
| 49 | 2519 2680 82 11 | Clamping Plate(For Sealing On Tunnel) | |
| 49 | 2684 2680 82 05 | Clamping Plate(For Sealing On Tunnel) | |
| 50 | 2684 2680 77 22 | Gaiter (Telcoline Facelift) | |
| 52 | 2684 2651 71 01 | Detent Cover (Shifter Shaft Detent) | |
| 53 | Gasket, Detent Cover | Gasket, Detent Cover | |
| 53 | 2684 2651 53 01 | Gasket, Detent Cover | |
| 58 | 312 263 21 52 | Shim 0.050 | |
| 58 | 312 263 16 52 | Shim 0.500 | |
| 58 | 312 263 15 52 | Shim 0.240 | |
| 58 | 312 263 14 52 | Shim 0.125 | |
| 58 | 2684 2635 65 01 | Hexagon Bolt (Reverse Idler Gear) | |
| 60 | 2684 2680 34 02 | Bush (Gear Shift Lever - Lower) | |
| 60 | 2684 2680 34 08 | Bush (Gear Shift Lever - Lower) |
Содержащиеся в справочниках-каталогах запасные части и детали не предлагаются к продаже, а носят исключительно информационный характер