Вернуться на главную
Поиск
Каталоги запчастей к технике
Легковые автомобили
РАФ
РАФ-2203
Педаль и привод рабочих тормозов
Каталог запасных частей к технике: РАФ-2203. Педаль и привод рабочих тормозов
zoom-in
zoom-out
enlarge
shrink
circle-right
circle-left
file-text2
info
cart
Тип техники
Не выбрано
Легковые автомобили
Грузовые автомобили и прицепы
Автобусы
Сельхозтехника
Спецтехника
Двигатели
Мототехника
Марка
Не выбрано
BYD
Chevrolet
Daewoo
Geely
Great Wall
Hyundai
Lifan
Tata
АЗЛК
ВАЗ
ГАЗ
ЗАЗ
ЗИЛ
ИЖ
ЛуАЗ
РАФ
УАЗ
Модель
Не выбрано
РАФ-2203 (1995)
РАФ-22038-2 (1994—1997)
Схема
>
Не выбрано
Основание в сборе
Коврики пола
Стекло и уплотнитель ветрового окна
Стеклоочиститель и привод
Насос обывателя ветрового стекла
Ящик вещевой
Обивка боковины
Окна боковины
Люки боковины
Обивка крыши
Обивки и уплотнители передних дверей
Окна, механизмы перемещения стекол передних дверей
Замки и ручки передних дверей
Навески передних дверей
Обивка, окно и уплотнители двери салона
Замок и ручки двери салона
Навеска двери салона
Дверь задняя в сборе, обивка, окно, уплотнители
Замки и ручки задней двери
Навеска задней двери
Подушка, механизм регулирования положения сиденья водителя, спинка сиденья водителя
Сиденье переднее
Сиденье одноместное
Сиденье одноместное, подставка одноместного сиденья, подставка двухместного сиденья
Сиденье одноместное, подлокотник, подставка трехместного сиденья
Сиденье одноместное, подставка многоместного сиденья
Отопление салона
Обогрев ветрового стекла
Распределитель воздухообогрева, обогрев боковых стекол кузова
Зеркала
Зеркала
Поручни и крючки для одежды, козырьки противосолнечные
Знаки заводские и надпись декоративная
Капоты
Капоты
Замок и привод замка капота
Крыло заднее
Облицовка радиатора
Двигатель в сборе (изображение отсутствует)
Подвеска двигателя
Блок и головка цилиндров двигателя
Поршни и шатуны двигателя
Вал коленчатый и маховик двигателя
Вал распределительный двигателя
Вал распределительный, клапаны и толкатели клапанов двигателя
Газопровод впускной и выпускной двигателя
Картер масляный и вентиляция картера двигателя
Маслоприемник, насос масляный двигателя, привод распределителя зажигания
Насос масляный двигателя, привод распределителя зажигания
Радиатор масляный двигателя
Фильтр тонкой очистки масла двигателя
Фильтр тонкой очистки масла двигателя
Бак топливный
Трубопроводы топливные
Насос топливный
Карбюратор (1 ч.)
Карбюратор (2 ч.)
Карбюратор (3 ч.)
Акселератор
Фильтр воздушный двигателя
Фильтр тонкой очистки топлива
Глушитель выхлопа, трубы выхлопные
Радиатор
Термостат, насос водяной
Вентилятор и привод
Жалюзи радиатора и привод
Сцепление (1 ч.)
Сцепление (2 ч.)
Механизм и привод управления сцеплением
Механизм и привод управления сцеплением, цилиндр главный тормозной
Коробка передач (1 ч.)
Коробка передач (2 ч.)
Коробка передач (3 ч.)
Механизм переключения передач (1 ч.)
Механизм переключения передач (2 ч.)
Вал карданный заднего моста, вал карданный промежуточный
Мост задний в сборе, картер и кожухи полуосей, дифференциал и полуоси
Передача главная заднего моста, дифференциал и полуоси
Буфер передний, буферы задние
Подвеска передняя в сборе, рессоры передние, стойки и рычаги
Амортизаторы передние
Стабилизатор
Рессоры задние
Амортизаторы задние (1 ч.)
Амортизаторы задние (2 ч.)
Ось передняя и кулаки поворотные
Колеса, ступицы передних колес
Колеса, держатель запасного колеса, шины
Управление рулевое, крепление рулевого управления
Механизм рулевого управления
Колесо рулевого управления, сигналы звуковые
Тяги рулевые (1 ч.)
Тяги рулевые (2 ч.)
Тормоза рабочие передние
Тормоза рабочие задние
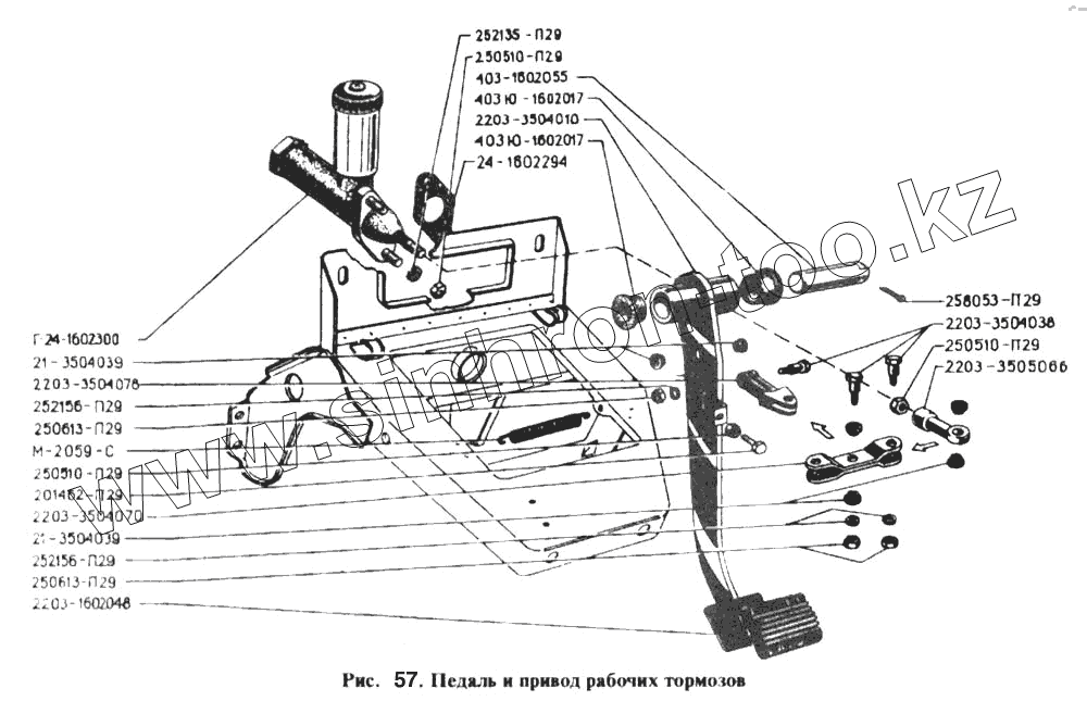
Педаль и привод рабочих тормозов
Сигнализатор аварийный тормозов
Трубопроводы
Привод тормоза стоянки
Усилитель гидровакуумый
Клапан управления гидровакуумым усилителем
Генератор (1 ч.)
Генератор (2 ч.)
Батарея аккумуляторная, выключатель массы, контейнер батареи
Катушка зажигания, распределитель зажигания, свечи и провода зажигания
Распределитель зажигания
Стартер и выключатель стартера
Переключатели, включатели, подфарники, указатели поворота
Фары
Фонари задние, фонарь освещения номерного знака, указатели поворота
Детали электрооборудования
Электропровода
Комбинация приборов
Комбинация приборов
Комбинация приборов
Инструмент водителя, шприцы, домкраты
Основные габаритные размеры
403-1602055
258053-П29
252156-П29
252135-П29
Г-24-1602300
М-2059-С
2203-3505066
24-1602294
2203-3504010
201462-П29
2203-3504038
2203-1602048
2203-3504070
250613-П29
250510-П29
403Ю-1602017
21-3504039
2203-3504078
Позиция на иллюстрации
Заводской номер детали
Название детали
403-1602055
403-1602055
Ось педали
258053-П29
258053-П29
Шплинт
252156-П29
252156-П29
Шайба
252135-П29
252135-П29
Шайба
Г-24-1602300
Г-24-1602300
Цилиндр главный (комплект)
М-2059-С
М-2059-С
Пружина
2203-3505066
2203-3505066
Проушина
24-1602294
24-1602294
Прокладка
2203-3504010
2203-3504010
Педаль в сборе
201462-П29
201462-П29
Болт
2203-3504038
2203-3504038
Ось
2203-1602048
2203-1602048
Накладка
2203-3504070
2203-3504070
Коромысло в сборе
250613-П29
250613-П29
Гайка
250510-П29
250510-П29
Гайка
403Ю-1602017
403Ю-1602017
Втулка
21-3504039
21-3504039
Втулка
2203-3504078
2203-3504078
Вилка
Содержащиеся в справочниках-каталогах запасные части и детали не предлагаются к продаже, а носят исключительно информационный характер
Дополнительная информация
×
Название:
Номер:
Примечание: