Вернуться на главную
Поиск
Каталоги запчастей к технике
Легковые автомобили
РАФ
РАФ-2203
Навеска двери салона
Каталог запасных частей к технике: РАФ-2203. Навеска двери салона
zoom-in
zoom-out
enlarge
shrink
circle-right
circle-left
file-text2
info
cart
Тип техники
Не выбрано
Легковые автомобили
Грузовые автомобили и прицепы
Автобусы
Сельхозтехника
Спецтехника
Двигатели
Мототехника
Марка
Не выбрано
BYD
Chevrolet
Daewoo
Geely
Great Wall
Hyundai
Lifan
Tata
АЗЛК
ВАЗ
ГАЗ
ЗАЗ
ЗИЛ
ИЖ
ЛуАЗ
РАФ
УАЗ
Модель
Не выбрано
РАФ-2203 (1995)
РАФ-22038-2 (1994—1997)
Схема
>
Не выбрано
Основание в сборе
Коврики пола
Стекло и уплотнитель ветрового окна
Стеклоочиститель и привод
Насос обывателя ветрового стекла
Ящик вещевой
Обивка боковины
Окна боковины
Люки боковины
Обивка крыши
Обивки и уплотнители передних дверей
Окна, механизмы перемещения стекол передних дверей
Замки и ручки передних дверей
Навески передних дверей
Обивка, окно и уплотнители двери салона
Замок и ручки двери салона
Навеска двери салона
Дверь задняя в сборе, обивка, окно, уплотнители
Замки и ручки задней двери
Навеска задней двери
Подушка, механизм регулирования положения сиденья водителя, спинка сиденья водителя
Сиденье переднее
Сиденье одноместное
Сиденье одноместное, подставка одноместного сиденья, подставка двухместного сиденья
Сиденье одноместное, подлокотник, подставка трехместного сиденья
Сиденье одноместное, подставка многоместного сиденья
Отопление салона
Обогрев ветрового стекла
Распределитель воздухообогрева, обогрев боковых стекол кузова
Зеркала
Зеркала
Поручни и крючки для одежды, козырьки противосолнечные
Знаки заводские и надпись декоративная
Капоты
Капоты
Замок и привод замка капота
Крыло заднее
Облицовка радиатора
Двигатель в сборе (изображение отсутствует)
Подвеска двигателя
Блок и головка цилиндров двигателя
Поршни и шатуны двигателя
Вал коленчатый и маховик двигателя
Вал распределительный двигателя
Вал распределительный, клапаны и толкатели клапанов двигателя
Газопровод впускной и выпускной двигателя
Картер масляный и вентиляция картера двигателя
Маслоприемник, насос масляный двигателя, привод распределителя зажигания
Насос масляный двигателя, привод распределителя зажигания
Радиатор масляный двигателя
Фильтр тонкой очистки масла двигателя
Фильтр тонкой очистки масла двигателя
Бак топливный
Трубопроводы топливные
Насос топливный
Карбюратор (1 ч.)
Карбюратор (2 ч.)
Карбюратор (3 ч.)
Акселератор
Фильтр воздушный двигателя
Фильтр тонкой очистки топлива
Глушитель выхлопа, трубы выхлопные
Радиатор
Термостат, насос водяной
Вентилятор и привод
Жалюзи радиатора и привод
Сцепление (1 ч.)
Сцепление (2 ч.)
Механизм и привод управления сцеплением
Механизм и привод управления сцеплением, цилиндр главный тормозной
Коробка передач (1 ч.)
Коробка передач (2 ч.)
Коробка передач (3 ч.)
Механизм переключения передач (1 ч.)
Механизм переключения передач (2 ч.)
Вал карданный заднего моста, вал карданный промежуточный
Мост задний в сборе, картер и кожухи полуосей, дифференциал и полуоси
Передача главная заднего моста, дифференциал и полуоси
Буфер передний, буферы задние
Подвеска передняя в сборе, рессоры передние, стойки и рычаги
Амортизаторы передние
Стабилизатор
Рессоры задние
Амортизаторы задние (1 ч.)
Амортизаторы задние (2 ч.)
Ось передняя и кулаки поворотные
Колеса, ступицы передних колес
Колеса, держатель запасного колеса, шины
Управление рулевое, крепление рулевого управления
Механизм рулевого управления
Колесо рулевого управления, сигналы звуковые
Тяги рулевые (1 ч.)
Тяги рулевые (2 ч.)
Тормоза рабочие передние
Тормоза рабочие задние
Педаль и привод рабочих тормозов
Сигнализатор аварийный тормозов
Трубопроводы
Привод тормоза стоянки
Усилитель гидровакуумый
Клапан управления гидровакуумым усилителем
Генератор (1 ч.)
Генератор (2 ч.)
Батарея аккумуляторная, выключатель массы, контейнер батареи
Катушка зажигания, распределитель зажигания, свечи и провода зажигания
Распределитель зажигания
Стартер и выключатель стартера
Переключатели, включатели, подфарники, указатели поворота
Фары
Фонари задние, фонарь освещения номерного знака, указатели поворота
Детали электрооборудования
Электропровода
Комбинация приборов
Комбинация приборов
Комбинация приборов
Инструмент водителя, шприцы, домкраты
Основные габаритные размеры
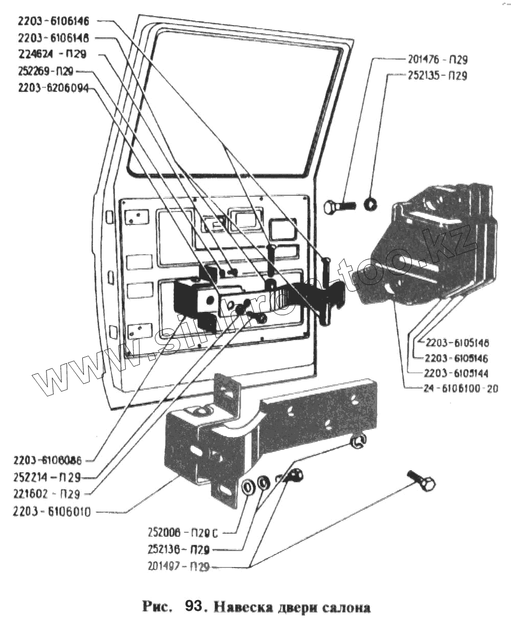
2203-6105144
252269-П29
252214-П29
252136-П29
252135-П29
252006-П29С
24-6106100-20
2203-6206094
2203-6105148
2203-6105146
201476-П29
2203-6106010
2203-6106146
2203-6106086
2203-6106148
224624-П29
221602-П29
201497-П29
Позиция на иллюстрации
Заводской номер детали
Название детали
2203-6105144
2203-6105144
Прокладка
252269-П29
252269-П29
Шайба
252214-П29
252214-П29
Шайба
252136-П29
252136-П29
Шайба
252135-П29
252135-П29
Шайба
252006-П29С
252006-П29С
Шайба
24-6106100-20
24-6106100-20
Фиксатор правый
24-6106101-20
24-6106101-20
Фиксатор левый
2203-6206094
2203-6206094
Рычаг
2203-6105148
2203-6105148
Прокладка
2203-6105146
2203-6105146
Прокладка
201476-П29
201476-П29
Болт
2203-6106010
2203-6106010
Петля правая
2203-6106011
2203-6106011
Петля левая
2203-6106146
2203-6106146
Ось
2203-6106086
2203-6106086
Кронштейн правый
2203-6106087
2203-6106087
Кронштейн левый
2203-6106148
2203-6106148
Втулка
224624-П29
224624-П29
Винт
221602-П29
221602-П29
Винт
201497-П29
201497-П29
Болт
Содержащиеся в справочниках-каталогах запасные части и детали не предлагаются к продаже, а носят исключительно информационный характер
Дополнительная информация
×
Название:
Номер:
Примечание: