Вернуться на главную
Поиск
Каталоги запчастей к технике
Легковые автомобили
РАФ
РАФ-2203
Маслоприемник, насос масляный двигателя, привод распределителя зажигания
Каталог запасных частей к технике: РАФ-2203. Маслоприемник, насос масляный двигателя, привод распределителя зажигания
zoom-in
zoom-out
enlarge
shrink
circle-right
circle-left
file-text2
info
cart
Тип техники
Не выбрано
Легковые автомобили
Грузовые автомобили и прицепы
Автобусы
Сельхозтехника
Спецтехника
Двигатели
Мототехника
Марка
Не выбрано
BYD
Chevrolet
Daewoo
Geely
Great Wall
Hyundai
Lifan
Tata
АЗЛК
ВАЗ
ГАЗ
ЗАЗ
ЗИЛ
ИЖ
ЛуАЗ
РАФ
УАЗ
Модель
Не выбрано
РАФ-2203 (1995)
РАФ-22038-2 (1994—1997)
Схема
>
Не выбрано
Основание в сборе
Коврики пола
Стекло и уплотнитель ветрового окна
Стеклоочиститель и привод
Насос обывателя ветрового стекла
Ящик вещевой
Обивка боковины
Окна боковины
Люки боковины
Обивка крыши
Обивки и уплотнители передних дверей
Окна, механизмы перемещения стекол передних дверей
Замки и ручки передних дверей
Навески передних дверей
Обивка, окно и уплотнители двери салона
Замок и ручки двери салона
Навеска двери салона
Дверь задняя в сборе, обивка, окно, уплотнители
Замки и ручки задней двери
Навеска задней двери
Подушка, механизм регулирования положения сиденья водителя, спинка сиденья водителя
Сиденье переднее
Сиденье одноместное
Сиденье одноместное, подставка одноместного сиденья, подставка двухместного сиденья
Сиденье одноместное, подлокотник, подставка трехместного сиденья
Сиденье одноместное, подставка многоместного сиденья
Отопление салона
Обогрев ветрового стекла
Распределитель воздухообогрева, обогрев боковых стекол кузова
Зеркала
Зеркала
Поручни и крючки для одежды, козырьки противосолнечные
Знаки заводские и надпись декоративная
Капоты
Капоты
Замок и привод замка капота
Крыло заднее
Облицовка радиатора
Двигатель в сборе (изображение отсутствует)
Подвеска двигателя
Блок и головка цилиндров двигателя
Поршни и шатуны двигателя
Вал коленчатый и маховик двигателя
Вал распределительный двигателя
Вал распределительный, клапаны и толкатели клапанов двигателя
Газопровод впускной и выпускной двигателя
Картер масляный и вентиляция картера двигателя
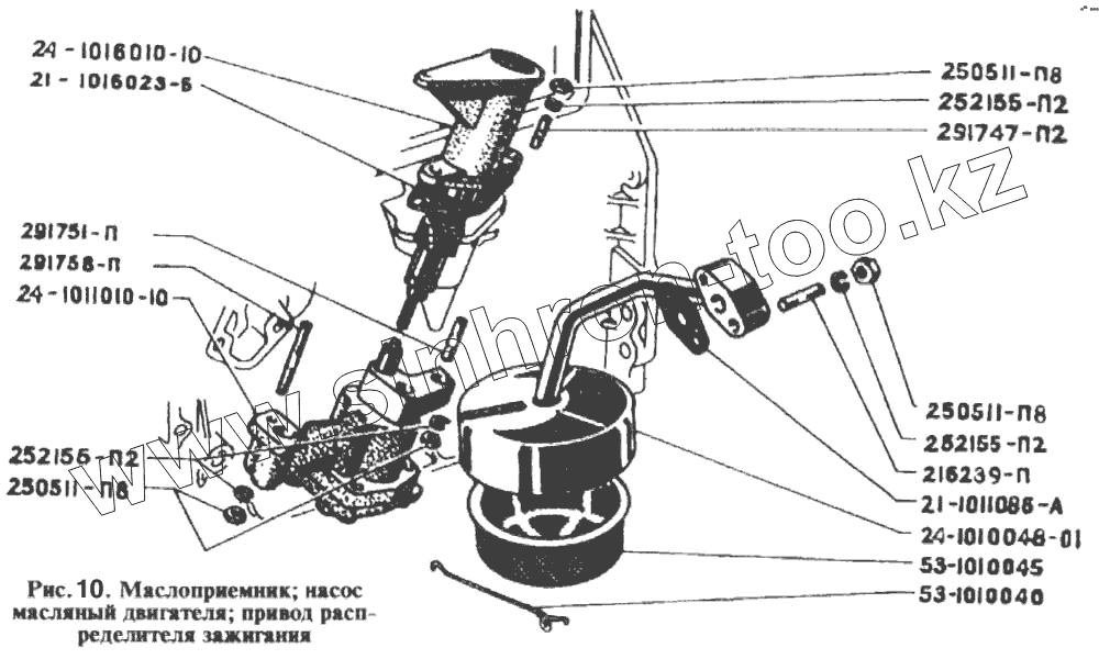
Маслоприемник, насос масляный двигателя, привод распределителя зажигания
Насос масляный двигателя, привод распределителя зажигания
Радиатор масляный двигателя
Фильтр тонкой очистки масла двигателя
Фильтр тонкой очистки масла двигателя
Бак топливный
Трубопроводы топливные
Насос топливный
Карбюратор (1 ч.)
Карбюратор (2 ч.)
Карбюратор (3 ч.)
Акселератор
Фильтр воздушный двигателя
Фильтр тонкой очистки топлива
Глушитель выхлопа, трубы выхлопные
Радиатор
Термостат, насос водяной
Вентилятор и привод
Жалюзи радиатора и привод
Сцепление (1 ч.)
Сцепление (2 ч.)
Механизм и привод управления сцеплением
Механизм и привод управления сцеплением, цилиндр главный тормозной
Коробка передач (1 ч.)
Коробка передач (2 ч.)
Коробка передач (3 ч.)
Механизм переключения передач (1 ч.)
Механизм переключения передач (2 ч.)
Вал карданный заднего моста, вал карданный промежуточный
Мост задний в сборе, картер и кожухи полуосей, дифференциал и полуоси
Передача главная заднего моста, дифференциал и полуоси
Буфер передний, буферы задние
Подвеска передняя в сборе, рессоры передние, стойки и рычаги
Амортизаторы передние
Стабилизатор
Рессоры задние
Амортизаторы задние (1 ч.)
Амортизаторы задние (2 ч.)
Ось передняя и кулаки поворотные
Колеса, ступицы передних колес
Колеса, держатель запасного колеса, шины
Управление рулевое, крепление рулевого управления
Механизм рулевого управления
Колесо рулевого управления, сигналы звуковые
Тяги рулевые (1 ч.)
Тяги рулевые (2 ч.)
Тормоза рабочие передние
Тормоза рабочие задние
Педаль и привод рабочих тормозов
Сигнализатор аварийный тормозов
Трубопроводы
Привод тормоза стоянки
Усилитель гидровакуумый
Клапан управления гидровакуумым усилителем
Генератор (1 ч.)
Генератор (2 ч.)
Батарея аккумуляторная, выключатель массы, контейнер батареи
Катушка зажигания, распределитель зажигания, свечи и провода зажигания
Распределитель зажигания
Стартер и выключатель стартера
Переключатели, включатели, подфарники, указатели поворота
Фары
Фонари задние, фонарь освещения номерного знака, указатели поворота
Детали электрооборудования
Электропровода
Комбинация приборов
Комбинация приборов
Комбинация приборов
Инструмент водителя, шприцы, домкраты
Основные габаритные размеры
24-1011010-10
24-1016010-10
21-1011086-А
21-1016023-Б
53-1010040
53-1010045
24-1010048-01
252155-П2
216239-П
291747-П2
291751-П
291758-П
Позиция на иллюстрации
Заводской номер детали
Название детали
250511-П8
250511-П8
Гайка
24-1010010-01
24-1010010-01
Маслоприемник в сборе
24-1011010-10
24-1011010-10
Насос в сборе
24-1016010-10
24-1016010-10
Привод в сборе
21-1011086-А
21-1011086-А
Прокладка
21-1016023-Б
21-1016023-Б
Прокладка
53-1010040
53-1010040
Пружина
53-1010045
53-1010045
Сетка
24-1010048-01
24-1010048-01
Трубка
252155-П2
252155-П2
Шайба
216239-П
216239-П
Шпилька
291747-П2
291747-П2
Шпилька
291751-П
291751-П
Шпилька
291758-П
291758-П
Шпилька
Содержащиеся в справочниках-каталогах запасные части и детали не предлагаются к продаже, а носят исключительно информационный характер
Дополнительная информация
×
Название:
Номер:
Примечание: