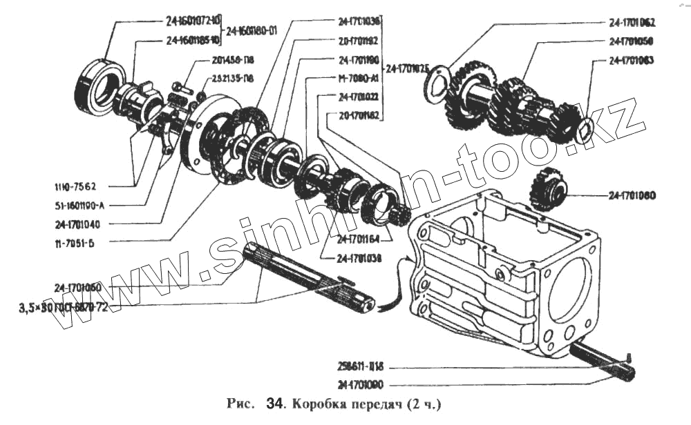
Каталог запасных частей к технике: РАФ-2203. Коробка передач (2 ч.)
24-1701090
258611-П18
24-1701080
24-1701063
24-1701062
252135-П8
51-1601190-А
ГОСТ 6870—72
20-1701182
11Ю-7562
11-7051-Б
24-1701190
24-1601072-10
24-1701050
24-1701060
24-1601180-01
24-1601185-10
М-7080-А1
24-1701040
24-1701036
20-1701192
24-1701164
24-1701030
24-1701022
24-1701025
201458-П8
| Позиция на иллюстрации | Заводской номер детали | Название детали | |
|---|---|---|---|
| 24-1701090 | 24-1701090 | Ось шестерен заднего хода | |
| 258611-П18 | 258611-П18 | Штифт | |
| 24-1701080 | 24-1701080 | Шестерня заднего хода | |
| 24-1701063 | 24-1701063 | Шайба упорная | |
| 24-1701062 | 24-1701062 | Шайба упорная | |
| 252135-П8 | 252135-П8 | Шайба | |
| 51-1601190-А | 51-1601190-А | Скоба | |
| ГОСТ 6870—72 | ГОСТ 6870—72 | Ролик 3,5х30 | |
| 20-1701182 | 20-1701182 | Ролик | |
| 11Ю-7562 | 11Ю-7562 | Пружина | |
| 11-7051-Б | 11-7051-Б | Прокладка крышки | |
| 24-1701190 | 24-1701190 | Подшипник шариковый | |
| 24-1601072-10 | 24-1601072-10 | Подшипник | |
| 24-1701050 | 24-1701050 | Блок шестерен | |
| 24-1701060 | 24-1701060 | Ось блока шестерен | |
| 24-1601180-01 | 24-1601180-01 | Муфта в сборе | |
| 24-1601185-10 | 24-1601185-10 | Муфта | |
| М-7080-А1 | М-7080-А1 | Маслоотражатель | |
| 24-1701040 | 24-1701040 | Крышка подшипника | |
| 24-1701036 | 24-1701036 | Кольцо стопорное | |
| 20-1701192 | 20-1701192 | Кольцо стопорное | |
| 24-1701164 | 24-1701164 | Кольцо блокирующее | |
| 24-1701030 | 24-1701030 | Вал первичный | |
| 24-1701022 | 24-1701022 | Вал и кольцо (комплект) | |
| 24-1701025 | 24-1701025 | Вал в сборе | |
| 201458-П8 | 201458-П8 | Болт |
Содержащиеся в справочниках-каталогах запасные части и детали не предлагаются к продаже, а носят исключительно информационный характер