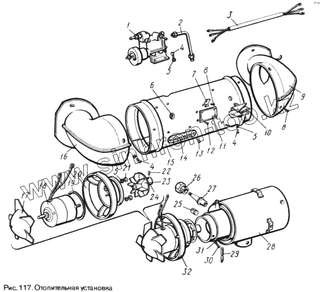
Каталог запасных частей к технике: ЛуАЗ 969М. Отопительная установка
1
2
3
4
4
4
5
5
5
6
7
8
8
9
10
10
11
12
13
14
15
16
17
18
19
20
21
22
23
24
25
26
27
28
29
30
31
32
| Позиция на иллюстрации | Заводской номер детали | Название детали | |
|---|---|---|---|
| 969-8206022 | 969-8206022 | Отопительная установка в сборе | |
| 030-0500 | 030-0500 | Нагнетатель в сборе | |
| 1 | 030-3110-Д | Регулятор подачи бензина в сборе | |
| 2 | 030-3250-Г | Трубка топливная в сборе | |
| 3 | 969-8106210 | Жгут проводов в сборе | |
| 4 | 45 9967 2406 | Винт М4gх5 | |
| 5 | 45 9816 6023 | Шайба 4Т | |
| 6 | 015-1023 | Втулка изоляционная | |
| 7 | 015-1012 | Скоба | |
| 8 | 030-1017 | Винт самонарезающий | |
| 9 | 969-8106130-10 | Крышка задняя с заслонками в сборе | |
| 10 | 015-2500-Б | Переключатель температурный в сборе | |
| 10 | 965-8101150 | Переключатель температурный в сборе | |
| 11 | 969-8106092-10 | Табличка-паспорт | |
| 12 | 45 9967 2402 | Винт 3х8 самонарезающий | |
| 13 | 45 9442 1082 | Винт М5-6gх16 | |
| 14 | 015-2600 | Панель соединительная | |
| 15 | 969-8106090 | Кожух отопительной установки в сборе | |
| 16 | 969-8106112 | Крышка передняя в сборе | |
| 17 | 030-0400 | Вентилятор | |
| 18 | 45 7375 3051 | Электродвигатель МЭ201 | |
| 19 | Д1-3913029 | Уплотнитель | |
| 20 | 030-0225-В | Фланец электродвигателя | |
| 21 | 965-8101026 | Гайка специальная | |
| 22 | 030-0504 | Винт нагнетателя стопорный | |
| 23 | 030-0501 | Нагнетатель | |
| 24 | 030-0502 | Обтекатель нагнетателя | |
| 25 | 030-0227-Б | Патрубок всасывающий | |
| 26 | ОВ65-0822 | Гайка накидная свечи | |
| 27 | СР65-А1 | Свеча накаливания | |
| 28 | 030-0800-Е3 | Теплообменник в сборе | |
| 29 | 030-0835-Б | Трубка дренажная | |
| 30 | 45 9442 1079 | Винт М5-6gх10 | |
| 31 | 45 9816 6044 | Шайба 5Т | |
| 32 | 030-0220-Е | Электродвигатель с нагнетателем и вентилятором в сборе |
Содержащиеся в справочниках-каталогах запасные части и детали не предлагаются к продаже, а носят исключительно информационный характер