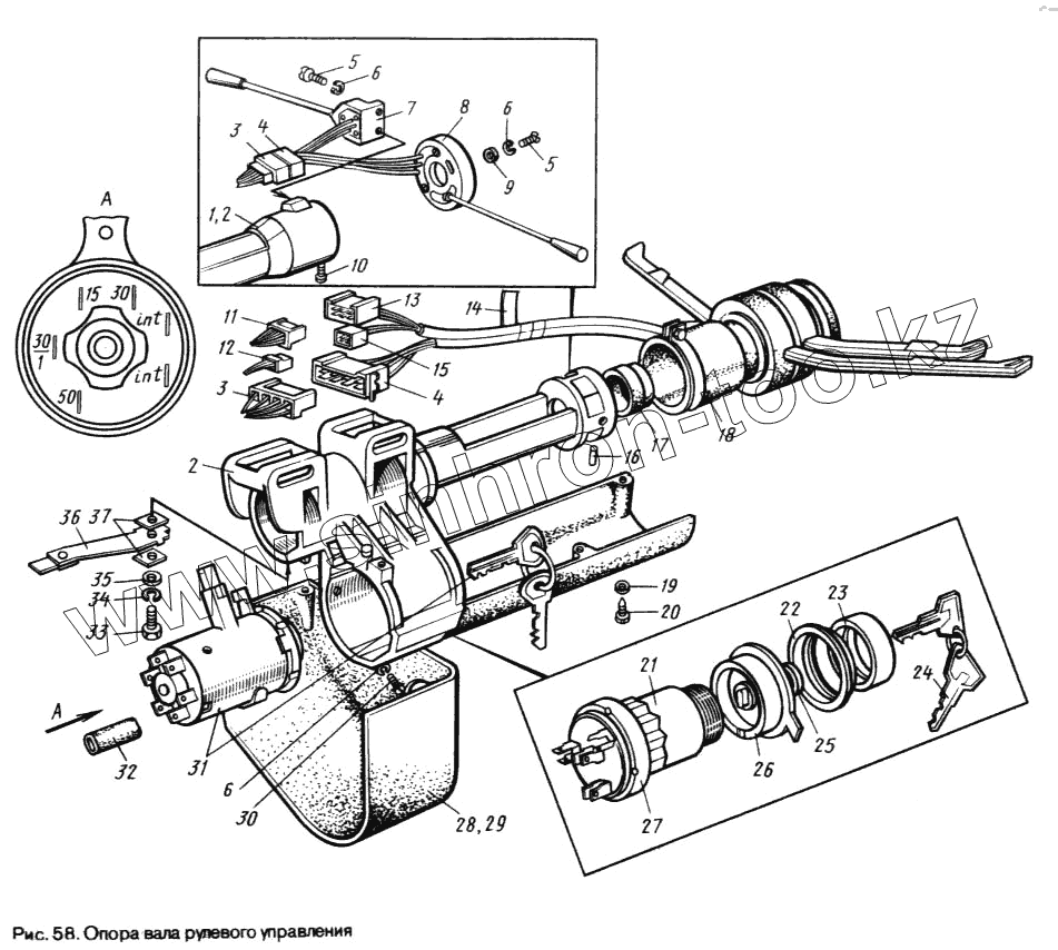
Каталог запасных частей к технике: ЛуАЗ 969М. Опора вала рулевого управления
1
2
3
3
4
4
5
5
6
6
6
7
8
9
10
11
12
13
14
15
16
17
18
19
20
21
22
23
24
25
26
27
28
29
30
31
32
33
34
35
36
37
| Позиция на иллюстрации | Заводской номер детали | Название детали | |
|---|---|---|---|
| 45 7373 5287 | 45 7373 5287 | Переключатель указателя поворота П110-А (по 03.81 г.)(для модели 969М - применяется для ремонта) | |
| 968М-3403014 | 968М-3403014 | Опора вала в сборе ( с 01.88 г.) | |
| 968-3704018 | 968-3704018 | Цилиндр замка зажигания с ключами | |
| 1 | 968А-3403015 | Опора вала (с. 03.81 по 01.88 г.)(на данной опоре устанавливаются переключатели 45 7373 5401, 45 7373 5404 и кожух 969М-3403044 | |
| 2 | 968М-3403015 | Опора вала (с 01.88 г.)(на данной опоре устанавливаются переключатель 45 7373 5692 и кожух 969М-3403044-кожух нижний (с 01.88 г.) | |
| 3 | 45 7373 9012 | Колодка восьмиконтактная для наружных штекеров | |
| 4 | 45 7373 9013 | Колодка восьмиконтактная для внутренних штекеров | |
| 5 | 45 9432 9054 | Винт М4-6gх12 | |
| 6 | 45 9816 6023 | Шайба 4Т | |
| 7 | 45 7373 5401 | Переключатель света фар П155 (с 03-81 г. по 01.88 г.)(по 03.81 г. применялся переключатель света фар ножной П39, а с 01.88 г. - переключатель 45 7373 5692) | |
| 8 | 45 7373 5404 | Переключатель указателей поворота П156 (с. 03.81 г. по 01.88 г.)(по 03.81 г. применялся переключатель указателей поворота П110-А, с 01.88 г. - переключатель 45 7373 5692) | |
| 9 | 45 9811 9203 | Шайба 4 | |
| 10 | 45 9412 1082 | Винт М5-6gх16 | |
| 11 | 45 7373 9009 | Колодка шестиконтактная для наружных штекеров | |
| 12 | 45 7373 9003 | Колодка двухконтактная для наружных штекеров | |
| 13 | 45 7373 9011 | Колодка шестиконтактная для внутренних штекеров | |
| 14 | 968-3724075 | Бандаж (лента ПВХ 20х0,3 ГОСТ 16214 70 L=0,25 мм) | |
| 15 | 45 7373 9004 | Колодка двухконтактная для внутренних штекеров | |
| 16 | 45 9971 8006 | Штифт 3х11 | |
| 17 | 968 А-3726030 | Втулка | |
| 18 | 45 7373 5692 | Переключатель трехрычажный 124.3709 (с 01.88 г.)(конструктивной частью данного переключателя являются колодки 45 7373 9013, 45 7373 9011 и 45 7373 9004) | |
| 19 | 45 9811 9204 | Шайба 5 | |
| 20 | 45 9642 9028 | Винт 5х18 | |
| 21 | 45 7373 4384 | Выключатель зажигания ВК 352 (в компл. с цил. 968-3704018 может устанавливаться взамен замка 2101-3704000-10. Возможна его установка взамен выкл. ВК330 с заменой наконечников присоединяемых проводов н | |
| 22 | 969М -3704034 | Чашка верхняя крепления выключателя зажигания | |
| 23 | 966-3704024 | Гайка крепления замка зажигания | |
| 24 | 965-3704098 | Ключи с кольцом в сборе | |
| 25 | 965-3704080-Б | Цилиндр замка зажигания в сборе | |
| 26 | 969М-3704036 | Чашка нижняя крепления выключателя зажигания | |
| 27 | 965-3704070 | Пружина стопорная цилиндра замка зажигания | |
| 28 | 969М-3403044 | Кожух нижний (устанавливается на автомобиль с 01.88 г.) | |
| 29 | 969М-3403044 | Кожух нижний (устанавливается на автомобиль с 01.88 г.) | |
| 30 | 45 9432 9055 | Винт М4-6gх14 | |
| 31 | 2101-3704000-10 | Замок зажигания с противоугонным устройством и ключами (до 04.84 г. контактное устройство данного замка зажигания изготавливалось с восемью штекерами) | |
| 32 | 250-3724266 | Изолятор | |
| 33 | 45 9346 9503 | Болт М6-6gх14 | |
| 34 | 45 9816 6005 | Шайба 6Л | |
| 35 | 45 9811 9205 | Шайба 6 | |
| 36 | 968-3721290 | Пластина контактная звукового сигнала | |
| 37 | 965-3721298 | Прокладка изоляционная |
Содержащиеся в справочниках-каталогах запасные части и детали не предлагаются к продаже, а носят исключительно информационный характер