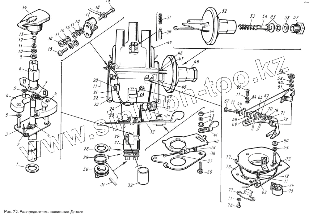
Каталог запасных частей к технике: ЛуАЗ 969М. Детали распределителя зажигания
1
2
3
4
5
5
6
6
7
8
9
10
10
10
11
11
11
11
11
11
11
11
12
12
13
14
14
15
16
16
17
18
18
20
20
21
21
22
23
24
24
25
26
27
28
29
30
31
32
33
34
35
36
37
38
39
40
41
42
43
44
45
45
46
47
48
49
50
51
52
53
54
55
56
57
58
59
59
60
60
61
62
62
63
64
65
66
67
68
69
70
71
72
73
74
75
76
77
78
79
| Позиция на иллюстрации | Заводской номер детали | Название детали | |
|---|---|---|---|
| Р114Б-3706100 | Р114Б-3706100 | Корпус распределителя в сборе | |
| Р114Б-3706101-4 | Р114Б-3706101-4 | Корпус распределителя | |
| Шайба 5,3 (для модели 969М - кол-во дета | Шайба 5,3 (для модели 969М - кол-во дета | Шайба 5,3 (для модели 969М - кол-во деталей от 0 до 2) | |
| Шайба 4,7: s=0,3 мм (для модели 969М - к | Шайба 4,7: s=0,3 мм (для модели 969М - к | Шайба 4,7: s=0,3 мм (для модели 969М - кол-во деталей от 0 до 2) | |
| Р107-3706350 | Р107-3706350 | Стойка контактная в сборе | |
| Шайба 4,7: s=0,2 мм (для модели 969М - к | Шайба 4,7: s=0,2 мм (для модели 969М - к | Шайба 4,7: s=0,2 мм (для модели 969М - кол-во деталей от 0 до 2) | |
| Р35-3706500 | Р35-3706500 | Крышка распределителя в сборе | |
| 1 | Шайба 15,4: s=0,5 мм | Шайба 15,4: s=0,5 мм | |
| 2 | Р351-3706205 | Пружина | |
| 3 | Р114-3706210 | Валик с пластиной грузиков в сборе | |
| 4 | Шайба 8 | Шайба 8 | |
| 5 | Шайба 5,3 (для модели 969М - кол-во дета | Шайба 5,3 (для модели 969М - кол-во деталей от 0 до 2) | |
| 6 | Р120-3706240 | Грузик в сборе | |
| 7 | Р35-3706204 | Пружина | |
| 8 | Р114-3706230-Б | Кулачок с пластиной в сборе | |
| 9 | Шайба 5,3 (для модели 969М - кол-во дета | Шайба 5,3 (для модели 969М - кол-во деталей от 0 до 2) | |
| 10 | Шайба 4,3: s=0,8 мм | Шайба 4,3: s=0,8 мм | |
| 11 | 45 9816 6023 | Шайба 4Т | |
| 12 | 45 9432 1053 | Винт М4-6gх10 | |
| 13 | Р34-3706006 | Манжета | |
| 14 | 17.3706020 | Бегунок в сборе | |
| 14 | Р35-3706020 | Бегунок в сборе | |
| 15 | 45 9432 1052 | Винт М4-6gх8 | |
| 16 | 45 95531052 | Гайка М4-6Н | |
| 17 | Р107-3706015 | Фиксатор крышки | |
| 18 | Р107-3706360 | Провод в сборе | |
| 19 | Н-1958 | Болт | |
| 20 | 45 9432 1050 | Винт М4-6gх6 | |
| 21 | Р20-3706013-Б | Скоба | |
| 22 | Р35-3706104 | Пружина крышки | |
| 23 | 45 9871 9050 | Шплинт 3,2х18 ГОСТ 397-79 | |
| 24 | 45 7371 7517 | Конденсатор К42-18-5 | |
| 24 | Р30-3706400-А2 | Конденсатор К42-18-5 | |
| 25 | Шайба 27 (для модели 969М - кол-во детал | Шайба 27 (для модели 969М - кол-во деталей от 0 до 3) | |
| 26 | Р114-3706200-Б | Валик с автоматом в сборе | |
| 27 | Р114Б-3706101/УЛ | Корпус распределителя | |
| 28 | Шайба 13 (для модели 969М - кол-во детал | Шайба 13 (для модели 969М - кол-во деталей от 1 до 3) | |
| 29 | Р35-3706014-В | Кольцо пружинное | |
| 30 | Р35-3706011-В | Муфта | |
| 31 | Н-1941 | Штифт | |
| 32 | 1-ИГ-579-Д | Втулка | |
| 33 | Р114-3706030-Б | Рычаг установки зажигания в сборе | |
| 34 | Р34-3706111-01 | Корпус масленки | |
| 35 | Р-8050-А | Крышка масленки | |
| 36 | Р107-3706054 | Болт специальный | |
| 37 | Н-1940 | Болт | |
| 38 | Р114Б-3706051 | Пластина установочная нижняя | |
| 39 | Н-1939 | Гайка специальная | |
| 40 | Р114Б-3706031 | Пластина установочная верхняя | |
| 41 | Р114-3706045 | Рычаг | |
| 42 | Шайба 6,3 | Шайба 6,3 | |
| 43 | 45 9816 6045 | Шайба 6Т | |
| 44 | Гайка М6 | Гайка М6 | |
| 45 | 17.3706300 | Пластина прерывателя в сборе | |
| 45 | Р114Б-3706300 | Пластина прерывателя в сборе | |
| 46 | Р114-3706600-Б | Регулятор вакуумный в сборе | |
| 47 | 45 9816 6044 | Шайба 5Т | |
| 48 | 45 9432 1082 | Винт М5-6gх16 | |
| 49 | Р35-3706501 | Крышка распределителя в сборе | |
| 50 | Р35-3706502 | Уголок комбинированный | |
| 51 | Р41-3706504 | Пружина контактная | |
| 52 | Р107-3706620-А | Основание в сборе | |
| 53 | Р31-3706611 | Пружина | |
| 54 | Р107-3706602 | Ограничитель | |
| 55 | Шайба 10,3: s=0,3 мм (для модели 969М - | Шайба 10,3: s=0,3 мм (для модели 969М - кол-во деталей от 0 до 2) | |
| 56 | Шайба 18,2 | Шайба 18,2 | |
| 57 | ИМВ-10-3854-01 | Пробка | |
| 58 | Р20-3706302 | Шайба упорная | |
| 59 | Шайба 4,7: s=0,1 мм (для модели 969М - к | Шайба 4,7: s=0,1 мм (для модели 969М - кол-во деталей от 0 до 2) | |
| 60 | Шайба s=0,5 мм изоляционная 4,7 (для мод | Шайба s=0,5 мм изоляционная 4,7 (для модели 969М - кол-во деталей от 1 до 2) | |
| 61 | Р10-7079 | Рычаг с подушкой в сборе | |
| 62 | Р107-3706380 | Провод «массы» в сборе | |
| 63 | Р107-3706351 | Стойка контактная | |
| 64 | Шайба 4,7: s=0,5 мм | Шайба 4,7: s=0,5 мм | |
| 65 | Винт М4х6,8 | Винт М4х6,8 | |
| 66 | Р34-3706002 | Пружина усилительная | |
| 67 | Винт М4Х 12 | Винт М4Х 12 | |
| 68 | Р35-3706304-Б | Пластина изоляционная | |
| 69 | Р107-3706308 | Прокладка | |
| 70 | Р35-3706306 | Угольник | |
| 71 | Р35-3706305 | Гайка специальная | |
| 72 | Р10-7077 | Заклепка контактная в сборе | |
| 73 | ИЛ-10-1467 | Эксцентрик | |
| 74 | Р20-3706303 | Фильц | |
| 75 | Р20-3706302-01 | Держатель фильца | |
| 76 | Винт М4х5 | Винт М4х5 | |
| 77 | Р114Б-3706351 | Держатель подшипника | |
| 78 | Р114Б-3706309-01 | Пластина опорная | |
| 79 | Р114Б-3706310 | Пластина прерывателя с подшипником |
Содержащиеся в справочниках-каталогах запасные части и детали не предлагаются к продаже, а носят исключительно информационный характер