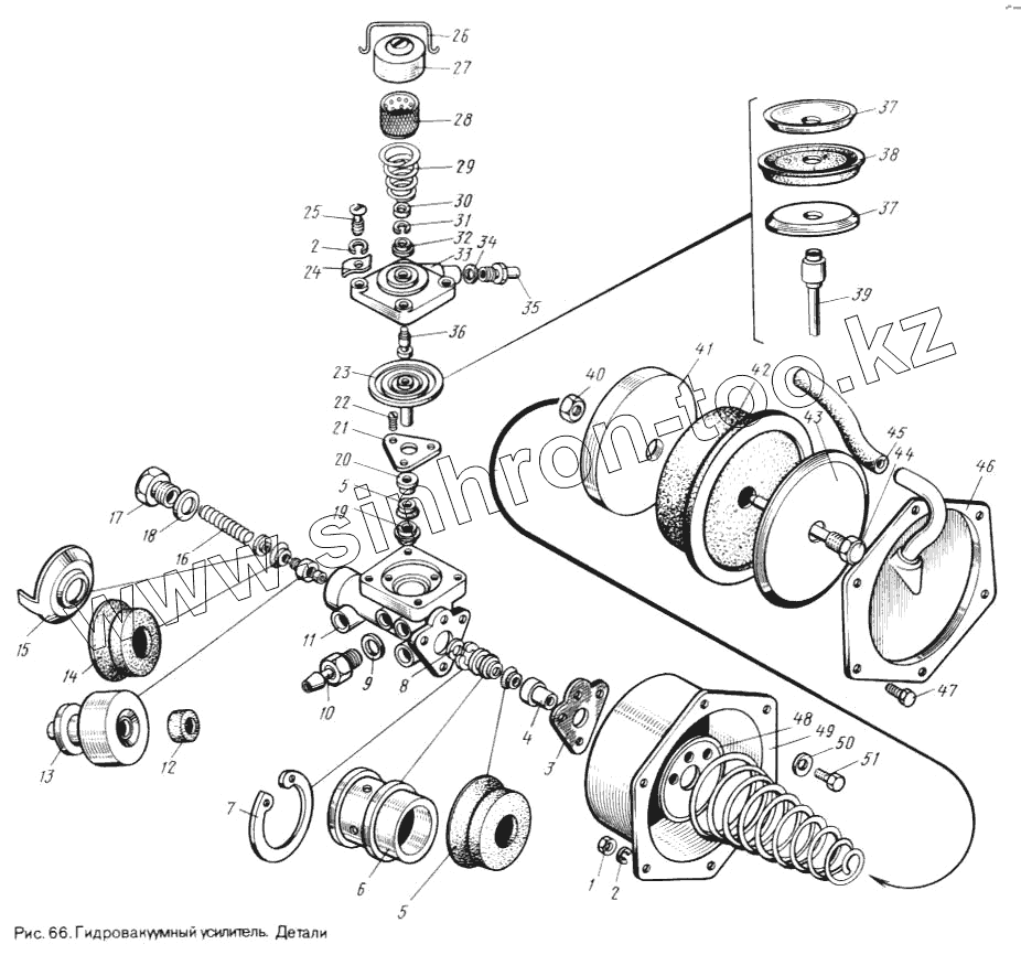
Каталог запасных частей к технике: ЛуАЗ 969М. Детали гидровакуумного усилителя
1
2
2
3
4
5
5
6
7
8
9
10
11
12
13
14
15
16
17
18
19
20
21
22
23
24
25
26
27
28
29
30
31
32
33
34
35
36
37
37
38
39
40
41
42
43
44
45
46
47
48
49
50
51
| Позиция на иллюстрации | Заводской номер детали | Название детали | |
|---|---|---|---|
| 412-3550070 | 412-3550070 | Поршень вакуумного цилиндра в сборе | |
| 412-3551010 | 412-3551010 | Крышка следящего механизма в сборе | |
| 412-3550020 | 412-3550020 | Пружина возвратная в сборе | |
| 412-3550028 | 412-3550028 | Поршень гидравлического цилиндра в сборе | |
| 1 | 45 9553 1054 | Гайка М6-6Н | |
| 2 | 45 9816 1005 | Шайба 6Л | |
| 3 | 412-3550084 | Прокладка уплотнительная | |
| 4 | 412-3550048 | Втулка направляющая | |
| 5 | 412-3550033 | Манжета | |
| 6 | 412-3550032-01 | Втулка распорная манжеты толкателя | |
| 7 | 412-3550027 | Кольцо стопорное | |
| 8 | 412-3550026 | Шайба упорная поршня | |
| 9 | 45 9963 6475 | Шайба 15 | |
| 10 | 412-3552010 | Клапан обратный в сборе | |
| 11 | 412-3550015 | Корпус гидравлического цилиндра | |
| 12 | 412-3550030 | Шайба уплотнительная | |
| 13 | 412-3550029 | Поршень | |
| 14 | 412-3550031 | Манжета поршня | |
| 15 | 412-3550025 | Держатель пружины | |
| 16 | 412-3550022 | Пружина | |
| 17 | 412-3550017 | Штуцер гидравлического цилиндра | |
| 18 | 45 9963 6491 | Шайба 22 | |
| 19 | 412-3551084-01 | Втулка распорная | |
| 20 | 412-3551088 | Втулка направляющая поршня следящего механизма | |
| 21 | 412-3551086 | Пластина крепления втулки направляющей | |
| 22 | 45 9412 1109 | Винт М6-6gх16 | |
| 23 | 412-3551040 | Диафрагма следящего механизма в сборе | |
| 24 | 412-3551090 | Держатель пружины воздушного фильтра | |
| 25 | 45 9442 1113 | Винт М6-6gх25 | |
| 26 | 412-3551092 | Пружина крепления воздушного фильтра | |
| 27 | 412-3551094 | Крышка воздушного фильтра | |
| 28 | 412-3551102 | Фильтр воздушный в сборе | |
| 29 | 412-3551022 | Пружина клапана | |
| 30 | 45 9553 1052 | Гайка М4-6Н | |
| 31 | 45 9816 1003 | Шайба 4Л | |
| 32 | 412-3551030 | Клапан атмосферный в сборе | |
| 33 | 412-3551012 | Крышка следящего механизма | |
| 34 | 45 9963 6471 | Шайба | |
| 35 | 412-3551120 | Штуцер | |
| 36 | 412 3551035 | Клапан вакуумный в сборе | |
| 37 | 412-3551044 | Шайба диафрагмы следящего механизма | |
| 38 | 412-3551045 | Диафрагма следящего механизма | |
| 39 | 412-3551041 | Поршень с толкателем в сборе | |
| 40 | 45 9963 4079 | Гайка | |
| 41 | 412-3550071 | Поршень | |
| 42 | 412-3550076 | Диафрагма вакуумного цилиндра | |
| 43 | 412-3550072 | Шайба прижимная диафрагмы | |
| 44 | 412-3550073 | Толкатель поршня в сборе | |
| 45 | 401-1104022 | Шланг (рукав 7-14, 5-130-10 L=130 мм) | |
| 46 | 412-3505086-10 | Крышка вакуумного цилиндра в сборе | |
| 47 | 45 9346 1503 | Болт М6-6gх14 | |
| 48 | 412-3550102 | Шайба пружины вакуумного поршня | |
| 49 | 412-3550080-01 | Корпус вакуумного цилиндра | |
| 50 | 45 9963 6291 | Шайба 8 | |
| 51 | 45 9346 1520 | Болт М8-6gх16 | |
| 52 | 412-3550078 | Пружина поршня вакуумного цилиндра |
Содержащиеся в справочниках-каталогах запасные части и детали не предлагаются к продаже, а носят исключительно информационный характер