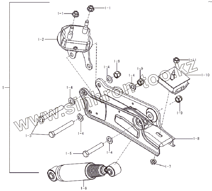
Каталог запасных частей к технике: Lifan LF-7160L1 Breez 1,6. Rear axle bracket
1
1-1
1-1
1-2
1-2
1-3
1-4
1-4
1-4
1-4
1-4
1-5
1-6
1-7
1-8
1-8
1-9
1-9
1-9
1-10
1-11
| Позиция на иллюстрации | Заводской номер детали | Название детали | |
|---|---|---|---|
| 1 | L2915100 | Rear axle bracket assy | |
| 1-1 | Q33010T13F3 | Nut | |
| 1-2 | L2915150 | Front left bumper block | |
| 1-2 | L2915160 | Front right bumper block | |
| 1-3 | Q151B1290TF3 | Hex bolt | |
| 1-4 | Q40112 | Flat washer | |
| 1-5 | Q151B1265TF3 | Hex bolt | |
| 1-6 | L2915130 | Rear shock absorber | |
| 1-7 | Q33010T13F3 | Nut | |
| 1-8 | L2915110 | Left bracket | |
| 1-8 | L2915120 | Right bracket | |
| 1-9 | 113-1216T13F3 | Nut | |
| 1-10 | L2915140 | Rear bumper block | |
| 1-11 | Q33810T13F3 | Non-metal hex flange lock nut |
Содержащиеся в справочниках-каталогах запасные части и детали не предлагаются к продаже, а носят исключительно информационный характер