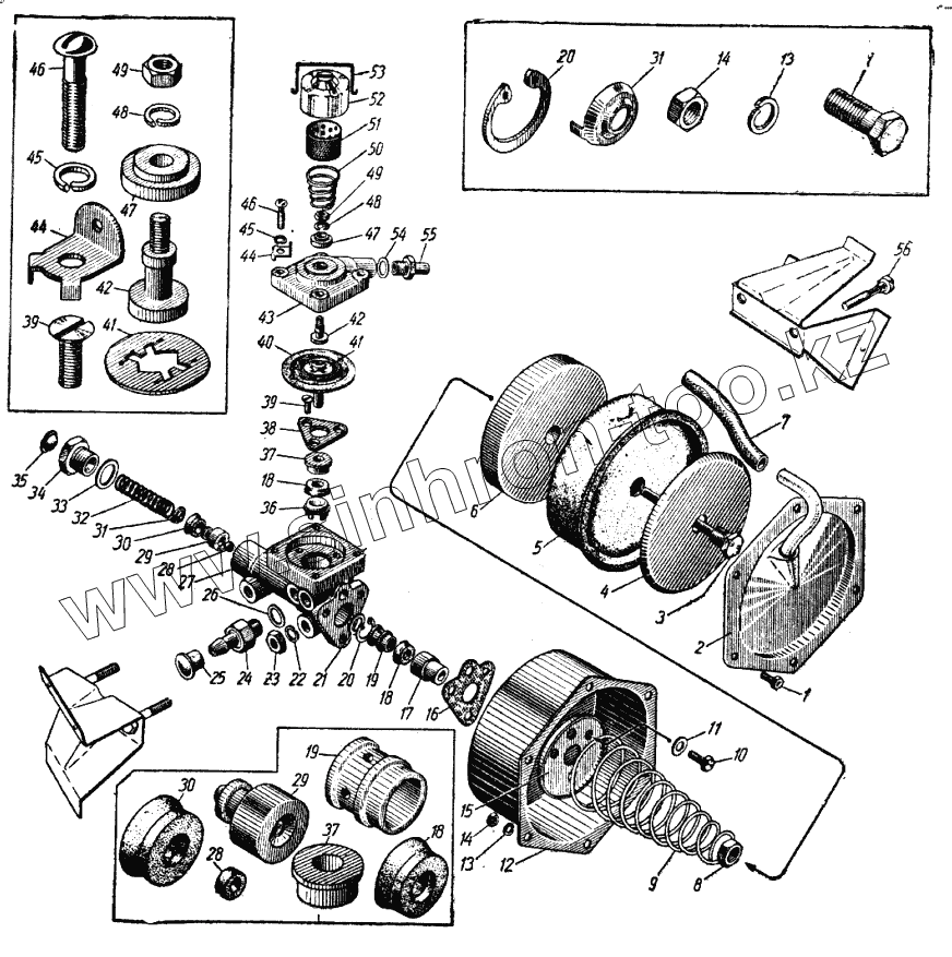
Каталог запасных частей к технике: ИЖ 434. Гидровакуумный усилитель тормоза
1
1
2
3
4
5
6
7
8
9
10
11
12
13
13
14
14
15
16
17
18
18
18
18
19
19
20
20
21
22
23
24
25
26
27
28
28
29
29
30
30
31
31
32
33
34
35
36
37
37
38
39
39
40
41
41
42
42
43
44
44
45
45
46
46
47
47
48
48
49
49
50
51
52
53
54
55
56
| Позиция на иллюстрации | Заводской номер детали | Название детали | |
|---|---|---|---|
| 412-3551042 | 412-3551042 | Поршень | |
| 412-3551045 | 412-3551045 | Диафрагма | |
| 412-3552030 | 412-3552030 | Шланг усилителя тормоза, соединительный | |
| 412-3551044 | 412-3551044 | Шайба диафрагмы | |
| 367020-А | 367020-А | Хомут шланга | |
| 412-3551043 | 412-3551043 | Толкатель диафрагмы | |
| 367090-П2-Т | 367090-П2-Т | Пробка (заглушка) транспортная | |
| 41203550070 | 41203550070 | Поршень цилиндра усилителя тормоза в сборе | |
| 41203550028 | 41203550028 | Поршень гидравлического цилиндра в сборе | |
| 412-3550020 | 412-3550020 | Пружина поршня гидравлического цилиндра возвратная, в сборе | |
| 1 | 201418-П29 | Болт крепления панели рычагов к поперечине передка | |
| 2 | 412-3550086 | Крышка вакуумного цилиндра с трубой в сборе | |
| 3 | 412-3550073 | Толкатель поршня в сборе | |
| 4 | 412-3550072 | Шайба диафрагмы цилиндра, прижимная | |
| 5 | 412-3550076 | Диафрагма вакуумного цилиндра | |
| 6 | 412-3550071 | Поршень цилиндра усилителя тормоза | |
| 7 | 412-3550124 | Шланг крышки, соединительный | |
| 8 | 362021-П8 | Гайка крепления поршня | |
| 9 | 412-3550078 | Пружина поршня вакуумного цилиндра | |
| 10 | 201454-П29 | Болт крепления петли крышки багажника к крышке | |
| 11 | 365102-П | Шайба | |
| 12 | 412-3550080 | Корпус вакуумного цилиндра | |
| 13 | 252161-П29 | Шайба пружинная | |
| 14 | 252154-П29 | Шайба пружинная | |
| 15 | 412-3550102 | Шайба пружины вакуумного поршня, опорная | |
| 16 | 41203550084 | Прокладка вакуумного цилиндра, уплотнительная | |
| 17 | 412-3550048 | Втулка толкателя, направляющая | |
| 18 | 412-3550033 | Манжета поршня | |
| 18 | 412-3550033 | Манжета поршня | |
| 19 | 412-3550032 | Втулка манжеты, распорная | |
| 20 | 412-3550027 | Кольцо шайбы стопорное | |
| 21 | 412-3505026 | Шайба поршня, упорная | |
| 22 | 252155-П29 | Шайба пружинная | |
| 23 | 250510-П29 | Гайка | |
| 24 | 412-3552010 | Клапан обратный в сборе | |
| 25 | 412-3550126-Т | Пробка транспортная | |
| 26 | 365161-П | Шайба | |
| 27 | 412-3550015 | Корпус гидравлического цилиндра | |
| 28 | 412-3550030 | Шайба поршня, уплотнительная | |
| 29 | 412-3550029 | Поршень гидравлического цилиндра | |
| 30 | 41203550031 | Манжета поршня | |
| 31 | 412-3550025 | Держатель возвратной пружины | |
| 32 | 412-3550022 | Пружина поршня гидравлического цилиндра, возвратная | |
| 33 | 365127-П | Шайба специальная | |
| 34 | 412-3550017 | Штуцер гидравлического цилиндра | |
| 35 | 407-5101280-А | Пробка (заглушка) транспортная | |
| 36 | 412-3551084 | Втулка распорная манжеты поршня | |
| 37 | 412-3551088 | Втулка направляющая поршня | |
| 38 | 412-3551086 | Пластина крепления направляющей втулки поршня | |
| 39 | 221605-П29 | Винт крепления пластины | |
| 40 | 412-3551040 | Диафрагма в сборе | |
| 41 | 412-3551048 | Шайба диафрагмы, запорная | |
| 42 | 412-3551035 | Клапан вакуумный | |
| 43 | 412-3551012 | Крышка следящего механизма | |
| 44 | 412-3551090 | Держатель пружины крепления крышки воздушного фильтра | |
| 45 | 252154-П29 | Шайба пружинная | |
| 46 | 222531-П29 | Винт крепления крышки | |
| 47 | 412-3551030 | Клапан атмосферный в сборе | |
| 48 | 252161-П29 | Шайба пружинная | |
| 49 | 250762-П29 | Гайка соединения клапанов | |
| 50 | 412-3551022 | Пружина клапана | |
| 51 | 412-3551102 | Фильтр воздушный в сборе | |
| 52 | 412-3551094 | Крышка воздушного фильтра | |
| 53 | 412-3551092 | Пружина крепления крышки воздушного фильтра | |
| 54 | 365160-П | Шайба уплотнительная | |
| 55 | 412-3551120 | Штуцер для присоединения гибкого шланга усилителя тормоза | |
| 56 | 201468-П29 | Болт крепления боковой крышки к картеру коробки передач, длинный |
Содержащиеся в справочниках-каталогах запасные части и детали не предлагаются к продаже, а носят исключительно информационный характер