Каталог запасных частей к технике: ИЖ 434. Детали карбюратора
1
2
2
2
2
2
3
3
4
4
5
6
7
7
8
9
10
11
11
12
13
14
15
16
17
18
19
20
20
21
22
23
24
25
26
27
27
28
29
30
31
32
33
33
33
33
34
35
36
37
38
39
40
41
42
43
44
45
46
47
48
49
50
51
52
53
54
55
56
56
57
57
58
59
60
61
62
63
64
65
66
67
68
69
70
71
72
73
74
75
76
77
78
79
80
81
82
83
83
83
83
84
85
86
87
87
88
89
90
91
92
93
94
95
95
96
97
98
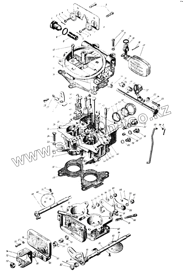
| Позиция на иллюстрации | Заводской номер детали | Название детали | |
|---|---|---|---|
| 900507-1 | 900507-1 | Болт крепления зажима | |
| 900507-1 | 900507-1 | Болт крепления зажима | |
| 906509 | 906509 | Воздушный жиклер системы холостого хода, левый | |
| К25А-1107228 | К25А-1107228 | Гайка установочная штока поршня | |
| К126Н-1107203 | К126Н-1107203 | Главный топливный жиклер, левый | |
| К23-55 | К23-55 | Зажим кронштейна тяги воздушной заслонки | |
| К126П-1107331 | К126П-1107331 | Игольчатый клапан подачи топлива | |
| К126П-1107332 | К126П-1107332 | Корпус клапана | |
| К126Н-1107201 | К126Н-1107201 | Корпус поплавковой камеры | |
| К126Н-1107200 | К126Н-1107200 | Корпус поплавковой камеры в сборе | |
| К126Н-1107100 | К126Н-1107100 | Корпус смесительных камер в сборе | |
| К126Н-1107301 | К126Н-1107301 | Крышка поплавковой камеры | |
| К126Н-1107300 | К126Н-1107300 | Крышка поплавковой камеры в сборе | |
| 123-0-1107225 | 123-0-1107225 | Поршень ускорительного насоса в сборе | |
| К126П-1107333 | К126П-1107333 | Пружина клапана | |
| 1 | К44М-1107221 | Пробка фильтра | |
| 2 | [Шплинт разводной] | Шплинт разводной | |
| 2 | [Шплинт разводной] | Шплинт разводной | |
| 3 | 901019-0 | Шайба оси клапана | |
| 4 | К126П-1107321 | Пружина клапана воздушной заслонки | |
| 5 | 123-0-1107326 | Ось клапана воздушной заслонки | |
| 6 | К126П-1107371 | Воздушная заслонка | |
| 7 | К126П-1107377 | Клапан воздушной заслонки | |
| 8 | К59-1107325 | Сетка фильтра в сборе | |
| 9 | 451306 | Прокладка пробки, уплотнительная | |
| 10 | К126Н-1107340 | Крышка поплавковой камеры с распылителем в сборе | |
| 11 | [Шайба пружинная] | Шайба пружинная | |
| 12 | 900426-1 | Винт крепления крышки | |
| 13 | 900402-1 | Винт крепления крышки | |
| 14 | 451305 | Прокладка корпуса уплотнительная (фибровая) | |
| 15 | К126-П07330 | Клапан подачи топлива в сборе | |
| 16 | 114-0-1107304 | Ось поплавка | |
| 17 | К126-1107320 | Поплавок в сборе | |
| 18 | К126-1107308 | Пружина оси воздушной заслонки | |
| 19 | К126-1107309 | Пружина оси привода воздушной заслонки | |
| 20 | 900201-1 | Винт крепления воздушной заслонки к оси | |
| 20 | 900201-1 | Винт крепления воздушной заслонки к оси | |
| 21 | К23-70 | Втулка оси привода воздушной заслонки | |
| 22 | К126П-1107315 | Рычаг привода воздушной заслонки в сборе | |
| 23 | [Шайба] | Шайба | |
| 24 | К126-1107310 | Ось воздушной заслонки в сборе | |
| 25 | 900409-1 | Винт крепления рычага к крышке | |
| 26 | 900413-1 | Винт крепления кронштейна к крышке поплавковой камеры | |
| 27 | [Шайба пружинная] | Шайба пружинная | |
| 27 | [Шайба пружинная] | Шайба пружинная | |
| 28 | К59-1107302 | Кронштейн тяги воздушной заслонки | |
| 29 | К126Н-1107017 | Прокладка смесительных камер | |
| 30 | К126Н-1107014 | Прокладка смесительных камер | |
| 31 | К126Н-1107016 | Диффузор левый | |
| 32 | К126Н-1107250 | Корпус поплавковой камеры с втулкой в сборе | |
| 33 | [Шайба пружинная] | Шайба пружинная | |
| 33 | [Шайба пружинная] | Шайба пружинная | |
| 34 | К28-Б-1107025 | Болт соединения камер | |
| 35 | К21-1107244 | Обратный клапан (шарик) | |
| 36 | К126-1107204 | Кольцо стопорное | |
| 37 | К21-1107218 | Нагнетательный клапан | |
| 38 | К126-И07012 | Прокладка поплавковой камеры | |
| 39 | К126-1107209 | Прокладка распылителя | |
| 40 | К126Н-1107208 | Распылитель | |
| 41 | 900205-1 | Винт крепления распылителя | |
| 42 | К126П-1107246 | Винт топливопроводящий | |
| 43 | К126Н-1107230 | Топливный жиклер системы холостого хода в сборе, левый | |
| 44 | К126Н-1107210 | Привод ускорительного насоса в сборе | |
| 45 | К126Н-1107242 | Воздушный жиклер главной дозирующей системы | |
| 46 | К126П-П07205 | Топливный жиклер системы холостого хода в сборе, правый | |
| 47 | К126-1107227 | Прокладка смотрового стекла, уплотнительная | |
| 48 | К126-1107225 | Смотровое стекло | |
| 49 | К126-1107228 | Прокладка смотрового стекла, уплотнительная | |
| 50 | К37-49 | Гайка смотрового стекла | |
| 51 | К126Н-1107202 | Главный топливный жиклер, правый | |
| 52 | 451513 | Пробка резьбовая канала жиклера | |
| 53 | 451305 | Прокладка корпуса уплотнительная (фибровая) | |
| 54 | 901048-0 | Шайба стальная | |
| 55 | К126П-1107011 | Тяга малых оборотов | |
| 56 | 451502 | Пробка резьбовая | |
| 56 | 451502 | Пробка резьбовая | |
| 57 | 451304 | Прокладка резьбовой пробки канала жиклера | |
| 57 | 451304 | Прокладка резьбовой пробки канала жиклера | |
| 58 | 609508 | Воздушный жиклер системы холостого хода, правый | |
| 59 | К126П-1107247 | Пробка сливного отверстия | |
| 60 | 451303 | Прокладка пробки | |
| 61 | К126Н-1107131 | Втулка рычага | |
| 62 | К126Б-1107226 | Эмульсионная трубка | |
| 63 | К126П-1107236 | Пружина привода ускорительного насоса, отжимная | |
| 64 | К59-П07430 | Клапан экономайзера в сборе | |
| 65 | 451304 | Прокладка резьбовой пробки канала жиклера | |
| 66 | К126-1107224 | Диффузор малый | |
| 67 | К126Н-1107013 | Диффузор правый | |
| 68 | К126Н-1107125 | Ось дроссельной заслонки с рычагами роликом в сборе, левая | |
| 69 | К126П-1107122 | Заслонка дроссельная, левая | |
| 70 | К126П-1107136 | Шайба специальная | |
| 71 | 900403-1 | Винт крепления левой дроссельной заслонки | |
| 72 | 900802-0 | Гайка крепления рычага | |
| 73 | К126-1107106 | Шайба стопорная | |
| 74 | К126-1107112 | Рычаг оси дроссельной заслонки | |
| 75 | 900407-1 | Винт крепления крышки | |
| 76 | К126П-1107104 | Крышка корпуса смесительных камер | |
| 77 | К126-1107118 | Пружина правой оси дроссельной заслонки | |
| 78 | К126Н-1107108 | Втулка осей дроссельных заслонок | |
| 79 | 901013-0 | Шайба | |
| 80 | К126-1107103 | Винт регулировки состава смеси холостого хода | |
| 81 | 907106-0 | Пружина винта | |
| 82 | 901013-0 | Шайба | |
| 83 | 901015-0 | Шайба | |
| 84 | К126П-1107046 | Серьга привода ускорительного насоса | |
| 85 | К126Н-1107129 | Рычаг привода ускорительного насоса | |
| 86 | К126-1107107 | Шайба | |
| 87 | 900803-0 | Гайка крепления осей дроссельных заслонок | |
| 88 | 901048-0 | Шайба стальная | |
| 89 | К126П-1107114 | Рычаг привода ускорительного насоса | |
| 90 | К126-1107131 | Винт регулировки количества смеси холостого хода | |
| 91 | 907106-0 | Пружина винта | |
| 92 | К126Н-1107101 | Корпус смесительных камер | |
| 93 | К126Н-1107109 | Заслонка дроссельная, правая | |
| 94 | К126Н-1107110 | Ось дроссельной заслонки с поводком в сборе, правая | |
| 95 | 901016-0 | Шайба стальная | |
| 96 | К126Н-1107113 | Кулиса | |
| 97 | К126Н-1107105 | Пружина правой оси дроссельной заслонки | |
| 98 | К126-1107116 | Рычаг малых оборотов |
Содержащиеся в справочниках-каталогах запасные части и детали не предлагаются к продаже, а носят исключительно информационный характер