Каталог запасных частей к технике: ИЖ 427. Коробка передач (Часть 2)
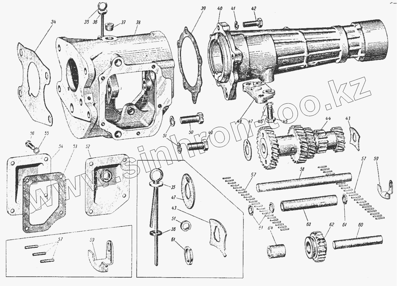
34
35
35
36
36
37
38
39
40
41
41
42
43
43
43
43
43
43
44
45
46
47
47
48
49
50
51
51
51
52
53
54
55
56
57
57
57
58
59
59
60
61
61
62
63
64
| Позиция на иллюстрации | Заводской номер детали | Название детали | |
|---|---|---|---|
| 201498-П29 | 201498-П29 | Болт крепления кронштейна задней опоры двигателя | |
| 201542-П29 | 201542-П29 | Болт крепления коробки передач к картеру сцепления, правый (верхний и нижний) | |
| 408-1701080 | 408-1701080 | Шестерня промежуточная заднего хода коробки передач в сборе | |
| 252156-П29 | 252156-П29 | Шайба пружинная | |
| 365087-П | 365087-П | Шайба регулировочная | |
| 34 | 407-1700018 | Прокладка | |
| 35 | 410-1701260-А | Указатель уровня масла в сборе | |
| 36 | 400-1009056-А | Шайба указателя уровня масла | |
| 37 | 262571-П | Пробка наполнительного и сливного отверстий картера коробки передач | |
| 38 | 408-1701015 | Картер коробки передач | |
| 39 | 408-1701203 | Прокладка удлинителя | |
| 40 | 408-1701200-Б | Удлинитель картера коробки передач в сборе | |
| 41 | 412-1701033 | Сальник | |
| 41 | 252135-П29 | Шайба пружинная | |
| 42 | 201459-П29 | Болт крепления ремня подвески глушителя к полу кузова | |
| 43 | 408-1701064 | Шайба упорная блока шестерен промежуточного вала коробки передач, задняя (с желтой меткой) | |
| 43 | 408-1701062 | Шайба упорная блока шестерен промежуточного вала коробки передач, задняя (с синей меткой) | |
| 43 | 408-1701063 | Шайба упорная блока шестерен промежуточного вала коробки передач, задняя (с черной меткой) | |
| 44 | 408-1701050 | Блок шестерен промежуточного вала коробки передач | |
| 45 | 201498-П29 | Болт крепления кронштейна задней опоры двигателя | |
| 46 | 252156-П29 | Шайба пружинная | |
| 47 | 401-1701060 | Шайба упорная | |
| 48 | 412-1001072 | Кронштейн задней опоры двигателя | |
| 49 | 201540-П29 | Болт крепления коробки передач к картеру сцепления, левый, нижний | |
| 50 | 360046-П29 | Болт крепления коробки передач к картеру сцепления, левый, верхний | |
| 51 | 252157-П29 | Шайба пружинная | |
| 52 | 408-1701250-В | Крышка люка картера коробки передач со стороны промежуточной шестерни заднего хода, в сборе | |
| 53 | 408-1701251 | Прокладка крышки люка | |
| 54 | 408-1701250-Б | Крышка люка картера коробки передач со стороны промежуточной шестерни заднего хода | |
| 55 | 252154-П29 | Шайба пружинная | |
| 56 | 201417-П29 | Болт крепления панели приборов к боковой внутренней панели ветрового окна | |
| 57 | 401-1701052 | Ролик подшипника блока зубчатых колес диам. 2,5х20 | |
| 58 | 408-1701072 | Ось блока шестерен промежуточного вала коробки передач | |
| 59 | 408-1701094 | Стопор осей блока шестерен промежуточного вала и промежуточной шестерни | |
| 60 | 408-1701092 | Ось промежуточной шестерни заднего хода коробки передач | |
| 61 | 401-1701054 | Кольцо упорное | |
| 62 | 408-1701082 | Шестерня промежуточная заднего хода коробки передач | |
| 63 | 408-1701058 | Втулка распорная | |
| 64 | 408-1701084 | Втулка |
Содержащиеся в справочниках-каталогах запасные части и детали не предлагаются к продаже, а носят исключительно информационный характер