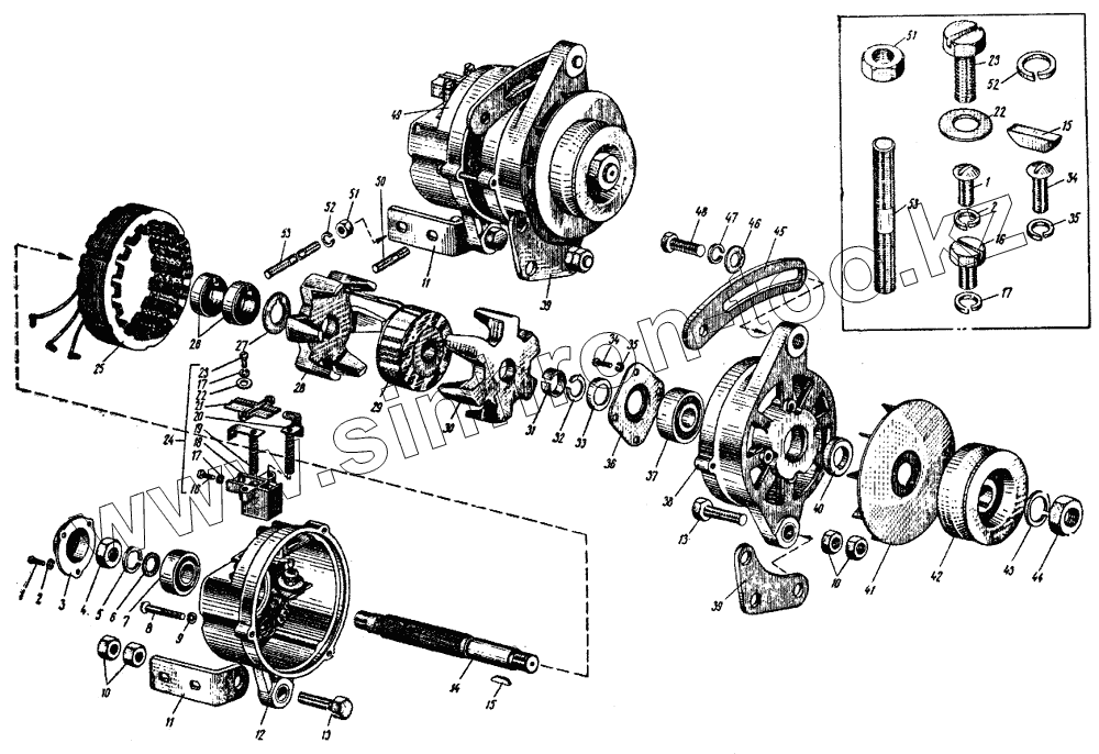
Каталог запасных частей к технике: ИЖ 427. Генератор и детали его крепления
1
1
2
2
3
4
5
6
7
8
9
10
10
11
11
12
13
13
13
14
15
15
16
16
17
17
17
18
19
20
21
22
22
23
23
24
25
26
27
28
29
30
31
32
33
34
34
35
35
36
37
38
39
39
40
41
42
43
44
45
46
47
48
49
49
50
51
51
52
52
53
53
| Позиция на иллюстрации | Заводской номер детали | Название детали | |
|---|---|---|---|
| Х-4001 | Х-4001 | Шайба 5 пружинная | |
| Г250-37-1181 | Г250-37-1181 | Болт контактный | |
| МХ-1185 | МХ-1185 | Шайба специальная | |
| МХ-1185 | МХ-1185 | Шайба специальная | |
| МХ-1111 | МХ-1111 | Шайба свинцовая | |
| МХ-1111 | МХ-1111 | Шайба свинцовая | |
| Х-1482 | Х-1482 | Шайба пружинная 6 | |
| Х-1482 | Х-1482 | Шайба пружинная 6 | |
| Х-1012 | Х-1012 | Шайба 4 пружинная | |
| Х-4001 | Х-4001 | Шайба 5 пружинная | |
| МХ-0157 | МХ-0157 | Шайба | |
| 8Х-1497 | 8Х-1497 | Шайба 5 | |
| Г250Ж-3701200 | Г250Ж-3701200 | Ротор в сборе | |
| Г250-3701310 | Г250-3701310 | Радиатор с диодами в сборе | |
| Г250-3701311 | Г250-3701311 | Радиатор | |
| Г250Ж-3701400 | Г250Ж-3701400 | Крышка со стороны привода в сборе | |
| МХ-1020 | МХ-1020 | Винт | |
| 8Х-1548 | 8Х-1548 | Винт крепления вывода диода к соединительной панели | |
| 8Х-1598 | 8Х-1598 | Винт крепления минусового провода | |
| Г21-3701107 | Г21-3701107 | Втулка изоляционная | |
| Г250-3701312 | Г250-3701312 | Вывод диода, длинный | |
| Г250-3701314 | Г250-3701314 | Вывод диода, короткий | |
| Г250-3701313 | Г250-3701313 | Вывод диода, средний | |
| Г250-3701315 | Г250-3701315 | Панель соединительная | |
| 8Х-1533 | 8Х-1533 | Гайка М6 | |
| Д242А | Д242А | Диод кремниевый Д242А (ТУ УЖ0321049ТУ) | |
| Д242АП | Д242АП | Диод кремниевый Д242АП (ТУ УЖ0321049ТУ) | |
| Г250Ж-3701301 | Г250Ж-3701301 | Крышка со стороны контактных колец | |
| 8Х-1533 | 8Х-1533 | Гайка М6 | |
| 1 | Х-1541 | Винт крепления крышки заднего подшипника | |
| 2 | Х-1012 | Шайба 4 пружинная | |
| 3 | Г253-3701060 | Крышка заднего подшипника | |
| 4 | МХ-0015 | Гайка вала ротора со стороны контактных колец (крепления подшипника) | |
| 5 | 7Х-4289 | Шайба пружинная | |
| 6 | МХ-0825 | Шайба | |
| 7 | П180502Кс9 | Шарикоподшипник со стороны контактных колец | |
| 8 | МХ-1156 | Винт для стяжки крышек | |
| 9 | Х-4001 | Шайба 5 пружинная | |
| 10 | 250773-П29 | Гайка | |
| 10 | 250773-П29 | Гайка | |
| 11 | 412-3701632 | Кронштейн крепления генератора задний | |
| 12 | Г250Ж-3701300 | Крышка со стороны контактных колец с радиатором и диодами в сборе | |
| 13 | 201682-П29 | Болт крепления генератора | |
| 13 | 201682-П29 | Болт крепления генератора | |
| 14 | Г250-3701211 | Вал ротора | |
| 15 | Б-16 | Шпонка 4х6,5 | |
| 16 | НО-4503 | Болт специальный | |
| 17 | Х-4001 | Шайба 5 пружинная | |
| 18 | Г250И-3701013 | Щеткодержатель с втулкой в сборе | |
| 19 | Г250-3701030 | Изолированная щетка в сборе | |
| 20 | Г250-3701020 | Массовая щетка в сборе | |
| 21 | Г250И-3701012 | Крышка щеткодержателя | |
| 22 | 8Х-1497 | Шайба 5 | |
| 23 | Г250-3701016 | Болт крепления крышки и щеткодержателя к крышке со стороны контактных колец | |
| 24 | Г250И-3701010 | Щеткодержатель в сборе | |
| 25 | Г250-3701100 | Статор с обмотками в сборе | |
| 26 | Г250-3701205 | Кольцо контактное в сборе | |
| 27 | Г250-3701208 | Шайба изоляционная | |
| 28 | Г250Ж-3701213 | Наконечник полюсный со стороны контактных колец | |
| 29 | Г250-3701220 | Катушка возбуждения в сборе | |
| 30 | Г250Ж-3701212 | Наконечник полюсный со стороны привода | |
| 31 | Г250-3701216 | Втулка упорная | |
| 32 | Г210-3701202 | Кольцо разрезное | |
| 33 | Г21-3701005 | Чашка опорная | |
| 34 | МХ-0093 | Винт М5Х15 | |
| 35 | Х-4001 | Шайба 5 пружинная | |
| 36 | Г250-3701404 | Шайба специальная | |
| 37 | П180603с9 | Шарикоподшипник со стороны привода | |
| 38 | Г250Ж-3701401 | Крышка со стороны привода | |
| 39 | 412-3701630 | Кронштейн крепления генератора передний | |
| 40 | Г250-3701054 | Втулка | |
| 41 | Г250Ж-3701055 | Вентилятор в сборе | |
| 42 | Г250Ж-3701051 | Шкив вала ротора | |
| 43 | МХ-0234 | Шайба 16 пружинная | |
| 44 | МХ-0235 | Гайка М16х1,5 | |
| 45 | 412-3701635 | Планка установочная генератора | |
| 46 | 252038-П29 | Шайба | |
| 47 | 252135-П29 | Шайба пружинная | |
| 48 | 201460-П29 | Болт крепления петли верхней двери задка к кузову | |
| 49 | 412-3701010 | Генератор переменного тока в сборе | |
| 49 | Г250-Ж | Генератор переменного тока в сборе | |
| 50 | 363071-П29 | Шпилька крепления заднего кронштейна | |
| 51 | 250511-П29 | Гайка | |
| 52 | 252135-П29 | Шайба пружинная | |
| 53 | 363079-П29 | Шпилька крепления заднего кронштейна |
Содержащиеся в справочниках-каталогах запасные части и детали не предлагаются к продаже, а носят исключительно информационный характер