Вернуться на главную
Поиск
Каталоги запчастей к технике
Легковые автомобили
ИЖ
ИЖ 412
Отопитель кузова и обогреватель ветрового стекла
Каталог запасных частей к технике: ИЖ 412. Отопитель кузова и обогреватель ветрового стекла
zoom-in
zoom-out
enlarge
shrink
circle-right
circle-left
file-text2
info
cart
Тип техники
Не выбрано
Легковые автомобили
Грузовые автомобили и прицепы
Автобусы
Сельхозтехника
Спецтехника
Двигатели
Мототехника
Марка
Не выбрано
BYD
Chevrolet
Daewoo
Geely
Great Wall
Hyundai
Lifan
Tata
АЗЛК
ВАЗ
ГАЗ
ЗАЗ
ЗИЛ
ИЖ
ЛуАЗ
РАФ
УАЗ
Модель
Не выбрано
ИЖ 2126
ИЖ 2126 (2004)
ИЖ 2126 с двигателем ВАЗ (2004)
ИЖ 2715 (1999)
ИЖ 2717 (2004)
ИЖ 412 (1995)
ИЖ 427 (1995)
ИЖ 434 (1995)
Схема
>
Не выбрано
Кузов в сборе модели 412
Кузов в сборе модели 427
Кузов в сборе модели 434
Пол багажника кузова модели 427
Крышки люков в полу кузова и коврики пола
Омыватель стекла ветрового окна
Стеклоочиститель и его привод
Детали ветрового и заднего окон кузова
Вентиляция передка кузова
Панель приборов
Термошумоизоляционные панели (съемные) передка кузова
Вещевой ящик
Обивка и термошумоизоляционные панели (съемные) боковины кузова
Замок, ручка и привод замка багажника
Крышка багажника с петлями, обивка и термошумоизоляционные панели (съемные) задка кузова автомобиля модели 412
Обивка багажного отделения кузова автомобилей моделей 427 и 434
Обивка и термошумоизоляционные панели (съемные) крыши (потолка) кузова
Передняя дверь кузова модели 412
Поворотное стекло передней двери кузова
Опускное стекло и стеклоподъемник передней двери
Замок и ручка передней двери
Петли, ограничители открытия и уплотнения передней двери кузова
Замок и ручка задней двери кузовов моделей 427 и 434
Угловые стекла задних дверей кузова моделей 412 и 427, опускное стекло и стеклоподъемник задней двери кузова модели 427
Петли, ограничители открытия и уплотнения задней двери кузовов моделей 412 и 427
Замок и ручка задней двери кузовов моделей 412 и 427
Задняя дверь кузова модели 427
Задняя дверь кузова модели 412
Петли и уплотнение петель задка кузова моделей 427 и 434
Дверь (и окно двери) задка кузова модели 434
Дверь (и окно двери) задка кузова модели 427
Передние сидения кузова и подлокотник
Каркас и обивка переднего сидения
Механизм продольного передвижения (салазки) передних сидений
Заднее сидение кузова модели 412 и подлокотник
Опорные детали и арматура заднего сидения кузова модели 427
Каркасы подушки и спинки, обивка заднего сидения кузова модели 412
Каркасы подушки и спинки, обивка заднего сидения кузова модели 427
Отопитель кузова и обогреватель ветрового стекла
Детали отопителя кузова и обогревателя ветрового стекла
Вентилятор с электродвигателем отопителя кузова и обогревателя ветрового стекла
Принадлежности кузова
Заводской знак и надписи моделей автомобилей
Декоративные накладки кузова
Фартук заднего крыла
Капот кузова и его арматура
Облицовки радиатора и детали их крепления к кузову
Переднее крыло и детали его крепления
Силовой агрегат автомобиля "Москвич" модели 412: а - вид слева, b - вид справа
Детали крепления силового агрегата
Блок и гильзы цилиндров двигателя
Головка блока цилиндров двигателя
Поршень и шатун
Коленчатый вал, вкладыши коренных подшипников и маховик
Газораспределительный механизм (Часть 1)
Газораспределительный механизм (Часть 2)
Впускной и выпускной трубопроводы
Масляный картер и указатель уровня масла
Масляный насос и его маслоприемник
Фильтр масляный полнопоточный
Бензиновый бак и пробка его наполнительной горловины
Система питания и бензопроводы
Бензиновый насос
Карбюратор
Детали карбюратора
Привод управления дроссельной и воздушной заслонкой карбюратора для автомобиля с левым расположением рулевой колонки
Привод управления дроссельной и воздушной заслонкой карбюратора для автомобиля с правым расположением рулевой колонки
Воздушный фильтр
Система выпуска отработавших газов двигателя
Глушитель шума отработавших газов
Приемная труба глушителя отработавших газов и ее подвеска
Система охлаждения
Радиатор (с пробкой горловины) и детали его крепления к раме и кузову
Трубопроводы, шланги и термостат системы охлаждения
Центробежный насос с автоматической муфтой вентилятора и приводной ремень системы охлаждения
Центробежный насос, вентилятор и приводной ремень системы охлаждения
Механизм сцепления (Часть 1)
Механизм сцепления (Часть 2)
Привод выключения сцепления
Коробка передач (Часть 1)
Коробка передач (Часть 2)
Механизм переключения передач коробки передач с рычагом управления, расположенным на рулевой колонке
Механизм переключения передач коробки передач с рычагом управления, расположенным на полу кузова
Механизм управления коробкой передач с рычагом управления, расположенным на рулевой колонке
Карданный вал и его шарниры
Задний мост (главная передача, дифференциал, полуоси и картеры)
Передний и задний буферы
Кронштейн заднего номерного знака
Кронштейн переднего номерного знака
Поперечина №2 и детали ее крепления
Рама (подмоторная), брызговики крыльев и полка облицовки радиатора со щитами в сборе (комплект для ремонтных целей)
Подвеска передняя с тормозами, амортизаторами и стабилизатором поперечной устойчивости
Пружина, стойка и рычаги передней подвески
Неразборные шарниры стойки и верхний рычаг передней подвески
Амортизатор передней подвески и детали его крепления
Стабилизатор поперечной устойчивости автомобиля и детали его крепления
Задняя подвеска в сборе
Рессора задней подвески и детали ее крепления
Амортизатор задней подвески и детали его крепления
Поворотные рычаги и рулевые тяги автомобиля с левым расположением рулевой колонки
Поворотные рычаги и рулевые тяги автомобиля с правым расположением рулевой колонки
Колесо, декоративный колпак и ступица переднего колеса
Декоративная накладка колеса
Держатель запасного колеса
Держатель запасного колеса (вариант)
Покрышка, камера и вентиль
Рулевое управление в сборе автомобиля с левым расположением рулевой колонки
Рулевое управление в сборе автомобиля с правым расположением рулевой колонки
Рулевая колонка (с чугунным картером механизма) и детали ее крепления на автомобиле
Рулевая колонка (с алюминиевым картером механизма) и детали ее крепления на автомобиле
Тормоз заднего колеса
Тормоз переднего колеса
Тормоза с ножным управлением
Колесный цилиндр гидропривода тормоза переднего колеса
Колесный цилиндр гидропривода тормоза заднего колеса
Педаль тормоза
Главный цилиндр гидропривода тормоза
Трубопроводы гидравлического привода тормозов
Управление ручным тормозом
Гидровакуумный усилитель тормоза
Генератор и детали его крепления
Реле-регулятор
Аккумуляторная батарея и ее крепление
Включатель (замок) зажигания и выключатель стартера
Катушка, свечи зажигания и соединительные провода
Распределитель зажигания
Стартер
Центральный переключатель света
Ножной переключатель света
Фара
Фара ближнего света
Фара дальнего света
Подфарник
Плафон внутреннего освещения
Дверной переключатель плафона внутреннего освещения
Задний сигнальный фонарь
Фонарь освещения дороги при заднем ходе автомобиля
Включатель фонаря освещения дороги при заднем ходе автомобиля
Фонарь освещения номерного знака и багажника
Включатель света сигнала "стоп"
Боковой сигнальный фонарь указателя поворотов
Фонарь света стоянки и его включатель
Звуковой сигнал и детали его крепления
Блок плавких предохранителей
Электропровода и соединители
Прикуриватель
Прерыватель указателей поворотов
Переключатель указателей поворотов и включатель звукового сигнала
Комбинация приборов, лампы освещения щитка приборов, сигнальные (контрольные) лампы и датчики к указательным приборам
Спидометр и гибкий вал его привода
Щиток приборов и детали его крепления к панели
Радиоприемник и громкоговоритель
Антенна радиоприемника
Шоферский инструмент и принадлежности
Схема расположения подшипников качения в агрегатах шасси автомобилей
1
1
2
2
2
3
3
3
4
5
5
6
6
7
8
9
9
9
9
9
9
10
10
11
12
13
14
15
16
17
17
18
18
18
19
19
20
21
22
22
23
24
25
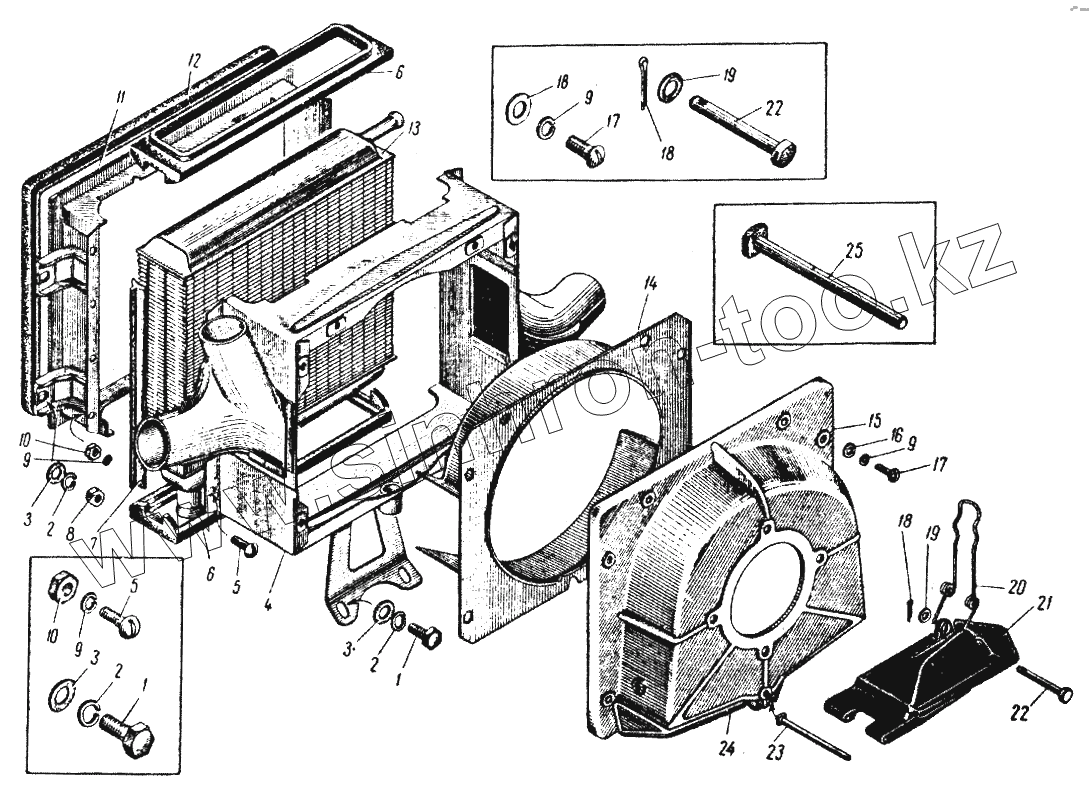
Позиция на иллюстрации
Заводской номер детали
Название детали
408-8101100
408-8101100
Кожух приемный в сборе
408-8101010
408-8101010
Отопитель кузова в сборе
408-8101010
408-8101010
Отопитель кузова в сборе
221582-П29
221582-П29
Винт упора пружины заслонок
1
201454-П29
Болт крепления петли крышки багажника к крышке
2
252135-П29
Шайба пружинная
3
252005-П29
Шайба
4
408-8101084
Кожух вентилятора
5
220077-П29
Винт крепления пластины
6
408-8101075
Прокладка бачка радиатора
7
408-8101076-А
Уплотнитель радиатора, боковой
8
250510-П29
Гайка
9
252133-П2
Шайба пружинная
9
252133-П29
Шайба пружинная
10
250763-П29
Гайка
11
408-8101015
Кожух радиатора
12
408-8101116
Уплотнитель отопителя
13
408-8101080-А
Радиатор в сборе
14
408-8101225
Распределитель (направляющая) потока воздуха в сборе
15
408-8101186-А1
Кожух электродвигателя
16
252003-П29
Шайба
17
220082-П29
Винт крепления крышки
18
258000-П29
Шплинт
19
252035-П
Шайба оси пружины
20
408-8101194-А
Пружина заслонки кожуха электродвигателя, фиксирующая
21
408-8101034-А
Заслонка кожуха, правая
22
408-8101195
Ось пружины заслонки
23
408-8101042
Ось заслонок
24
408-8101035-А
Заслонка кожуха, левая
25
258925-П8
Штифт крепления скобы пружины
Содержащиеся в справочниках-каталогах запасные части и детали не предлагаются к продаже, а носят исключительно информационный характер
Дополнительная информация
×
Название:
Номер:
Примечание: