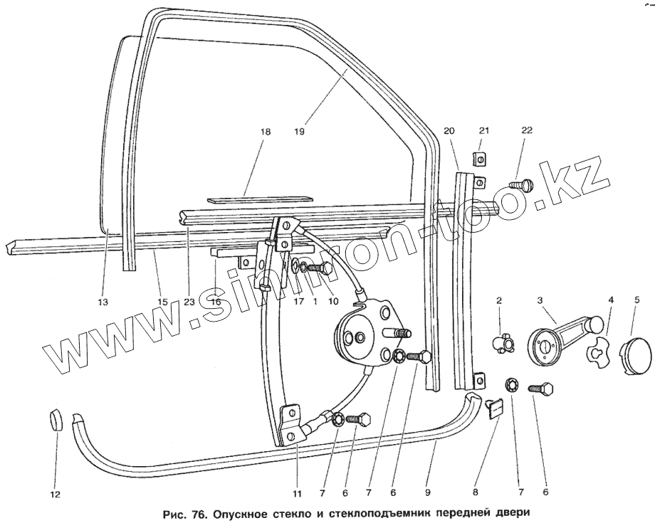
Каталог запасных частей к технике: ИЖ 2717. Опускное стекло и стеклоподъёмник передней двери
1
2
3
4
5
6
6
6
7
7
7
8
9
10
11
12
13
15
16
17
18
19
20
21
22
23
| Позиция на иллюстрации | Заводской номер детали | Название детали | |
|---|---|---|---|
| 2126-6103254-01 | 2126-6103254-01 | Уплотнитель стекла правый | |
| 2126-6104010 | 2126-6104010 | Стеклоподъемник правый | |
| 2126-6103210-10 | 2126-6103210-10 | Стекло передней двери правое в сборе | |
| 2126-6103212-10 | 2126-6103212-10 | Стекло передней двери правое | |
| 2126-6103211-10 | 2126-6103211-10 | Стекло передней двери левое в сборе | |
| 2126-6101012 | 2126-6101012 | Направляющая стекла передняя ппавзя | |
| 2126-6107028 | 2126-6107028 | Держатель уплотнителя правый | |
| 1 | 252134-29 | Шайба 6 пружинная | |
| 2 | 21251-6105246 | Поводок | |
| 3 | 2126-6104130 | Ручка стеклоподъемника | |
| 4 | 2126-6104066 | Защелка ручки | |
| 5 | 2126-6104108 | Заглушка ручки | |
| 6 | 201416-29 | Болт М6х12 | |
| 7 | 252269-29 | Шайба 6 | |
| 8 | 408-6207050 | Пистон с обоймой | |
| 9 | 2126-6107025 | Уплотнитель двери | |
| 10 | 201418-29 | Болт М6х16 | |
| 11 | 2126-6104011 | Стеклоподъемник левый | |
| 12 | 2126-6107029 | Держатель уплотнителя левый | |
| 13 | 2126-6103213-10 | Стекло передней двери левое | |
| 15 | 2126-6103105-01 | Уплотнитель подоконный | |
| 16 | 2126-6103220-20 | Обойма | |
| 17 | 252037-29 | Шайба 6 | |
| 18 | 2126-6103054 | Прокладка стекла | |
| 19 | 2126-6103255-01 | Уплотнитель стекла левый | |
| 20 | 2126-6101013 | Направляющая стекла передняя левая | |
| 21 | 854502-29 | Гайка для винта 5 | |
| 22 | 45 9652 1527 | Винт 5х16 | |
| 23 | 2126-6103104-01 | Уплотнитель подоконный |
Содержащиеся в справочниках-каталогах запасные части и детали не предлагаются к продаже, а носят исключительно информационный характер