Вернуться на главную
Поиск
Каталоги запчастей к технике
Легковые автомобили
ИЖ
ИЖ 2715
Батарея аккумуляторная, генератор и стартер
Каталог запасных частей к технике: ИЖ 2715. Батарея аккумуляторная, генератор и стартер
zoom-in
zoom-out
enlarge
shrink
circle-right
circle-left
file-text2
info
cart
Тип техники
Не выбрано
Легковые автомобили
Грузовые автомобили и прицепы
Автобусы
Сельхозтехника
Спецтехника
Двигатели
Мототехника
Марка
Не выбрано
BYD
Chevrolet
Daewoo
Geely
Great Wall
Hyundai
Lifan
Tata
АЗЛК
ВАЗ
ГАЗ
ЗАЗ
ЗИЛ
ИЖ
ЛуАЗ
РАФ
УАЗ
Модель
Не выбрано
ИЖ 2126
ИЖ 2126 (2004)
ИЖ 2126 с двигателем ВАЗ (2004)
ИЖ 2715 (1999)
ИЖ 2717 (2004)
ИЖ 412 (1995)
ИЖ 427 (1995)
ИЖ 434 (1995)
Схема
>
Не выбрано
Кузов автомобиля "Москвич-412 ИЭ"
Кузов автомобиля ИЖ-21251
Кузов автомобиля ИЖ-2715-01
Стекла грузопассажирского отделения автомобиля ИЖ-27156
Детали кузова
Внутренняя обивка кузова и принадлежности
Детали пола кузова
Коврики пола
Пол багажника автомобиля ИЖ-21251
Детали ветрового и заднего окон кузова
Стеклоочиститель и омыватель ветрового стекла
Панель приборов
Окно боковины
Детали кузова
Двери боковые передние
Опускное стекло и стеклоподъемник передней двери
Замок и ручки передней двери
Петли, ограничитель открытия и уплотнение передней двери
Двери боковые задние
Стекла и стеклоподъемник задней двери
Замок и ручки задней двери
Петли ограничителя открытия и уплотнение задней двери
Дверь задка автомобиля ИЖ-21251
Двери задние автомобилей ИЖ-2715-01, ИЖ-27156
Дверь задка автомобиля ИЖ-27151 -01
Сиденья передние и задние для автомобилей "Москвич-412 ИЭ", ИЖ-21251, ИЖ-27156
Сиденья передние автомобилей ИЖ-2715-01, ИЖ-27151 -01
Сиденья грузопассажирского отделения автомобиля ИЖ-27156
Управление отопителем
Система отопления
Отопитель
Капот
Облицовка радиатора и декоративные накладки
Оперение кузова
Двигатель в сборе
Крепление силового агрегата
Блок цилиндров и гильзы цилиндров
Головка блока цилиндров и вентиляции картера
Поршень и шатун
Коленчатый вал и маховик
Распределительный механизм и его привод
Впускная труба и выпускной коллектор
Масляный картер и указатель уровня масла
Масляный насос и маслоприемник
Фильтр масляный полнопоточный
Топливный бак и топливные трубопроводы для "Москвич 412 ИЭ" и ИЖ-21251
Топливный бак и топливные трубопроводы для ИЖ-2715-01, ИЖ-27156, ИЖ-27151 -01
Топливный насос
Карбюратор
Привод управления дроссельными и воздушными заслонками карбюратора
Воздушный фильтр
Система экономайзера принудительного холостого хода
Глушитель, резонатор и приемная труба глушителя
Радиатор и расширительный бачок
Трубопроводы, шланги, термостат
Водяной насос, шкив и приводной ремень
Сцепление
Привод выключения сцепления
Цилиндр привода выключения сцепления
Главный цилиндр сцепления
Коробка передач
Детали коробки передач
Привод переключения передач (внутренние части)
Привод переключения передач (внешние части)
Карданный вал
Мост задний и полуоси дифференциала
Редуктор и дифференциал заднего моста
Поперечина рамы и детали ее крепления
Грязезащитные щитки и кронштейн заднего номерного знака
Передний буфер
Задний буфер для автомобилей "Москвич-412 ИЭ", ИЖ-21251
Задний буфер для автомобилей ИЖ-2715-01, ИЖ-27151 -01, ИЖ-27156
Передняя подвеска, нижний рычаг с осью, шаровая опора передней подвески
Верхний рычаг передней подвески с осью, верхний шаровой шарнир
Амортизатор передней подвески и детали его крепления
Стабилизатор поперечной устойчивости и детали его крепления
Задняя подвеска в сборе
Рессора задней подвески и детали ее крепления
Амортизатор задней подвески и детали его крепления
Тяги рулевого управления
Колесо
Ступица переднего колеса
Рулевое управление
Тормоза переднего колеса
Тормоза заднего колеса
Колесный цилиндр заднего тормоза
Педаль тормоза и включатель света "Стоп"
Главный цилиндр гидропривода тормозов
Гидравлический привод тормозов
Управление стояночным тормозом
Вакуумный усилитель тормозов
Сигнальное устройство, регулятор давления
Генератор
Батарея аккумуляторная, генератор и стартер
Система зажигания
Распределитель зажигания
Стартер
0свещение наружное и внутреннее для "Москвич-412 ИЭ", ИЖ-21251
Освещение наружное и внутреннее для ИЖ-2715-01, ИЖ-27151-01, ИЖ-27156
Передний фонарь
Фонарь заднего хода для ИЖ-21251, ИЖ-2715-01, ИЖ-27151 -01, ИЖ-27156
Задний фонарь и задний указатель поворота для "Москвич-412 ИЭ"
Задний фонарь для ИЖ-21251
Комбинация приборов, сигнал звуковой, указатель поворота
Привод спидометра
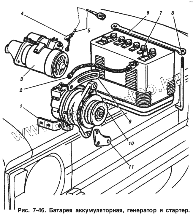
1
2
3
4
5
6
7
8
9
10
11
Позиция на иллюстрации
Заводской номер детали
Название детали
1
412-3701632
Кронштейн крепления генератора задний
2
21251-3724032
Провод на массу
3
412Э-3708010-02
Стартер в сборе (СТ-117А)
4
400-3724056-01
Чехол
5
21251-3724030-10
Провод плюсовый
6
412-3703114-01
Планка крепления аккумуляторной батареи
7
6СТ55А3Л
Батарея аккумуляторная
8
412-3703242-10
Стяжка
9
412-3701635
Планка установочная генератора
10
412-3701010-12
Генератор переменного тока в сборе (58.3701)
11
412-3701630
Кронштейн крепления генератора передний
Содержащиеся в справочниках-каталогах запасные части и детали не предлагаются к продаже, а носят исключительно информационный характер
Дополнительная информация
×
Название:
Номер:
Примечание: