Вернуться на главную
Поиск
Каталоги запчастей к технике
Легковые автомобили
ИЖ
ИЖ 2126
Задний мост
Каталог запасных частей к технике: ИЖ 2126. Задний мост
zoom-in
zoom-out
enlarge
shrink
circle-right
circle-left
file-text2
info
cart
Тип техники
Не выбрано
Легковые автомобили
Грузовые автомобили и прицепы
Автобусы
Сельхозтехника
Спецтехника
Двигатели
Мототехника
Марка
Не выбрано
BYD
Chevrolet
Daewoo
Geely
Great Wall
Hyundai
Lifan
Tata
АЗЛК
ВАЗ
ГАЗ
ЗАЗ
ЗИЛ
ИЖ
ЛуАЗ
РАФ
УАЗ
Модель
Не выбрано
ИЖ 2126
ИЖ 2126 (2004)
ИЖ 2126 с двигателем ВАЗ (2004)
ИЖ 2715 (1999)
ИЖ 2717 (2004)
ИЖ 412 (1995)
ИЖ 427 (1995)
ИЖ 434 (1995)
Схема
>
Не выбрано
Кузов
Элементы кузова
Шумоизоляционные накладки, обивка пола и багажника
Кожухи пола
Стекло ветрового окна, уплотнение ветрового окна
Стеклоочиститель
Омыватель стекла ветрового окна
Панель приборов
Установка наставки проема щита передка
Обивка боковины, передка, задка и крыши кузова
Стекло окна боковины и его уплотнение
Облицовочные панели и полка багажника
Дверь передняя
Опускное стекло и стеклоподъемник передний двери
Замок с приводом и ручки передней двери
Дверь задняя
Опускное стекло и стеклоподъемник задней двери
Замок с приводом и ручки задней двери
Дверь задка, стекло и уплотнение
Замок с приводом двери задка
Переднее сиденье и подголовник
Заднее сиденье
Отопитель со шлангами
Система отопления и вентиляции
Установка патрубков
Внутреннее зеркало заднего вида
Противосолнечный козырек и поручень
Наружное зеркало заднего вида
Облицовочные накладки кузова
Ремни безопасности
Капот кузова, его арматура
Замок капота
Переднее крыло
Облицовка радиатора
Фартуки грязезащитные
Крышка люка заднего крыла
Двигатель в сборе
Крепление силового агрегата
Блок и гильзы цилиндров
Головка блока цилиндров и вентиляции картера
Поршень и шатун
Коленчатый вал и маховик
Распределительный механизм и его привод
Впускная труба и выпускной коллектор
Масляный картер и указатель уровня масла
Масляный насос и маслоприемник
Фильтр масляный полнопоточный
Топливный насос
Карбюратор
Топливный бак с топливопроводами и фильтром тонкой очистки топлива
Привод управления дроссельными и воздушными заслонками карбюратора
Воздушный фильтр
Электромагнитный клапан экономайзера принудительного холостого хода с трубками, блок управления
Глушитель, резонатор и приемная труба глушителя
Трубопроводы, шланги и термостат системы охлаждения двигателя
Водяной насос, шкив и приводной ремень
Радиатор с электровентилятором и расширительный бачок
Сцепление
Привод выключения сцепления, педали сцепления и тормоза
Коробка передач
Механизм переключения передач
Привод переключения передач
Карданная передача
Задний мост
Редуктор и дифференциал заднего моста
Брызговик двигателя
Передний и задний буфера, буксирные проушины
Поперечина передней подвески с рычагом
Подвеска переднего колеса
Стойка амортизаторная
Задняя подвеска
Амортизатор задней подвески
Колесо
Кулак со ступицей и тормозным диском переднего колеса
Установка запасного колеса
Рулевое управление
Механизм рулевого управления и рулевые тяги
Тормоз переднего колеса
Тормоз заднего колеса
Главный цилиндр тормоза
Трубопроводы гидропривода тормозов
Механизм привода стояночного тормоза
Вакуумный усилитель тормоза
Сигнальное устройство в гидроприводе тормозов
Регулятор давления в гидроприводе тормозов задних колес
Генератор
Катушка зажигания, свечи зажигания, провода
Распределитель зажигания и его привод
Стартер и детали его крепления
Аккумуляторная батарея с проводами
Фара, передний фонарь и детали крепления
Плафон освещения салона кузова, плафоны освещения багажника и вещевого ящика, дверной выключатель плафона, световозвращатель, боковой указатель поворота
Задний фонарь, фонарь освещения номерного знака, жгут фонаря
Звуковой сигнал и его крепление
Блок предохранителей и реле
Прикуриватель, розетка штепсельная
Провода и соединения - передний жгут
Провода и соединения - задний жгут
Радиооборудование и громкоговоритель
Антенна магнитолы
Инструмент шоферский
Подшипники качения
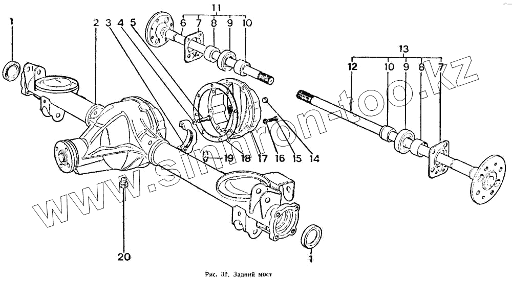
1
2
3
4
5
6
7
8
9
10
11
12
13
14
15
16
17
18
19
20
Позиция на иллюстрации
Заводской номер детали
Название детали
2126-2400003
2126-2400003
Мост задний со штангами
86-480306 КС9
86-480306 КС9
Подшипник
2126-2400005
2126-2400005
Мост задний
1
400-2401034-08
Манжета
2
2126-2-101010
Картер заднего моста
3
2126-2402010
Крышка подшипника
4
252136-29
Шайба 10 пружинная
5
360 060
Болт М10
6
2126-2403070
Полуось правая
7
2126-2403086
Пластина полуоси
8
21251-2403085
Втулка упорная подшипника
9
401-2403080-А
Подшипник полуоси
10
400-2403084
Втулка запорная подшипника
11
2126-2403170
Полуось
12
2126-2403071
Полуось левая
13
2426-2403171
Полуось
14
2125-2400040
Пробка маслоналивного отверстия
15
201456-29
Болт М8х20
16
252455-29
Шайба 8
17
2126-2402014
Крышка картера
18
2126-2402070
Прокладка
19
367110
Сапун
20
2125-2401046-01
Пробка сливная картера
Содержащиеся в справочниках-каталогах запасные части и детали не предлагаются к продаже, а носят исключительно информационный характер
Дополнительная информация
×
Название:
Номер:
Примечание: