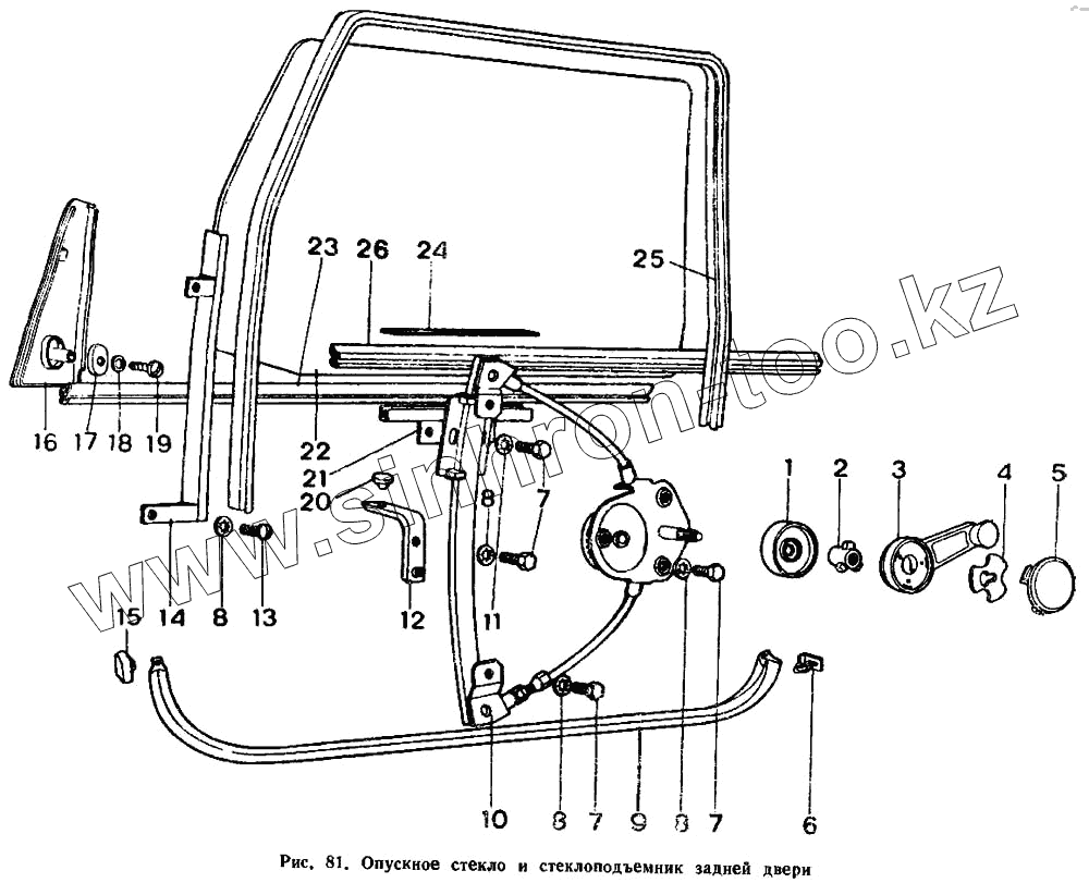
Каталог запасных частей к технике: ИЖ 2126. Опускное стекло и стеклоподъемник задней двери
1
2
3
4
5
6
7
8
9
10
11
12
13
14
15
16
17
18
19
20
21
22
23
24
25
26
| Позиция на иллюстрации | Заводской номер детали | Название детали | |
|---|---|---|---|
| 2126-6203524 | 2126-6203524 | Накладка угловая правая | |
| 2126-6107028 | 2126-6107028 | Держатель уплотнителя правый | |
| 2126-6203254 | 2126-6203254 | Уплотнитель стекла правый | |
| 2126-6204010 | 2126-6204010 | Стеклоподъемник правый | |
| 2126-6203212 | 2126-6203212 | Стекло правое | |
| 2126-6203210 | 2126-6203210 | Стекло задней двери правое | |
| 2126-6203211 | 2126-6203211 | Стекло задней двери левое | |
| 2126-6201050 | 2126-6201050 | Направляющая стекла правая | |
| 1 | 2126-6104106-10 | Розетка | |
| 2 | 21251-6105246 | Поводок | |
| 3 | 2126-6104130 | Ручка стеклоподъемника | |
| 4 | 2125-6104066 | Защелка ручки | |
| 5 | 2126-6104108 | Заглушка ручки | |
| 6 | 408-6207050 | Пистон с обоймой | |
| 7 | 201416-2 9 | Болт М6Х12 | |
| 8 | 252 269-29 | Шайба 6 | |
| 9 | 408-8402056-01 | Уплотнитель капота | |
| 10 | 2126-6204011 | Стеклоподъемник левый | |
| 11 | 365 357-29 | Шайба 6 зубчатая | |
| 12 | 408-6103244-02 | Упор опускного стекла | |
| 13 | 22 4622-29 | Винт М6х10 | |
| 14 | 2126-6201051 | Направляющая стекла левая | |
| 15 | 2126-6107029 | Держатель уплотнителя левый | |
| 16 | 2126-6203525 | Накладка угловая левая | |
| 17 | 2125-6203526 | Прокладка | |
| 18 | 252003-29 | Шайба 5 | |
| 19 | 45 9652 1527 | Винт 5х16 | |
| 20 | 408-2807034 | Буфер | |
| 21 | 2126-6103220 | Обойма | |
| 22 | 2126-6203213 | Стекло левое | |
| 23 | 2126-6203105 | Уплотнитель подоконный | |
| 24 | 2126-6103054 | Прокладка стекла | |
| 25 | 2126-6203255 | Уплотнитель стекла левый | |
| 26 | 2126-6203104 | Уплотнитель подоконный |
Содержащиеся в справочниках-каталогах запасные части и детали не предлагаются к продаже, а носят исключительно информационный характер